Принцип действия и конструкция. Трансформаторный преобразователь представляет собой трансформатор, у которого под влиянием входного сигнала изменяется взаимная индуктивность, что приводит к изменению вторичного, выходного напряжения.
Различают два вида трансформаторных преобразователей: с изменяющимся магнитным сопротивлением и с постоянным магнитным сопротивлением и подвижной обмоткой.
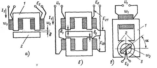
Преобразователи первого вида конструктивно аналогичны индуктивным преобразователям и отличаются тем, что вместо одной имеют две обмотки. Так, например, преобразователь (рис. 13 ) состоит из П-образного магнитопровода 7, подвижного якоря 2 и двух обморок wt и w2. При изменении воздушного зазора б изменяются магнитное сопротивление RM и взаимная индуктивность М. При этом изменяется вторичная ЭДС
E2=jwMI1 (24)
Как известно, коэффициент взаимоиндуктивности представляет собой коэффициент пропорциональности между потокосцеплением вторичной обмотки w2Ф2 и током первичной обмотки I1:
M= w2Ф2/I1 (25)

Рис 13
Большей стабильностью первичного тока обладает дифференциальный преобразователь (рис 13). У этого преобразователя первичные обмотки соединены последовательно и подключены к источнику переменного напряжения с постоянным значением U1, а вторичные включены встречно. Для упрощения анализа можно считать, что дифференциальный преобразователь состоит из двух простых. При перемещении якоря сопротивление первичной обмотки Z, одного простого преобразователя возрастает, а другого Z% - примерно на столько же уменьшается. В целом сопротивление первичной цепи остается почти без изменений, а ток I1 - постоянным и равным
I1=U1/(Z1+Z2)=U1/(2jL0) (26)

Рис 14
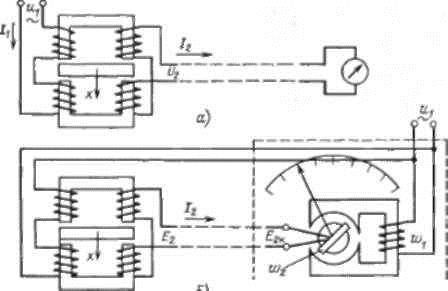
Схемы включения трансформаторных преобразователей. Вторичное напряжение трансформаторного преобразователя может быть измерено любым вольтметром переменного токае соответствующим пределом измерения (рис. 14). Эта схема отличается простотой, но применяется редко, поскольку напряжение U2и, следовательно, показания прибора зависят от первичного напряжения U1. Кроме того, напряжение U2зависит от выходного сопротивления преобразователя ZBых.
С изменением температуры, частоты питающего напряжения и по другим причинам выходное сопротивление может изменяться. Это приводит к погрешности. Погрешность может возникнуть также и вследствие изменения параметров линии связи между преобразователем и вольтметром. Очевидно, что погрешность уменьшается с уменьшением тока, потребляемого вольтметром.