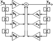
Рис. 12.1. Структурные схемы цифровых фильтров. |
Алгоритмы цифровой фильтрации сигналов (цифровых фильтров) представляются в виде структурных схем, базовые элементы которых показаны на рисунке 12.1 вместе с примерами структур- ных схем фильтров. Как правило, структурные схемы соответствуют программной реализа- ции фильтров на ЭВМ, но не определяют аппаратной реализации в специальных радиотехнических устройствах, которая может существенно отличаться от программной реализации.
Соединения фильтров. Различают следующие соединения фильтров.
Рис. 12.3. |
1. Последовательное соединение (рис. 12.3). Выходной сигнал предшествующего фильтра является входным для последующего. Эквивалентная передаточная функция общей системы равна произведению передаточных функций фильтров, в нее входящих:
H(z) = H1(z)×H2(z)×HN(z).
Рис. 12.4. |
2. Параллельное соединение (рис. 12.4). Сигнал подается на входы всех параллельно соединенных фильтров одновременно, выходные сигналы фильтров суммируются. Эквивалентная передаточная функция общей системы равна сумме передаточных функций фильтров, в нее входящих: H(z) = H1(z)+H2(z)+...+HN(z).
|
|
|
Рис. 12.5. |
3. Соединение обратной связи (рис. 12.5). Выходной сигнал первого фильтра подается на выход системы и одновременно на вход фильтра обратной связи, выходной сигнал которого суммируется, со знаком плюс или минус в зависимости от вида связи (отрицательной или положительной), с входным сигналом системы. Эквивалентная передаточная функция системы: H(z) = H1(z)/(1±H1(z)H2(z)).
Схемы реализации фильтров. По принципам структурной реализации фильтров различают следующие схемы:
Рис. 12.6. |
1. Прямая форма (рис. 12.6) реализуется непосредственно по разностному уравнению
yk =
bnxk-n –
amyk-m,
или по передаточной функции
H(z) =
bnzn /(1+
amzm).
2. Прямая каноническая форма содержит минимальное число элементов задержки. Передаточную функцию РЦФ можно представить в следующем виде:
H(z) = Y(z)/X(z) = H1(z)H2(z),
H1(z) = V(z)/X(z) = 1/(1+
amzm),
H2(z) = Y(z)/V(z) =
bnzn.
Отсюда: v(k) = x(k) -
amv(k-m), (12.1)
y(k) =
bnv(k-n). (12.2)
В разностных уравнениях (12.1-12.2) осуществ- ляется только задержка сигналов v(k).
3. Каскадная (последовательная) форма соответствует представлению передаточной функции в виде произведения:
H(z) =
Hi(z).
Hi(z) - составляющие функции вида (1-riz)/(1-piz) при представлении H(z) в факторизованной форме, где ri и pi - нули и полюсы функции H(z). В качестве функций Hi(z) обычно используются передаточные функции биквадратных блоков - фильтров второго порядка:
Hi(z) = (b0i + b1i ×z + b2i ×z2) / (1 + a1i ×z + a2i ×z2).
4. Параллельная форма используется много реже, и соответствует представлению передаточной функции в виде суммы биквадратных блоков или более простых функций.
|
|
|
Рис. 12.1. Структурные схемы цифровых фильтров.
Рис. 12.3.
Рис. 12.4.
Рис. 12.5.
Рис. 12.6.