Структура и алгоритм работы АЦП
Контрольные вопросы
1. На каком принципе основано построение ЦАП?
2. Поясните принцип действия ЦАП рисунке 1.
3. Каким отличительным свойством обладает цепочка резисторов R - 2R?
4. Почему в ЦАП используются высокостабильные источники питания?
5. Поясните принцип действия ЦАП на рисунке 2.
6. Перечислите основные параметры ЦАП и дайте их определение.
АЦП представляют собой устройства, преобразующие амплитуду (уровни) или другие параметры аналоговых сигналов различной природы в
цифровой вид. "Аналого-цифровые преобразователи" позволяют вводить ин-
формацию, содержащуюся в массиве аналоговых сигналов, поступающих от
датчиков, измерительных приборов и других устройств, в цифровые вычислительные или управляющие устройства, блоки и системы, в которых производится обработка цифровой информации.
К настоящему времени разработаны и широко применяются несколько
основных разновидностей АЦП:
- АЦП двойного интегрирования;
- АЦП последовательного счета;
|
|
|
- АЦП поразрядного уравновешивания (последовательного приближения);
-АЦП параллельного действия.
Основными параметрами преобразователей являются:
· Динамический диапазон входных сигналов,
· передаточная характеристика преобразования,
· число уровней квантования,
· цена младшего значащего разряда (МЗР) преобразования (ширина канала),
· быстродействие,
· погрешности преобразования (дифференциальная и интегральная нелинейности преобразования).
Из всех видов АЦП наиболее простыми по принципу действия, но и наиболее сложными по конструктивной и технологической выполнимости
являются АЦП параллельного действия.
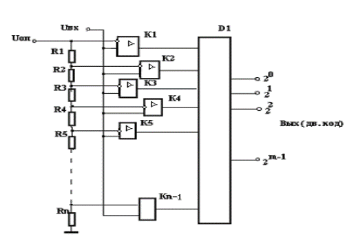
На рисунке 2.6 представлена структурная схема АЦП параллельного действия, который содержит: источник опорного напряжения (Uоп), делитель
опорного напряжения (R1-Rn), n компараторов (K1-Kn) равное числу уровней квантования, шифратор унитарного кода в двоичный код (D1). Каждый компаратор имеет входной дифференциальный каскад с двумя входами: инвертирующим и неинвертирующим. АЦП параллельного действия работает следующим образом. Делитель напряжений задает ряд опорных напряжений на всех, например, инвертирующих входах компараторов. Опорное напряжение на любом из компараторов определяется из выражения:
Un= (Uоп/ N) ⋅ n,
где: N - число уровней квантования АЦП;
n - номер компаратора (номер канала квантования);
Uоп/ N - ширина канала (цена младшего разряда АЦП).
Rn – резисторы прецизионного делителя;
Kn – компараторы уровня сигналов;
D1 – шифратор унитарного кода в двоичный

Рисунок 2.5 – Структурная схема АЦП параллельного действия
Входное преобразуемое напряжение Uвх поступает на все неинвертирующие входы компараторов. По сигналу "Строб", поступающего с устройства управления, входное напряжение сравнивается каждым компаратором с опорным напряжением. Компараторы выдают на выходе результат сравнения в виде "0" или "1" в зависимости от знака разности между опорным и входным напряжениями на их двух входах. После окончания сравнения кодовая комбинация с компараторов в виде унитарного кода поступает на шифратор, который на выходе выдает двоичный код уровня входного сигнала. Если для преобразователя известна цена младшего разряда (ЦМР), то величина уровня входного сигнала определяется произведением ЦМР и десятичного выходного кода преобразователя.
|
|
|
АЦП параллельного действия обладают самым высоким быстродействием из всех видов преобразователей. Время преобразования у современных устройств такого вида составляет величину 5-10 нс. Эти АЦП отличаются сравнительно небольшим числом уровней квантования (6-8 и редко 9-10 двоичных разрядов) и средней величиной погрешности преобразования (интегральная нелинейность не менее (1-i) МЗР). Следует отметить также технологическую сложность производства АЦП этого вида из-за большого числа элементов каждого вида, примерно равному числу уровней квантования.