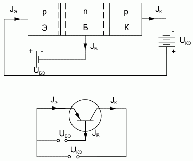
Включение транзистора по схеме с общим эмиттером

Схема включения биполярного транзистора с общим эмиттером приведена на рис. 6.13:

Лучше с землей и двумя источниками
Рис. 6.13. Схема включения транзистора с общим эмиттером

В транзисторе, включенном по схеме с общим эмиттером, имеет место усиление не только по напряжению, но и по току. Входными параметрами для схемы с общим эмиттером будут ток базы IБ, и напряжение на базе относительно эмиттера U БЭ, а выходными характеристиками будут ток коллектора IК и напряжение на коллекторе UКЭ. Для любых напряжений:

UКЭ=UКБ+UБЭ (6.36)

Отличительной особенностью режима работы с ОЭ является одинаковая полярность напряжения смещения на входе (базе) и выходе (коллекторе): отрицательный потенциал в случае pnp -транзистора и положительный в случае npn -транзистора. При этом переход база-эмиттер смещается в прямом направлении, а переход база-коллектор – в обратном.

Ранее при анализе биполярного транзистора в схеме с общей базой была получена связь между током коллектора и током эмиттера в следующем виде: . В схеме с общим эмиттером для pnp -транзистора (в соответствии с первым законом Кирхгофа) (6.1): , отсюда получим:

. (6.36)

После перегруппирования сомножителей получаем:

. (6.37)

Коэффициент α/(1-α) называется коэффициентом усиления по току биполярного транзистора в схеме с общим эмиттером. Обозначим этот коэффициент знаком β, итак:

. (6.38)

Коэффициент передачи тока для транзистора, включенного по схеме с общим эмиттером β показывает, во сколько раз изменяется ток коллектора I К при изменении тока базы I Б. Поскольку величина коэффициента передачи α близка к единице (α <1), то из уравнения (6.38) следует, что коэффициент усиления β будет существенно больше единицы (β >>1). При значениях коэффициента передачи α =0,98÷0,99 коэффициент усиления тока базы будет лежать в диапазоне β =50÷100.





Подборка статей по вашей теме: