Техническая диагностика КС. Состояние и пути совершенствования.
Выбор диагностических параметров и их признаков. Выбор и нормирование прогнозирующих параметров.
Лекция 7
Важным вопросом при разработке методов диагностирования является выбор параметров и соответствующих им признаков, наилучшим образом характеризующих техническое состояние объекта. Это состояние можно охарактеризовать множеством различных параметров. Одни их них имеют малозначимое, второстепенное значение, другие- важнейшее- определяющее. Одни фиксируют уже развивающийся дефект, когда отказ неизбежен, другие позволяют почувствовать этот дефект на ранней стадии развития. Последние имеют важнейшее значение. Они должны использоваться в модели объекта. Чем меньше используется параметров в системе диагностирования, тем она проще и экономичнее. Эта минимальная совокупность диагностирующих параметров должна быть способна различать все интересующие нас состояния объектов. Возможное уменьшение диагностических параметров связаны с отысканием таких, которые являются обобщающими. Обобщающими называются такие диагностические параметры или его признаки, в которых количественно или качественно проявляется большинство дефектов объекта. Выбор оптимальной совокупности диагностических параметров базируется на изучении физико-химических процессов, протекающих в ОД, на значении их и их последствиях, на анализе соответствующих причинно-следственных связей. Такой вывод наилучшим образом может быть сделан на основе строгих математических моделей. Однако во многих случаях для этой цели ограничиваются логической моделью с использованием схем структурно-следственных связей дефектов с признаками и средствами его диагностирования.
Совершенствование средств диагностирования КС, своевременная и достоверная оценка её состояния, предотвращение отказов имют особое значение из-за:
-КС не имеет полноценного резерва, каждый её отказ существенно влияет на движение поездов, приводит к значительным ущербам,
-трудоёмкость обслуживания и ремонта КС минимум в 2 раза превышает трудоёмкость обслуживания и ремонта ТП, приведенных к одному измерителю,
-велики трудности организации работ на перегоне в условиях движения поездов, получения «окон»,
-сложность и большая трудоёмкость восстановления КС после отказа.
Очевидно, что для КС первостепенное значение имеет правильное функционирование СД, дающих ответ о её состоянии в процессе работы электрифицированного участка без перерыва движения поездов. В настоящее время для проверки состояния КС наряду с инструментальным методами и техническими средствами широко используется визуальный контроль в процессе единоличных или комиссионных обходов и объездов. При обходах используют бинокль, при объездах – смотровые вышки вагон-лабораторий, кабины электровозов, откуда с помощью системы зеркал можно следить за взаимодействием КС и токоприёмника. Токоприёмник имеет специальную разметку. При этом оценивают пространственное положение и состояние КП, качество токосъёма. Такие обходы и объезды в соответствии с правилами осуществляют:
-ЭЧК ежемесячно;
-представители ЭЧ и ДЭЛ ежеквартально;
-службы ЭЛС ежегодно.
Работоспособность и исправность КС в целом определяют не только общим состоянием подвески, но также степенью износа КП, тепловым режимом всех контактных соединений и зажимов, состоянием опорных и поддерживающих конструкций. Для их проверки применяют различные средства тестового или функционального диагностирования, визуальные проверки при осмотрах. Результаты измерения износа ручными методами заносят в книгу состояния КП. На каждом АУ анализируют состояние КП и подсчитывают среднее арифметическое значение высоты КП в каждом АУ и определяют среднюю площадь изношенной части провода, определяют удельный износ проводов в каждом АУ в расчёте на 10 тыс. проходов токоприёмника. По результатам анализа с учётом действующих норм намечаются места выполнения вставок, шунтов или полной замены КП. По результатам анализа разрабатывают мероприятия.
С середины 60-х годов началось оснащение электрифицированных железнодорожных линий вагонами-лабораториями для испытаний контактной сети. Из года в год их число возрастало, и уже с 70-х годов диагностирование контактной подвески и ее взаимодействия с токоприемниками проводилось на всех электрифицированных линиях России, нынешних стран СНГ и Балтии. Аппаратура, смонтированная в этих вагонах, измеряет и регистрирует с записью на ленте следующие параметры: · зигзаги и выносы контактного провода; · высоту положения контактного провода над УГР; · подбои и отрывы токоприемника в жестких точках; · уменьшенные расстояния в зоне прохода токоприемника до отходящих ветвей, фиксаторов и других элементов. Это позволило разработать и внедрить балльную оценку состояния контактной сети на базе указанных записей, дополняемых данными визуальных наблюдений и учитываемыми показателями. Объективная оценка состояния контактной сети положительно повлияла на устойчивость ее работы. В то же время не было возможности измерять основной параметр, характеризующий взаимодействие контактной подвески и токоприемника, - контактное нажатие в процессе движения, обусловленное качеством регулировки контактной подвески, ее эластичностью. Не были также автоматизированы достаточно трудоемкие процессы измерения износа контактного провода, регистрации опор контактной сети для привязки измеряемых параметров, не производилась запись на ленте результатов визуальных наблюдений, не использовалась компьютерная обработка показателей, необходимых для балльной оценки состояния контактной сети. В связи с этим приобрела актуальность задача создания вагона-лаборатории нового поколения с использованием новейших диагностических технологий и программно-аппаратных средств автоматизации процесса измерений и представления их результатов. Концепция вагона-лаборатории нового поколения и ее реализация в экспериментальном образце В конце 1996 г. на электрифицированные линии Октябрьской железной дороги поступил экспериментальный образец вагона нового поколения для испытаний контактной сети (рис. 1). Вагон разработан и изготовлен Научно-исследовательским институтом электрофизической аппаратуры (НИИЭФА, Санкт-Петербург) на базе пассажирского цельнометаллического вагона. Для вагона-лаборатории нового поколения характерны: полная автоматизация процесса измерений и допусковый контроль параметров контактной сети, достигаемый компьютеризацией всех процессов диагностирования, регистрации и оформления получаемых результатов; бесконтактные методы измерения основных параметров контактной подвески (зигзаг, вынос и высота контактного провода над головкой рельса), не требующие использования измерительного токоприемника; оптоволоконные измерительные преобразователи и линии передачи информации от датчиков, находящихся на поднятом измерительном токоприемнике, позволили исключить высоковольтную камеру; возможность выполнения диагностических измерений, отсутствующая в существующих вагонах-лабораториях (измерение в процессе движения нажатия токоприемника, износа контактного провода, определение его положения в плане, измерение высоты отходящих ветвей и фиксаторов, а также некоторых параметров пути, необходимых для анализа причин неадекватных результатов измерений); автоматическая привязка к месту измерений с помощью аппаратных (оптоэлектронных) и программных средств; наличие мощных источников электропитания аппаратуры и систем жизнеобеспечения вагона, способных работать от подвагонных генераторов через буферную аккумуляторную батарею большой емкости, автономного дизель-генератора вагона или внешней электросети (на стоянках), а также вычислительных ресурсов бортовых компьютеров, обеспечивающих дальнейшее развитие функциональных возможностей вагона; комфортные условия для экипажа при продолжительных инспекциях. Выполнение диагностических функций вагона обеспечивают следующие основные комплексы (рис. 2): датчико- диагностический (ДДК), информационно-вычислительный (ИВК) и электроэнергетический (ЭЭК).
ДДК состоит из датчиков и аппаратуры предварительной обработки сигналов (АПОС), поступающих далее в ИВК, который представляет собой двухуровневую локальную сеть из трех персональных компьютеров (ПК). Вагон для испытания контактной сети выполняет следующие диагностические функции. Бесконтактные измерения высоты подвески, зигзага и выноса группы контактных проводов (от одного до четырех). Измерения выполняются (с погрешностью не более ± 10 мм) с помощью установленной внутри вагона стереотелевизионной системы СТВС (рис. 3 и 4) с тремя линейными телекамерами ТК, одна из которых (средняя) предназначена для отстройки от ложных объектов, возникающих из-за многоэлементности объекта наблюдения.
Подсветка контактного провода (КП) в темное время суток осуществляется системой галогенных фар, причем сигнал о необходимости включения (выключения) освещения подается от ИВК автоматически. Измерения высоты и отклонения в плане отходящих проводов (анкерные ветви, воздушные стрелки). Измерения выполняются той же системой СТВС и с той же точностью, что и для основного контактного провода. Бесконтактные измерения износа контактного провода. Измерения могут быть выполнены для одного-четырех проводов в подвеске с погрешностью не более ± 3 % при диапазоне поперечных сечений провода (1 x 0,5) S ном, где Sном - номинальная полная площадь поперечного сечения. В качестве датчика износа применено оригинальное устройство (патент РФ RU2000225C), представляющее собой уникальный жгут из оптических волокон диаметром 0,2 мм каждое; линейная конфигурация его входного конца образована торцами волокон, расположенными в два ряда в шахматном порядке с расстояниями между волокнами 1 мм в каждом ряду. Результирующее расстояние между волокнами составляет 0,5 мм на протяжении всей длины входной части жгута, равной 1 м. На выходном конце волукна жгута разделены и армированы оптическими соединителями. Параллельно жгуту установлен линейный осветитель контактного провода, собранный из суперлюминесцентных светодиодов инфракрасного диапазона и работающий в импульсном режиме. Оба элемента расположены на верхней раме токоприемника таким образом, что при его поднятии они оказываются на расстоянии 30 - 40 мм от нижней поверхности контактного провода и под углом 45° к нему. При работе осветителя отраженный свет попадает на те оптические волокна жгута, которые оказываются под площадкой износа контактного провода. Ширина площадки износа измеряется числом освещенных волокон, умноженным на 0,5 мм (погрешность не более ± 0,25 мм). Освещенные волокна выявляются фотодиодами, подключенными к оптическим соединителям на выходном конце жгута. Таким образом осуществляется измерение износа по ширине площадки износа контактного провода, которая в ИВК пересчитывается и представляется в виде остаточных значений высоты поперечного сечения.
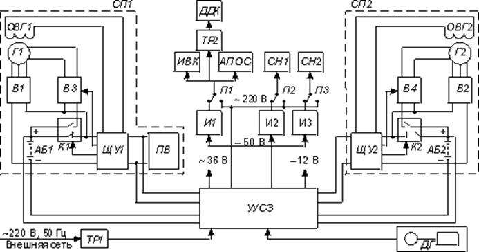
змерения нажатия токоприемника на контактный провод. Эти измерения осуществляются в диапазоне 0 - 400 Н с погрешностью не более ± 5 %. Средства измерений - оптоволоконные датчики нажатия (см. рис. 3), использующие тензочувствительные оптические элементы, меняющие коэффициент излучения оптических сигналов. Показания двух датчиков, размещенных по концам полоза токоприемника, суммируются в ИВК. Измерения вертикальных ускорений токоприемника. С этой целью применены три акселерометра для учета массы полоза при обработке результатов измерений нажатия и резких воздействий на токоприемник в вертикальном направлении, а также датчик продольных ускорений для регистрации ударов и подбоев. Допусковый двухпороговый контроль подхватов отходящих ветвей контактного провода и фиксаторов. Для этого используют две пары датчиков, расположенных по бокам полоза токоприемника, с разновысокими (разница в высоте 25 мм) гибкими касателями. Измерения напряжения в контактном проводе (3 кВ постоянного и 25 кВ переменного тока), автоматическая фиксация отрывов токоприемника. Фиксация отрывов осуществляется с погрешностью не более ± 1 % при исчезновении напряжения. Измерения перемещений кузова вагона относительно УГР. Эти измерения проводят в пределах от 0 до 150 мм с погрешностью не более ± 2 % датчиками с оптоэлектронным кодированием линейных перемещений. Измерения возвышения головки наружного рельса выполняются в пределах от 0 до 200 мм. Для получения результата используются совокупные измерения перемещений кузова вагона и истинного горизонта гироскопическим устройством "Гировертикаль". Измерения ускорений кузова вагона. Ускорения измеряют в вертикальном, продольном и поперечном направлениях в пределах от - 20 до + 20 м/с2. Измерения просадок пути. В пределах от 0 до 100 мм с погрешностью не более ± 5 % выполняют совокупные измерения боковых перемещений кузова датчиками, размещенными у противоположных тамбуров вагона, и истинного горизонта устройством "Гировертикаль". Измерения радиуса кривизны пути выполняют в пределах от 800 до 3000 м с погрешностью не более ± 10 % измеряемой величины, используя в качестве датчика вращающийся трансформатор, измеряющий угол поворота тележки вагона относительно его кузова. Измерения температуры окружающей среды. Применяют датчик на основе термопары. Автоматическая привязка к месту измерений (по номерам опор и пройденному пути). Для этой цели используют: оптоэлектронные датчики промежуточных опор (по одному с каждой стороны вагона), реагирующие на фиксаторы. При идентификации поступающих от датчиков сигналов "Опора" используется также информация от датчика скорости и пути, определяющая местонахождение опоры. В темное время суток фиксаторы подсвечиваются галогенными фарами. Измерения скорости движения. Скорость измеряется в пределах от 0 до 200 км/ч при пройденном пути от 0 до 200 км с погрешностью не более ± 1 %. Для этого бесконтактный датчик с чувствительными элементами устанавливается на буксе вагона. Датчики реперных опор - инфракрасные приемопередатчики, реагирующие на отражение от реперной опоры излучаемого ими сигнала. Предусмотрена также ручная регистрация опор. Автоматическая регистрация отклонений в состоянии контактной сети, наблюдаемых визуально из смотровой кабины. Для этой цели предусмотрен пульт с квазисенсорным управлением, содержащим восемь клавиш с наименованиями объектов и отклонений: · "Опора" - наклон опоры, отсутствие заземления; · "Струна" - оборванная струна; · "Фиксатор" - несоответствие положения фиксирующего троса или фиксатора нормам; · "Анкеровка" - несоответствие высоты расположения грузов компенсаторов температуре воздуха, провисание ветви средней анкеровки; · "Обрыв" - наличие оборванных жил в тросах; · "Стрелка" - наличие зажимов в зоне воздушной стрелки; · "Изолятор" - разбитый изолятор; · "Замечание" - прочие зафиксированные отступления от норм. Индикация выбранного оператором набора параметров (максимально четырех, например: высоты, отклонений от горизонтального положения контактного провода, нажатия с наложением на кривую сигнала об ударах и подбоях, визуально регистрируемых отклонений) производится в реальном времени на экране дисплея центрального персонального компьютера. Кроме того, производится распечатка параметров, измеренных у опор. Одновременно на жестком диске в реальном времени ведется непрерывная запись всех параметров. Распечатка кривых группами по четыре возможна после завершения объезда. В зоне наблюдения оператора находится видеомонитор обзорной телекамеры, установленной в смотровой кабине. Комплексы ДДК, ИВК и электробытовое оборудование получают питание напряжением 220 В переменного тока частотой 50 Гц от электроэнергетического комплекса ЭЭК (рис. 5), в который входят две независимые системы питания СП1 и СП2, содержащие подвагонные генераторы Г1 и Г2 мощностью 8 кВт каждый, а также аккумуляторные батареи АБ1 и АБ2 суммарной емкостью 2 х 375 Ач.
В состав ЭЭК входит также дизель-генератор мощностью 12 кВт для питания вагона на стоянках, не оборудованных электросетью, изолирующий трансформатор ТР1 и кабель с разъемом для подключения к внешней электросети. Для преобразования постоянного напряжения 50 В в переменное 220 В, 50 Гц используются три инвертора И1 - И3 мощностью 2,7 кВт каждый, а также устройство управления, сигнализации и защиты УУСЗ. Подзарядка батарей возможна как от внешней сети, так и от дизель-генератора ДГ. создание в дистанциях электроснабжения, обслуживаемых вагонами нового поколения, компьютерных станций расшифровки и анализа результатов измерений, передаваемых пользователю на магнитных носителях; создание набора алгоритмов и программного обеспечения, позволяющих использовать результаты измерений нажатия в комплексе с другими параметрами для балльной оценки существующих и исследования перспективных контактных подвесок. | ||||||







