Различают регистры с параллельной записью (считыванием) информации и последовательной записью (считыванием) информации. Регистры состоят из триггеров, рассмотренных ранее.
Регистры с параллельной записью и считыванием информации (рис. 4.40) служат для хранения информации и называются регистрами памяти.
Изменение информации на выходе осуществляется после установки новой комбинации данных D0…Dm при поступлении определенного уровня или фронта
(среза) синхросигнала C0. Количество разрядов информации, одновременно записываемой в регистр называется разрядностью регистра. В качестве разрядов
регистра используются триггеры со статической или динамической синхронизацией. Иногда регистры имеют и вход общего сброса. Наиболее часто для их реализации

Рис. 4.40. Регистры памяти
используются динамические D- триггеры. Условное графическое обозначение регистра памяти приведено на рис. 4.41.

Рис. 4.41. Условное графическое изображение регистра памяти
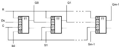
Регистры с последовательной записью и считыванием информации называют сдвигающими регистрами или регистрами сдвига. Запись слова информации в них производится последовательно разряд за разрядом при поступлении пакета синхроимпульсов. Также может выполняться и считывание информации. Обычно они выполняются на основе D или J-K триггеров с динамическим входом синхронизации. Пример внутренней структуры сдвигающего регистра на основе D – триггеров приведен на рис. 4.42.
|
|
|

Рис. 4.42. Структура сдвигающего регистра
При поступлении фронта синхросигнала С состояние входа Ds перепишется на выход Q0 с задержкой
. Соответственно предыдущее состояние Q0 перепишется на выход Q1 и т. д. Таким образом при поступлении фронта синхросигнала, слово информации сдвигается на один разряд вправо. Для полной записи слова необходимо подать столько синхроимпульсов сколько разрядов в слове. Считывание информации из регистра может производиться как последовательно при поступлении пакета синхросигнала, так и параллельно одновременно со всех разрядов. Обычно такие регистры имеют объединенный вход сброса разрядов и параллельные входы пред установки, т. е. они могут работать как регистры памяти. При реализации сдвигающего регистра на J-K триггерах сдвиг информации осуществляется по срезу синхросигнала. Пример условного обозначения сдвигающего регистра приведен на рис. 4.43.

Рис. 4.44. Пример условного обозначения сдвигающего регистра
Дальнейшее совершенствование привело к появлению реверсивных регистров сдвига. Эти устройства позволяют сдвигать записанную информацию как вправо, так и влево, в зависимости от выбранного специальным сигналом режима. По своей структуре они отличаются от обычного сдвигающего регистра наличием в своем составе мультиплексоров, позволяющих переключать входы разрядов, как к предыдущим выходам, так и к последующим. Пример условного обозначения реверсивного регистра представлен на рис. 4.45.
|
|
|