Стремление получить синхронное устройство, которое позволяло бы считывать информацию только в определенные мгновения, привело к разработке триггеров с динамическим управлением. Они в настоящее время имеют наиболее широкое применение. Разновидностью таких устройств является D – триггер с динамическим управлением. Кроме динамического входа синхронизации и входа управления эти триггеры обычно содержат вход предустановки S и вход сброса R. Этот тип триггера является универсальным и имеет весьма широкое применение в логических устройствах.
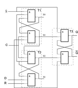
Условное обозначение D – триггера с динамическим управлением приведено на рис. 4.35, а на рис. 4.36 приведена возможная внутренняя структура триггера, выполненная на элементах И-НЕ.

Рис. 4.35. Условное графическое изображение D – триггера с динамическим входом

Рис. 4.36. Внутренняя структура D – триггера с динамическим входом
Считывание состояния сигнала со входа D осуществляется по фронту сигнала на входе С, т. е. в момент изменения от лог. «0» к лог. «1». Этот триггер состоит из трех триггеров Т1…Т3. При наличии уровня лог. «0» на входе C, на выходах Х2 и Х3 Т1 и Т2, подключенных к входам Т3 установлены лог. «1», Т3 находится в режиме хранения информации, а Т1 и Т2 в режиме приема информации по входу D. При этом:
|
|
|
,
.
Это означает, что при условии наличия лог. «1» на входах
один из триггеров Т1 или Т2 находится в запрещенном состоянии, когда на обоих выходах установлены лог. «1». Во время перехода сигнала на входе С из лог. «0» в лог. «1» запрещенное состояние исчезает, и состояние триггеров Т1 и Т2 переписывается в Т3. При изменения состояния входа D во время, когда на входе С установлена лог. «1» не приводит к изменению состояния Т3, т. к. сигнал С блокируется выходными сигналами Т1 и Т2, поступающими в противофазе. Для записи новой информации необходимо снова подать на вход С лог. «0», а затем лог. «1». При изменении состояния входа D во время фронта на входе С триггер работает неустойчиво (может принять любое состояние), поэтому во время действия фронта на входе С сигнал на входе D изменяться не должен, т. е. объединять входы D и С не допускается.
Таблица истинности этого триггера приведена ниже.
Таблица 4.9.
| Текущее состояние | Последующее состояние | Название режима | |||||
| | С | D | | | | |
![]() ![]() ![]() 0,1, | Х | Q | Q | | Хранение | ||
| X | Запись 0 | |||||
| X | Запись 1 | |||||
| X | X | X | Сброс | ||||
| X | X | X | Установка 1 | ||||
| X | X | X | Неопределенный |
Рассмотренный D- триггер относится к универсальным типам триггеров, т. к. он может работать в разных режимах как синхронный, так и асинхронный.
|
|
|
4.5.4. Универсальный J-K триггер
Еще одной разновидностью динамических триггеров является J-K триггер. Он имеет два информационных J и K, входы предустановки
и
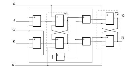
и вход синхронизации С. Перепись информации с информационных входов происходит обычно по срезу лог. сигнала на входе С, т. е. при переходе этого сигнала из «1» в «0» (в отличие от D- триггера). Условное графическое изображение J-K триггера приведено на рис. 4.37.

Рис. 4.37. Условное графическое изображение J-K триггера
Внутренняя структура J-K триггера на элементах И-НЕ представлена на рис. 4.38.
При появлении лог. «1» на входе С, состояние входов J и K переписывается во внутренний триггер Т1 в том случае, если состояние выходов триггера Т2 - Q и
соответствует состоянию входов J и K соответственно. В противном случае

Рис.4.38. Внутренняя структура J-K триггера
состояние Т1 не изменяется. После этого при появлении лог. «0» на входе С, состояние Т1 переписывается в Т2. Вследствие этого входная информация появляется на выходе по срезу сигнала на входе С. При наличии одновременно двух лог. «1» на входах J и K, выходное состояние триггера изменяется на противоположное от среза к срезу сигналов на входе С. Это замечательное свойство J-K триггера широко используется при построении дискретных счетчиков и таймеров. Таблица истинности этого триггера приведена ниже.
Таблица 4.10
| Текущее состояние | Последующее состояние | Название режима | ||||||
| | С | J | K | | | | |
0,1 | X | X | Q | Q | | Хранение | ||
![]() ![]() | Q | Q | | хранение | ||||
![]() ![]() | X | Запись «1» | ||||||
![]() ![]() | X | Запись «0» | ||||||
![]() ![]() | Q | | Q | Счет по мод. 2 | ||||
| X | X | X | X | Сброс | ||||
| X | X | X | X | Уст. «1» | ||||
| X | X | X | X | Запрещенное |
Следует отметить, что J-K – триггер может быть легко преобразован в D – триггер путем объединения входов J и K через инвертор.



0,1,





