В настоящее время жидкокристаллические индикаторы (Liquid Crystal Display) являются наиболее распространённым видом индикаторов. Хотя сами жидкие кристаллы (ЖК) были известны еще с 1888 г., только 1960-х годов началось их практическое использование. В 1990 г. Де Жен получил Нобелевскую премию за теорию жидких молекулярных кристаллов.
Термином жидкий кристалл обозначается мезофаза между твердым состоянием и изотропным жидким состоянием, при этом мезофаза сохраняет фундаментальные свойства присущие двум состояниям материи. Жидкие кристаллы, с одной стороны, обладает текучестью как изотропная жидкость, с другой стороны, сохраняет определенный порядок в расположении молекул (как кристалл).
В отдельных случаях мезофаза оказывается стабильной в широкой области температур, включая комнатную, тогда говорят о жидких кристаллах. Большинство жидких кристаллов образуются стержневыми молекулами.
Обычно жидкокристаллический дисплей представляет собой стеклянную кювету толщиной меньше 20 мкм, в которую помещен жидкий кристалл. Направление молекул жидкого кристалла может быть задано обработкой поверхностей кюветы таким образом, чтобы молекулы ЖК выстраивались в определенном направлении – параллельно плоскости кюветы или перпендикулярно к ней. Один из способов обработки поверхности заключается в нанесении на нее тонкого слоя твердого полимера и последующего «натирания» его в одном направлении.
|
|
|
Используя различные ориентации направления молекул жидкого кристалла первоначально с помощью поверхностного упорядочения, а затем с помощью электрического поля, можно сконструировать простейший дисплей. Жидкокристаллический дисплей состоит из несколько слоев, где ключевую роль играют две стеклянные панели, между которыми помещён жидкий кристалл.
На панели наносятся бороздки. Бороздки получаются в результате размещения на стеклянной поверхности тонких пленок из прозрачного пластика, который затем специальным образом обрабатывается. Бороздки расположены таким образом, что они параллельны на каждой панели, но перпендикулярны бороздкам соседней панели. Соприкасаясь с бороздками, молекулы в жидких кристаллах ориентируются одинаково по всей поверхности. В результате направление ориентации молекул жидкого кристалла поворачивается от верхней панели к нижней на 90°, вращая, таким образом, плоскость поляризации света, как это изображено на рис. 8.19. Изображение формируется при помощи поляризационных плёнок, размещённых над и под жидкокристаллическим дисплеем. Если оси поляризации этих плёнок перпендикулярны друг другу, то дисплей будет прозрачным.
|
|
|
На стеклянные панели наносится тонкий слой металла, образующий электроды. Если теперь к электродам подвести напряжение, то молекулы жидкого кристалла развернутся вдоль электрического поля, вращение плоскости поляризации исчезнет, и

Рис. 8.19. Вращение поляризации света жидким кристаллом.
свет не сможет пройти через поляризационные плёнки, как это показано на рис.8.20. Рис.8.20, а соответствует отсутствию электрического поля, а рис.8.20, б – приложенному к электродам напряжению.
Напряжение, необходимое для поворота директора составляет обычно 2…5В. Важно, что действие электрического поля не связано с дипольным моментом молекулы и поэтому не зависит от направления поля. Это позволяет использовать для управления индикатором переменное поле. Постоянное поле может приводить к электролизу жидкого кристалла и, в конечном итоге, выходу прибора из строя.
Электроды на жидкокристаллический индикатор наносятся в виде точек, пиктограмм

Рис.8.20. Вращение поляризации света жидким кристаллом.
или сегментов для отображения различных видов информации, как это уже обсуждалось ранее.
Жидкокристаллические индикаторы используются в двух режимах работы: в режиме отражения света и в режиме просвечивания. Наиболее экономичный режим использования жидкокристаллического индикатора – это режим отражения. В этом режиме используются внешние источники света, такие как солнце или осветительные лампы помещения. Сами жидкокристаллические индикаторы ток практически не потребляют.
При использовании режима отражения прозрачным оставляют весь дисплей. Информация же формируется непрозрачными участками жидкого кристалла, образующимися между электродами при подаче на них переменного напряжения.
В режиме просвечивания возможны два вида использования жидкокристаллического дисплея: формирование обычного изображения, как и в режиме отражения и формирование негативного изображения. В режиме негативного изображения весь дисплей остаётся непрозрачным, а свет проходит только через участки изображения, которые в этом случае кажутся нарисованными краской. Негативный режим формируется поляризационными плёнками с совпадающей поляризацией.
Для подсветки жидкокристаллического индикатора обычно используется газоразрядные лампы или светодиоды, так как эти источники света не выделяют тепла, способного вывести из строя жидкокристаллический индикатор. Для равномерного распределения света под светодиодными индикаторами используются светопроводы, выполненные из рассеивающих свет материалов.
Важным параметром индикатора является время релаксации – время, необходимое для возвращения молекул жидкого кристалла в исходное состояние после выключения поля. Оно определяется поворотом молекул и составляет 30-50 мс. Такое время достаточно для работы различных индикаторов, но на несколько порядков превышает время, необходимое для работы компьютерного монитора.
Время релаксации резко зависит от температуры жидкокристаллического индикатора. Именно временем релаксации определяется минимальная температура использования жидкокристаллических индикаторов. Время релаксации современных жидкокристаллических индикаторов при температуре –25°C достигает нескольких секунд. Это время смены информации неприемлемо для большинства практических приложений.
Не менее важным параметром жидкокристаллического индикатора является контрастность изображения. При нормальной температуре контрастность изображения достигает нескольких сотен. При повышении температуры контрастность изображения падает и при температуре порядка +50°C изображение становится практически неразличимым.
Следующий параметр, характеризующий жидкокристаллический индикатор – это угол обзора. Угол обзора жидкокристаллического индикатора существенно зависит от скважности динамического режима индикации. Чем больше скважность – тем меньше получается угол обзора индикатора.
|
|
|
В современных жидкокристаллических компьютерных мониторах используется специальный метод формирования статического изображения при динамическом способе его подачи на дисплей. Это TFT (Thin Film Transistor) технология. При использовании этой технологии около каждого элемента изображения формируется запоминающий конденсатор и ключевой транзистор, который подключает этот конденсатор к цепям формирования изображения только в момент подачи информации именно для этого элемента изображения.
Цветные жидкокристаллические индикаторы обычно выполняют в виде матрицы, то есть на них можно сформировать любые изображения. Для формирования цветного изображения в основном используется режим просвечивания. При этом один пиксель изображения состоит из трёх элементов, напротив каждого из них располагается свой светофильтр: синий, красный и зеленый.
Особенностью работы жидкокристаллического индикатора является то, что на него следует подавать переменное напряжение. Это связано с тем, что при подаче на жидкокристаллический индикатор постоянного напряжения происходит электролиз жидкого кристалла и индикатор выходит из строя.
Напряжение для работы жидкокристаллического индикатора формируется логическими элементами, поэтому обычно используется прямоугольное колебание со скважностью равной двум. Его легко можно получить на выходе делителя частоты на два.
Теперь вспомним, что логические сигналы содержат постоянную составляющую. Ее можно убрать, подав сигнал на выводы жидкокристаллической ячейки в противофазе друг другу.
Если ячейку жидкокристаллического индикатора следует оставить прозрачной, то на ее выводы подаются синфазные напряжения. В результате разность потенциалов получается равной нулю.
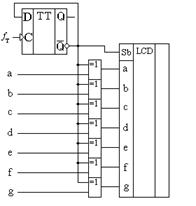
В результате контроллер жидкокристаллического индикатора можно собрать с использованием схем “исключающего ИЛИ”. Подобная схема приведена на рис. 8.21.
|
|
|
В этой схеме скважность прямоугольного колебания, равную двум, обеспечивает

Рис. 8.21. Принципиальная схема контроллера семисегментного жидкокристаллического индикатора.
делитель частоты, собранный на D-триггере. Если на вход сегмента подается единичный потенциал, то логический элемент “исключающее ИЛИ” инвертирует колебание, подаваемое на подложку жидкокристаллического индикатора COM. Этот сегмент становится непрозрачным.
Если же на вход сегмента поступает нулевой потенциал, то на выходе элемента “исключающее ИЛИ” колебание не инвертируется. Тем самым на соответствующий сегмент подается нулевая разность потенциалов. Этот сегмент остается прозрачным.






