В настоящее время практически везде для отображения двоичной информации используются светодиоды (LED Light-Emitting Diode). Это обусловлено тем, что надёжность светодиодов значительно превосходит надёжность как индикаторных ламп накаливания, так и газоразрядных (неоновых) индикаторных ламп. Светодиоды кроме того обладают высокой механической прочностью и имеют небольшой вес. Кроме того при включении светодиодов не возникает импульсного тока значительной величины, в отличие от ламп накаливания.
К.п.д. светодиодов, особенно современных, тоже значительно превосходит к.п.д. индикаторных ламп. Основная причина повышенного к.п.д. - это принципиальное отсутствие теплового излучения. Электрический ток непосредственно преобразуется в световое излучение. Светодиод управляется током, а его вольт-амперная характеристика похожа на характеристику обычного диода. Схема включения приведена на рис.8.6.
Расчет токоограничивающего резистора R1 в этой схеме определяется допустимым током через индикатор (IVD), падением напряжения на индикаторе (UVD),
|
|
|

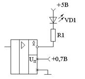
Рис. 8.6. Схема включения светодиодного индикатора с ТТЛ микросхемой
составляющего от 1,5 до 3 В (в зависимости от цвета индикатора) и напряжением питания (Uп):
.
Для используемых типов индикаторов допустимый ток находится в пределах
5…20 мА.
В схеме, приведенной на рис. 8.6, используется ток «0» цифровой микросхемы. Этот ток в большинстве цифровых схем больше тока «1».
В большинстве современных микросхем ток «1» превышает минимальный ток зажигания светодиода. В ряде случаев это может упростить принципиальную схему устройства. Схема с использованием единичного тока цифровой микросхемы приведена на рис. 8.7.

Рис. 8.7. Использование тока единицы для зажигания светодиодного индикатора
В случае, если напряжение питания цифровых микросхем составляет 3.3 В, 2.5 В или даже 0.7 В для подключения индикаторов используются элементы с открытым коллектором и дополнительный источник питания 5 В (рис. 8.18).

Рис. 8.18. Схема подключения светодиодного индикатора к цифровой микросхеме с открытым коллектором






