Индикаторы обычно располагают в местах, удобных для просмотра информации, отображаемой на них. Остальная цифровая схема может располагаться на других печатных платах. При увеличении количества индикаторов увеличивается количество проводников между платой индикаторов и цифровой платой. Это приводит к определенным неудобствам разработки конструкции и эксплуатации аппаратуры. Эта же причина приводит к увеличению ее стоимости.
Количество соединительных проводников можно уменьшить, если заставить индикаторы работать в импульсном режиме. Человеческий глаз обладает инерционностью и если заставить индикаторы отображать информацию поочередно с достаточно большой скоростью, то человеку будет казаться, что все индикаторы отображают свою информацию непрерывно. В результате можно по одним и тем же проводникам поочередно передавать отображаемую информацию. Обычно достаточно частоты обновления информации 50 Гц, но лучше увеличить эту частоту до 100 Гц.
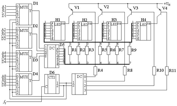
Рассмотрим структурную схему включения семисегментных светодиодных индикаторов, приведенную на рис. 8.27. Эта схема может обеспечить динамическую индикацию выдаваемой цифровой информации.
|
|
|

Рис. 8.27. Структурная схема динамической индикации.
В схеме, приведенной на рис. 8.27, отображаются четыре цифровых разряда. Каждый разряд кратковременно подключается к своему входу коммутатора. Генератор служит для задания скорости обновления информации на индикаторах. Двоичный счетчик последовательно формирует четыре состояния схемы, а дешифратор через ключи обеспечивает поочередную подачу питания на семисегментные индикаторы.
В результате, когда коммутатор подает двоично-десятичный код с входа A на входы семисегментного дешифратора, то этот код отображается на индикаторе H1. Когда коммутатор подает на входы семисегментного дешифратора двоично-десятичный код с входа B, то этот код отображается на индикаторе H2, и так далее, по циклу.
Скорость обновления информации в рассмотренной схеме будет в четыре раза меньше частоты генератора. То есть для того, чтобы получить частоту мерцания индикаторов 100 Гц, требуется частота генератора 400 Гц.
При импульсном режиме работы яркость свечения индикатора падает в N раз, где коэффициент N равен скважности импульсов тока, подаваемых на этот индикатор.
Для сохранения той же яркости свечения требуется увеличить величину импульсного тока, протекающего через сегмент, в N раз. Для восьмиразрядного индикатора коэффициент N равен восьми. Пусть первоначально выбран статический ток через светодиод, равный 3 мА. Тогда для сохранения той же яркости свечения светодиода в восьмиразрядном индикаторе потребуется импульсный ток:
|
|
|
Iсег дин = Iсег стат × N = 3мА×8 = 24мА.
Теперь определим импульсный ток, который будет протекать через ключ, коммутирующий питание на отдельные разряды восьмиразрядного блока индикации. При отображении цифры 8 потребуется зажечь все семь сегментов индикатора, значит импульсный ток, протекающий в этот момент через ключ, можно определить следующим образом:
Iкл = Iсег дин × Nсег = 24мА×7 = 168мА.
Для получения такого тока необходимо введение в схему дополнительных транзисторных ключевых каскадов V1…V4.
Несомненным достоинством динамической индикации является малое количество соединительных проводов, что делает ее незаменимой в некоторых случаях, таких как работа с матричными индикаторами.
В качестве недостатка следует отметить наличие больших импульсных токов, а так как любой проводник является антенной, то динамическая индикация служит мощным источником помех. Еще одним путем распространения помех является источник питания.
Обратим внимание, что фронты у коммутирующих импульсов очень короткие, поэтому их гармонические составляющие перекрывают диапазон радиочастот вплоть до ультракоротких волн.
Итак, применение динамической индикации позволяет минимизировать количество соединительных проводов между цифровым устройством и индикатором, но является при этом мощным источником помех, поэтому ее применение в радиоприемных устройствах нежелательно.
Если по каким-либо причинам, например, необходимость применения матричных индикаторов, приходится использовать динамическую индикацию, то нужно принять все меры по подавлению помех.
В качестве мер по подавлению помех от динамической индикации можно назвать экранирование блока, соединительного кабеля и плат. Использование минимальной длины соединительных проводов, применение фильтров по питанию. При экранировании блока, возможно, потребуется экранировать и сами индикаторы. При этом обычно используется металлическая сетка. Эта сетка одновременно может увеличить контрастность отображаемых символов.






