ПОЛУЧЕНИЕ ПОЛИМЕРНЫХ ПЛЕНОЧНЫХ
МАТЕРИАЛОВ
Пленки – это тонкие полимерные материалы толщиной до 100-200 мкр. без основы. Основным сырьем для производства пленок является ПЭ, ПП, ПА, ПВХ, ПС, ПВС, ПЭТФ и др. Наиболее крупнотоннажными из перечисленных, которые преимущественно используются в легкой индустрии, являются ПЭ, ПЭТФ и реже ПА. Пленки можно получать из расплавов, растворов и дисперсии. Наиболее распространенный способ получения пленок (95%) – получение из расплавов. По структуре пленки делят на пористые, монолитные, пористо-монолитные, однослойные, многослойные и армированные.
Основными способами получения пленок из расплавов являются:
1. Метод экструзии.
2. Метод каландрования.
3. Переносной метод.
МЕТОД ЭКСТРУЗИИ
Имеет две разновидности:
1. Метод экструзии рукава с раздувом – продавливание расплава через кольцевую головку экструдера.
2. Метод плоскощелевой экструзии – продавливание расплава через плоскощелевую головку экструдера.
С последующей фиксацией структуры в обоих случаях методом охлаждения.
|
|
|
Технология получения пленок методом экструзии рукава с раздувом
Наиболее распространенный из всех способов производства пленок. Основное сырье ПЭ высокого давления (низкой плотности), но можно использовать и другие марки ПЭНД, ПП, ПС, ПВХ и другие полимеры.
Сырье для данного метода представляет собой гранулы ПЭ, которые могут быть прозрачными или окрашенными в массе, в этом случае получают полупрозрачные окрашенные пленки. Часто для получения окрашенных пленок добавляют суперконцентрат – гранулированный краситель (пигмент), распределенный в матрице полимера.
Преимущества метода:
– гибкость и универсальность;
– простота;
– возможность получения пленок разной толщины и разной степени ориентации;
– отсутствие отходов;
– возможность получения пленок шириной до 24 м;
– возможность получения многослойных пленок;
– возможность одновременного получения рукавной пленки и заполнения рукава сыпучими ингредиентами (продуктами).
Недостатки:
– большие энергозатраты;
– большие габариты оборудования;
–требования по высоте цехов и отсутствию сквозняков;
Блок схема производства
БЛОК – СХЕМА ПРОИЗВОДСТВА
| Анализ сырья и материалов | ||||||
| ↓ | ||||||
| Подача гранул в загрузочную воронку экструдера | ||||||
| ↓ | ||||||
| Нагрев, смешение пластикация, плавление и гомогенизация расплава | ||||||
| ↓ | ||||||
| Формирование расплава в кольцевой головке экструдера | ||||||
| ↓ | ||||||
| Раздув рукава и его одновременное охлаждение | ||||||
| ↓ | ||||||
| Намотка пленки с одновременной обрезкой кромок и (или) разрезанием рукава | ||||||
| ↓ | ||||||
| Сортировка, маркировка, упаковка |
Для реализации этой блок – схемы используется оборудование, представляющее собой агрегаты со следующей маркировкой:
|
|
|
АРП – агрегат рукавной пленки;
УРП – установка по производству рукавной пленки;
АРП – 1500 – 45 (1500- ширина пленки, 45 – диаметр червяка экструдера)
Иногда маркируется не сама установка, а только экструдер УП – 20 - 25 червячный, 20– диаметр червяка, 25 – соотношение червяка и его диаметра. УП –2 – 20 – 25 (двухчервячный экструдер).
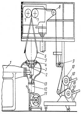
Формирование рукава может осуществляться вертикально (1) или горизонтально(2), что зависит от конструкции установки. У вертикального раздува есть преимущество. При переходе с одной ширины на другую не надо менять кольцевую головку, а изменить лишь степень раздува. Только при вертикальном раздуве можно получать как изотропные, так и ориентационные пленки.
Схема
1 

Схема 2

1- дозирующий бункер;
2- экструдер;
3- 3-угловая (схема 1) или прямоточная (схема2) кольцевая головка;
4- рукав;
5- приспособление для складывания рукава – щечки;
6- тянульные валы (приемные);
7- направляющие валики;
8- устройство для разрезания рукава или обрезки кромок;
9- намоточное устройство.
Схема работает следующим образом:
Гранулы сырья, предварительно прошедшие анализ на соответствие требованиям ТУ, через загрузочный бункер подаются в загрузочную воронку литьевого экструдера. В результате прохождения полимера через цилиндр экструдера происходят процессы пластикации, плавления, гомогенизации расплава. При этом температура регулируется по зонам. Для ПЭВД (Т пл = 103-110°С) температура по зонам составляет от 125 до 145° С. Для ПЭНД (Т пл= 125-145°С) температура по зонам составляет от 140 до 185° С, Для ПП (Т пл=170-190°С) 185-245°С
Расплав полимера, пойдя экструдер, под давлением продавливается через кольцевую головку. Кольцевой канал – это зазор между дорном и мундштуком. Толщина канала может регулироваться и составляет она от 0,35 до 1 мм (для однослойных пленок). Дорн закреплен с помощью дорнодержателя, который рассекает расплав на струйки, которые, пройдя через канал, вновь собираются вместе. Как правило, кольцевая головка осцилисцирующая, т. е находится в колебании, для обеспечения однородности пленки. Между экструдером и головкой стоит фильтр. После выхода расплава из головки он подвергается раздуву при одновременном растяжении вдоль направления движения. Охлаждение осуществляется холодным воздухом, который подается снизу и снаружи через охлаждающееся обдувочное кольцо. Обдувочное кольцо может перемещаться по рукаву и тем самым происходит изменение положения линии кристаллизации. Степень раздува обозначается Ер = Др/Ддотношение диаметра рукава к диаметру дорна. Степень раздува определяется продольной вытяжкой Ер = Vв/Vэ – отношение скорости вытяжки к скорости экструзии.