Сплавы железо – углерод, в которых углерода более 2,14%, называют чугунами. Чугуны, в которых углерод содержится в связанном состоянии (в виде цементита), называют белыми чугунами. Название возникло благодаря характерному цвету излома таких сплавов. Анализ структур белых чугунов проводят по метастабильной диаграмме Fe – Fe3C (Рис.3).
Сплав 6. Кристаллизация происходит в один этап при температуре ниже 1130°С. Жидкая фаза с 4,3 %С образует эвтектическую структуру: смесь аустенита с 2,14 %С и цементита (А+Ц), которая называется ледебуритом. Как и всякая эвтектическая реакция, образование ледебурита протекает при постоянной температуре и постоянном составе фаз. При эвтектической реакции ниже (1130°С) содержание углерода в аустените максимально (2,14 %). Дальнейшее охлаждение от температуры 1130°С до 723°С приводит к непрерывному уменьшению в нем углерода согласно линии ЕS. Углерод выделяется из аустенита в виде цементита, который называется вторичным цементитом (ЦII.). Однако он, как правило, не обнаруживается, так как соединяется с эвтектическим цементитом. Ниже температуры 723°С аустенит эвтектики состава (0,8 %С) претерпевает эвтектоидное превращение, т.е. образуется перлит. Таким образом, ниже 723°С ледебурит представляет собой смесь перлита и цементита (П+Ц)(рис.6а). При охлаждении до комнатной температуры в результате изменения растворимости углерода в феррите (линия РQ) выделяется третичный цементит. Однако в структуре он не обнаруживается. На рис. 6 б показана структура белого чугуна эвтектического состава. Она представляет собой одну эвтектику – ледебурит. Темные участки (зернышки и пластинки) отвечают перлитным включениям, равномерно распределенные на светлом фоне цементита.
|
|
|
Сплав 7. От температуры ниже линии ликвидус АС до 1130°С из жидкости выделяются кристаллы аустенита. Состав жидкой фазы меняется по линии ликвидус, стремясь к эвтектическому, а твердой фазы по линии солидус, стремясь к составу точки Е. При температуре 1130°С концентрация жидкой фазы достигает точки С (4,3 %С), а аустенита состава точки Е (2,14 %С). Из жидкости эвтектического состава образуется смесь аустенита и цементита (А+Ц) – ледебурит. Ниже эвтектической линии ЕСF структура состоит из кристаллов аустенита и ледебурита состава А+Ц. При охлаждении от 1130 до 723°С состав аустенита непрерывно меняется по линии ЕS, при этом выделяется цементит вторичный (ЦII.). Вторичный цементит выделяется как из избыточного аустенита, так и из аустенита эвтектики. Однако, если вторичный цементит, выделяющийся из аустенита эвтектики, присоединяется к эвтектическому цементиту, то из избыточного аустенита он выделяется в виде оболочек вокруг аустенитных зерен и представляет собой самостоятельную структурную составляющую. Ниже 723°С весь аустенит: и избыточный, и тот, который входит в состав эвтектики – претерпевает эвтектоидное превращение, при котором образуется перлит. Таким образом, ниже 723°С структура доэвтектического белого чугуна состоит из перлита, цементита вторичного и ледебурита состава перлит плюс цементит (П+ЦII+Л). Структура сплава 7 изображена на рис.6б. Чем ближе состав сплава к эвтектическому, тем больше в нем эвтектики – ледебурита.
|
|
|
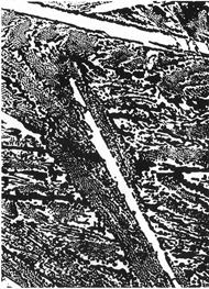
Сплав 8. Кристаллизация начинается с образования кристаллов цементита при температуре ниже линии СD. Такой цементит называют первичным (ЦI). При охлаждении состав жидкой фазы меняется по линии СD, твердая – остается без изменения. При температуре 1130°С совершается эвтектическое превращение и образует ледебурит. При дальнейшем охлаждении изменение состава аустенита по линии ЕS приводит к выделению цементита вторичного (ЦII), который присоединяется к эвтектическому. Ниже 723°С превращается в перлит. Таким образом, ниже 723°С структура сплава 8 состоит из цементита первичного (белые пластины) и ледебурита ЦI + Л (рис.6в).
Сплавы, с содержанием углерода от 2,14% до 4,3% имеют структуру перлит, цементит вторичный и ледебурит (П+ЦII+Л), называют доэвтектические белые чугуны.
Сплавы, с содержанием углерода @4,3% имеют структуру ледебурит (Л), называют эвтектические белые чугуны.
Сплавы, с содержанием углерода от 4,3% до 6,67% имеют структуру цементит первичный и ледебурит (ЦI+Л), называют заэвтектические белые чугуны.

Рис. 6. Структура белого чугуна.






