Сущность процесса заключается в совместном термическом деформационном воздействии на соединяемые детали.
Существуют следующие основные способы контактной сварки:
- стыковая сварка (сопротивлением и оплавлением);
- точечная сварка;
- шовная сварка;
- рельефная сварка.
1. Стыковая сварка сопротивлением - метод контактной сварки, при которой детали соединяются по всей поверхности соприкосновения (рис. 6.10.).
![]() |
Рис. 6.10. Контактная стыковая сварка:
1,4 –неподвижные плиты; 2,3 – зажимы.
Детали, зажатые в электродах сварочной машины, сжимают с силой Р за счет перемещения плит, для обеспечения физического контакта свариваемых поверхностей. Затем включают ток, металл разогревают до пластического состояния, далее его деформируют до образования неразъемного соединения. Этим способом сваривают:
Сталь, СИ,АL и их сплавы,нихром- детали компактного сечения d ≤ 40 мм.
2. Стыковая сварка оплавлением – метод сварки, при котором детали сближают с одновременным включением тока. В момент сближения торцов начинается процесс расплавления единичных выступов. По мере продолжающегося сближения деталей число контактов непрерывно растет и заканчивается когда обе торцовые поверхности будут покрыты тонким и равномерным слоем жидкого металла. Процесс происходит очень быстро и для оплавления всей торцевой поверхности детали в зависимости от сечения необходимо затратить 0,5-3 с (рис. 6.11).
|
|
|
![]() |
Рис. 6.11. Последовательность процесса оплавления.
Область применения:Сталь, СИ,АL и их сплавы, стержни, трубы, профильный прокат Fдо 100000 мм2(для стали).
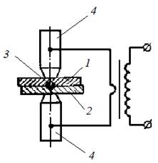
3. Точечная сварка – это способ контактной сварки, при которой детали соединяются в отдельных точках (рис. 6.12.).
![]() |
При точечной сварке детали соединяются внахлестку и зажимают с усилием между двумя медными электродами, через которые подводят ток к месту сварки.
Рис. 6.12. Принципиальная схема контактной точечной сварки:
1,2 – соединяемые заготовки; 3 – пятно контакта; 4 – медные электроды.
Область применения:листы с S ≤ 6 мм, профиль + лист(обшивка), литые заготовки + лист, черные и цветные сплавы, штампованные детали.
4. Шовная сварка - это модернизированный вид точечной сварки. Так же как при точечной сварке, детали соединяют внахлёстку, так же зажимают между медными электродами, только электроды выполнены в виде роликов. При отсутствии вращения электродов-роликов при пропускании тока образуется сварная точка. Если роликам сообщить вращательное движение с одновременным пропусканием тока, то получают перекрывающие друг друга сварные точки, образующие сплошной герметичный шов.
Область применения: черные и цветные сплавы, листы, емкости, герметичные конструкции с толщиной листа S ≤ 4 мм.









