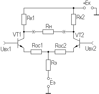
В настоящее время наибольшее распространение получили УПТ на основе дифференциальных (параллельно-балансных или разностных) каскадов. Такие усилители просто реализуются в виде монолитных ИМС и широко выпускаются промышленностью (КТ118УД, КР198УТ1 и др.). На рисунке 5.5 приведена принципиальная схема простейшего варианта дифференциального усилителя (ДУ) на БТ.

Рисунок 5.5. Схема ДУ
Любой ДУ выполняется по принципу сбалансированного моста, два плеча которого образованы резисторами Rк1 и Rк2, а два других — транзисторами VT1 и VT2. Сопротивление нагрузки Rн включено в диагональ моста. Резисторы цепи ПООСТ RОС1 и RОС2 обычно невелики или вообще отсутствуют, поэтому можно считать, что резистор Rэ подключен к эмиттерам транзисторов.
Двухполярное питание позволяет обойтись на входах (выходах) ДУ без мостовых схем за счет снижения потенциалов баз (коллекторов) до потенциала общей шины.
Рассмотрим работу ДУ для основного рабочего режима — дифференциального. За счет действия Uвх 1 транзистор VT1 приоткрывается, и его ток эмиттера получает приращение Δ Iэ 1, а за счет действия Uвх 2 транзистор VT2 призакрывается, и ток его эмиттера получает отрицательное приращение –Δ Iэ 2. Следовательно, результирующее приращение тока в цепи резистора Rэ при идеально симметричных плечах близко к нулю и, следовательно, ООС для дифференциального сигнала отсутствует.
|
|
|
При анализе ДУ выделяют два плеча, представляющие собой каскады с ОЭ, в общую цепь эмиттеров транзисторов которых включен общий резистор Rэ, которым и задается их общий ток. В связи с этим представляется возможным при расчете частотных и временных характеристик ДУ пользоваться соотношениями подразделов 2.5 и 2.12 с учетом замечаний, приведенных в подразделе 4.4. Например, коэффициент усиления дифференциального сигнала KU диф будет равен в случае симметрии плеч (см. подраздел 4.4) KU диф =2· KU пл = K 0, т.е. дифференциальный коэффициент усиления равен коэффициенту усиления каскада с ОЭ.
ДУ отличает малый дрейф нуля, большой коэффициент усиления дифференциального (противофазного) сигнала KU диф и большой коэффициент подавления синфазных помех, т.е. малый коэффициент передачи синфазного сигнала KU сф.
Для обеспечения качественного выполнения этих функций необходимо выполнить два основных требования. Первое из них состоит в обеспечении симметрии обоих плеч ДУ. Приблизиться к выполнению этого требования позволила микроэлектроника, поскольку только в монолитной ИМС близко расположенные элементы действительно имеют почти одинаковые параметры с одинаковой реакцией на воздействие температуры, старения и т.п.
|
|
|
Второе требование состоит в обеспечении глубокой ООС для синфазного сигнала. В качестве синфазного сигнала для ДУ выступают помехи, наводки, поступающие на входы в фазе. Поскольку Rэ создает глубокую ПООСТ для обоих плеч ДУ, то для синфазного сигнала будет наблюдаться значительное уменьшение коэффициентов передачи каскадов с ОЭ, образующих эти плечи.
Коэффициент усиления каждого плеча для синфазного сигнала можно представить как K 0 ОС каскада с ОЭ при глубокой ООС. Согласно подраздела 3.2 имеем:
KU сф 1 ≈ Rк 1/ Rэ,
KU сф 2 ≈ Rк 2/ Rэ.
Теперь можно записать для KU сф всего ДУ:
KU сф ≈ Δ Rк / Rэ,
где Δ Rк = | Rк 1 – Rк 2|.
Для оценки подавления синфазного сигнала вводят коэффициент ослабления синфазного сигнала (КОСС), равный отношению модулей коэффициентов передач дифференциального и синфазного сигналов.
Из сказанного следует, что увеличение КОСС возможно путем уменьшения разброса номиналов резисторов в цепях коллекторов (в монолитных ИМС — не более 3%) и путем увеличения Rэ. Однако увеличение Rэ требует увеличения напряжения источника питания (что неизбежно приведет к увеличению рассеиваемой тепловой мощности в ДУ), и не всегда возможно из-за технологических трудностей реализации резисторов больших номиналов в монолитных ИМС.
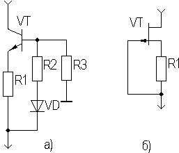
Решить эту проблему позволяет использование электронного эквивалента резистора большого номинала, которым является источник стабильного тока (ИСТ), варианты схем которого приведены на рисунке 5.6.

Рисунок 5.6. ИСТ на БТ и ПТ
ИСТ подключается вместо Rэ (см. рисунок 5.5), а заданный ток и термостабильность обеспечивают элементы R1, R2, Rэ и VD1 (рисунок 5.6а), и R1 (рисунок 5.6б). Для реальных условий ИСТ представляет собой эквивалент сопротивления для изменяющегося сигнала номиналом до единиц мегом, а в режиме покоя — порядка единиц килоом, что делает ДУ экономичным по питанию.
Использование ИСТ позволяет реализовать ДУ в виде экономичной ИМС, с КОСС порядка 100 дБ.
При использовании ПТ характер построения ДУ не меняется, следует только учитывать особенности питания и термостабилизации ПТ.






