До сих пор мы предполагали, что сигнал на входе триггера может принимать только два состояния: логический ноль и логическая единица. Однако синхроимпульс может прийти в любой момент времени, в том числе и в момент смены состояния сигнала на входе триггера.
Если синхросигнал попадёт точно на момент перехода входным сигналом порогового уровня, то триггер на некоторое время может попасть в неустойчивое метастабильное состояние, при котором напряжение на его выходе будет находиться между уровнем логического нуля и логической единицы. Это может привести к нарушению правильной работы цифрового устройства.
Состояние метастабильности триггера подобно неустойчивому состоянию шарика, находящегося на вершине конического холма. Такая ситуация иллюстрируется рисунком 1. Обычно триггер не может долго находиться в состоянии метастабильности и быстро возвращается в одно из стабильных состояний. Время нахождения в метастабильном состоянии зависит от уровня шумов схемы и использованной технологии изготовления микросхем.
|
|
|
Рисунок 12. Иллюстрация явления метастабильности
Временные параметры триггера в момент возникновения состояния метастабильности и выхода из этого состояния приведены на рисунке 2. Время tSU (register setup time or tSU) на этом рисунке это минимальное время перед синхроимпульсом, в течение которого логический уровень сигнала должен оставаться стабильным для того, чтобы избежать метастабильности выхода триггера. Время tH (register hold time or tH) это минимально необходимое время удержания стабильного сигнала на входе триггера для того, чтобы избежать метастабильности его выхода. Время состояния метатастабильности случайно и зависит от многих параметров. На рисунке 2 оно обозначено tMET.
Рисунок 13. Временные параметры триггера при проявлении метастабильности
Вероятность того, что время метастабильности превысит заданную величину, экспоненциально уменьшается с ростом времени, в течение которого выход триггера находится в метастабильном состояние.

где t — это коэффициент обратно пропорциональный коэффициенту усиления и полосе пропускания элементов, входящих в состав триггера.
Склонность триггеров к метастабильности обычно оценивается величиной, обратной скорости отказов. Это значение выражается как интервал времени между отказами. Его можно определить по формуле:

Для того чтобы можно было оценить эту величину, приведём таблицу для двух микросхем. Последняя строчка этой таблицы эквивалентна времени метастабильности tMET = 5 нс.
Таблица 3. Сравнительные характеристики КМОП и Bi-КМОП триггеров
|
|
|
| Условия измерения | SN74ACT | SN74ABT |
| fc = 33МГц, fd = 8МГц | 8400 лет | 8.1*109 лет |
| fc = 40МГц, fd = 10МГц | 92 дня | 1400 лет |
| fc = 50МГц, fd = 12МГц | - | 2 часа |
Метастабильное состояние не всегда приводит к неправильной работе цифрового устройства. Если время ожидания устройства после прихода импульса синхронизации достаточно велико, то триггер может успеть перейти в устойчивое состояние, и мы даже ничего не заметим. То есть если мы будем учитывать время метастабильности tmet то метастабильность никак не скажется на работе остальной цифровой схемы.
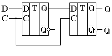
Если же это время будет неприемлемым для работы схемы, то можно поставить два триггера последовательно, как это показано на рисунке 3. Это снизит вероятность возникновения метастабильного состояния.
Рисунок 14. Схема снижения вероятности возникновения метастабильного состояния на выходе триггера
Для сравнения приведем MBTF для новой схемы. Сравнение производится тех же самых микросхем, что и в предыдущем примере. Время метастабильности tMET = 5 нс для 50МГц, tMET = 5 нс для 67МГц, tMET = 5 нс для 80МГц.
Таблица 4. Сравнительные характеристики КМОП и Bi-КМОП триггеров
| Условия измерения | SN74ACT | SN74ABT |
| fc = 33МГц, fd = 8МГц | 2.62*1028 лет | 4.77*1047 лет |
| fc = 40МГц, fd = 10МГц | 3,56*1019 дня | 2.18*1034 лет |
| fc = 50МГц, fd = 12МГц | 4.9*1010 | 1*1021 лет |
| fc = 67МГц, fd = 16МГц | 417 лет | 1.28*109 лет |
| fc = 80МГц, fd = 20МГц | - | 2900 лет |






