Параллельные регистры

Параллельный регистр служит для запоминания многоразрядного двоичного (или недвоичного) слова. Количество триггеров, входящее в состав параллельного регистра определяет его разрядность. Схема четырёхразрядного параллельного регистра приведена на рисунке 1, а его условно-графическое обозначение — на рисунке 2.


Рисунок 1. Схема параллельного регистра

В условно-графическом обозначении возле каждого входа D указывается степень двоичного разряда, который должен быть запомнен в этом триггере регистра. Точно таким же образом обозначаются и выходы регистра. То, что микросхема является регистром, указывается в центральном поле условно-графического обозначения символами RG.

В приведённом на рисунке 2 условно-графическом обозначении параллельного регистра инверсные выходы триггеров не показаны. В микросхемах параллельных регистров инверсные выходы триггеров часто не выводятся наружу для экономии количества выводов корпуса.


Рисунок 2. Условно-графическое обозначение параллельного регистра

При записи информации в параллельный регистр все биты (двоичные разряды) должны быть записаны одновременно. Поэтому все тактовые входы триггеров, входящих в состав регистра, объединяются параллельно. Для уменьшения входного тока вывода синхронизации C на этом входе в качестве усилителя часто ставится инвертор.

Следует помнить, что назначение разрядов является условным. Если по каким либо причинам (например, с точки зрения разводки печатной платы) удобно изменить нумерацию разрядов, то это можно свободно сделать. При перенумерации входов регистров нужно не забывать, точно таким же образом, изменить номера выходов параллельного регистра.

Для реализации параллельного регистра можно использовать как триггеры с статическим, так и с динамическим входом синхронизации. В переводной литературе при использовании для построения параллельного регистра триггеров-защелок этот регистр, в свою очередь, называют регистром-защелкой.

При использовании регистров со статическим входом тактирования следует соблюдать осторожность, так как при единичном потенциале на входе синхронизации C. сигналы с входов регистра будут свободно проходить на его выходы. В таких случаях обычно используется двухтактная синхронизация, подобная рассмотренной в главе, посвященной использованию одновибраторов.

Промышленностью выпускаются четырёхразрядные и восьмиразрядные микросхемы параллельных регистров. Для построения восьмиразрядных микросхем обычно используются регистры со статическим входом синхронизации. В качестве примера можно назвать микросхемы К580ИР22 и 1533ИР33 (иностранный аналог 74ACT573).

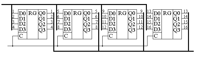
При решении практических задач часто требуется разрядность параллельных регистров большая восьми. В таком случае можно увеличивать разрядность регистров параллельным соединением готовых микросхем. Принципиальная схема параллельного соединения четырёх регистров приведена на рисунке 3.


Рисунок 3. Увеличение разрядности параллельного регистра

В настоящее время параллельные регистры обычно являются частью более сложных цифровых устройств, таких как цифровые фильтры, ОЗУ, синтезаторы частот или схемы прямого цифрового синтеза DDS. Подобные схемы не реализуются на микросхемах средней интеграции, а являются частью больших интегральных микросхем (БИС), таких как микропроцессоры, ASIC или FPGA.





Подборка статей по вашей теме: