Фронт сигнала синхронизации, в отличие от высокого (или низкого) потенциала, не может длиться продолжительное время. В идеале длительность фронта равна нулю. Поэтому в триггере, запоминающем входную информацию по фронту не нужно предъявлять требования к длительности тактового сигнала.
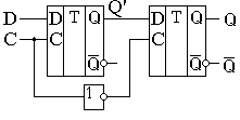
Триггер, запоминающий входную информацию по фронту, может быть построен из двух триггеров, работающих по потенциалу. Сигнал синхронизации будем подавать на эти триггеры в противофазе. Схема такого триггера приведена на рисунке 12.
Рисунок 15. Схема D-триггера, работающего по фронту
Рассмотрим работу схемы триггера, приведенной на рисунке 12 подробнее. Для этого воспользуемся временными диаграммами, показанными на рисунке 13. На этих временных диаграммах обозначение Q΄ соответствует сигналу на выходе первого триггера. Так как на вход синхронизации второго триггера тактовый сигнал поступает через инвертор, то когда первый триггер находится в режиме хранения, второй триггер пропускает сигнал на выход схемы. И наоборот, когда первый триггер пропускает сигнал с входа схемы на свой выход, второй триггер находится в режиме хранения.
|
|
|
Рисунок 16. Временные диаграммы D-триггера
Обратите внимание, что сигнал на выходе всей схемы в целом не зависит от сигнала на входе "D" схемы. Если первый триггер пропускает сигнал данных со своего входа на выход, то второй триггер в это время находится в режиме хранения и поддерживает на выходе предыдущее значение сигнала, то есть сигнал на выходе схемы тоже не может измениться.
В результате проведённого анализа временных диаграмм мы определили, что сигнал в схеме, приведенной на рисунке 12 запоминается только в момент изменения сигнала на синхронизирующем входе "C" с единичного потенциала на нулевой.
Динамические D триггеры выпускаются в виде готовых микросхем или входят в виде готовых блоков в составе больших интегральных схем, таких как базовый матричный кристалл (БМК) или программируемых логических интегральных схем (ПЛИС).
Условно-графическое обозначение D триггера, запоминающего информацию по фронту тактового сигнала, приведено на рисунке 12.
Рисунок 17. Условно-графическое обозначение D-триггера
То, что триггер запоминает входной сигнал по фронту, отображается на условно-графическом обозначении треугольником, изображённым на выводе входа синхронизации. То, что внутри этого триггера находится два триггера, отображается в среднем поле условно-графического изображения двойной буквой T.
Иногда при изображении динамического входа указывают, по какому фронту триггер (или триггеры) изменяет своё состояние. В этом случае используется обозначение входа, как это показано на рисунке 15.
|
|
|

Рисунок 18. Обозначение динамических входов
На рисунке 18 а обозначен динамический вход, работающий по переднему (нарастающему) фронту сигнала. На рисунке 18 б обозначен динамический вход, работающий по заднему (спадающему) фронту сигнала.
Промышленностью выпускаются готовые микросхемы, содержащие динамические триггеры. В качестве примера можно назвать микросхему 1533ТМ2. В этой микросхеме содержится сразу два динамических триггера. Они изменяют своё состояние по переднему фронту сигнала синхронизации.






