Дизели типа 12ЧН18/20 — четырехтактные, высокооборотные, двенадцатицилиндровые, V-образные с газотурбинным наддувом приведены на рис. 1. Общий вид дизеля показан на рис. 2. Картер состоит из верхней и нижней частей, отлитых из сплава алюминия. Блок-цилиндры (моноблоки) алюминиевые coстоят из рубашек и стальных азотированных втулок; угол развала блоков 60°. Моноблоки крепятся на верхнем картере силовыми шпильками. Коленчатый вал кованый из легированной стали, азотированный. Главные и прицепные шатуны штампованные, двутаврового сечения, из легированной стали. Поршни, штампованные из сплава алюминия; поршневой палец плавающего типа. Газораспределительный механизм с верхним расположением клапанов и верхним размещением кулачкового распределительного вала. Распределительных валиков по два на каждом моноблоке; клапанов по два впускных и два выпускных. Топливный насос высокого давления по конструкции блочного типа, двенадцатиплунжерный, а топливоподкачивающий насос — шестеренного типа.
Охлаждение водяное двухконтурное или радиаторное. Смазывание под давлением, с сухим картером; маслонагнетающий насос - с центрифугой (в последних модификациях без центрифуги), маслооткачивающий насос - шестеренного типа.
Запуск дизеля обеспечивается сжатым воздухом. Регулятор оборотов дизеля - всережимный, непрямого действия, с упруго-присоединенным катарактом. Наддув осуществляется двумя турбокомпрессорами, расположенными на выхлопных трактах на моноблоке, или турбокомпрессором, расположенным в передней части дизеля на выхлопных коллекторах дизеля.

Рис. 1. Поперечный разрез V-образного моноблочного дизеля 12ЧН18/20:
1,2 — картеры нижний и верхний; 3 — подвеска; 4 — коленчатый вал; 5,6 — шатуны
основной и прицепной; 7 — форсунка; 8 — моноблок; 9 — фильтр топливный; 10 —
трубопровод кольцевой всасывающий; 11 — коллектор выпускной; 12 — поршень; 13 —
топливный насос высокого давления

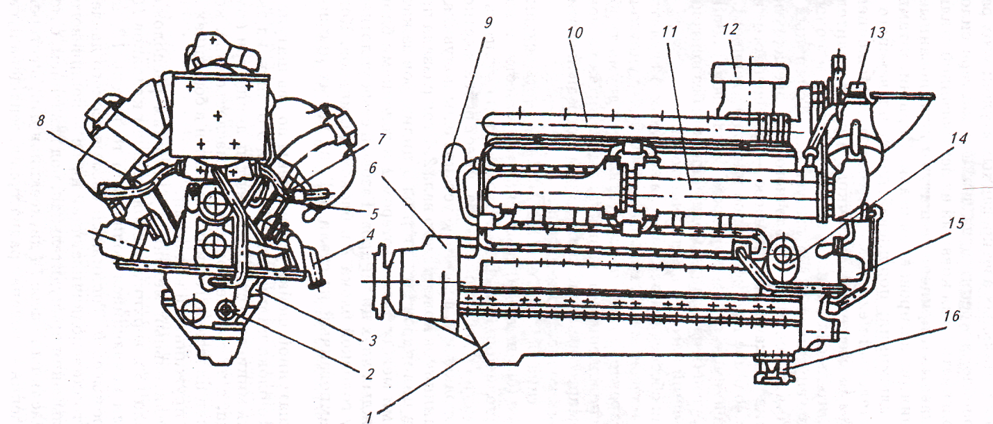
Рис. 2. Общий вид V-образного дизеля с газотурбинным наддувом:
2,3 — нижний и верхний картеры; 2 — двухсекционный насос; 4 — насос 1-го контура; 5 — воздухораспределитель; 6 — носок отбора мощности; 7,8 — правый и левый моноблоки; 9 — топливный фильтр; 10 — кольцевой всасывающий трубопровод; 22 — выпускной коллектор; 12 — воздухозаборный патрубок; 23 — турбокомпрессор; 24, 16 — маслонагнетающий и маслооткачивающий насосы; 25 — центробежное реле скорости
Дизели типа 6Ч 13/14 и 84 13/14 — четырехтактные, высокооборотные (без наддува), выпускаются в шести- и восьмицилиндровом исполнении (рис. 3). Блок-картер 1 отлит из кремнемагниевого чугуна с добавкой титана, имеет ребра жесткости и разделен перегородками 4, в которые установлены полувкладыши коренных подшипников коленчатого вала 2. Угол развала правого и левого блоков цилиндров 90°. Гильзы 6 цилиндров зажаты анкерными связями между блок-картером 1 и головками блоков 7, общими для каждых двух цилиндров. Газовый стык уплотнен прокладкой между головкой блока 7 и блоком цилиндров. Коленчатый вал 2, штампованный из стали 50Г, на щеках привинчены противовесы.

Рис. 3. Поперечный разрез V-образного блок-картерного дизеля
На каждой шатунной шейке установлены по два шатуна 3 для левого и правого блока цилиндров. Поршни 5 отлиты из высококремнистого алюминиевого сплава, имеют на днище три компрессионных кольца, а на тронке поршня два маслосъемных кольца. Поршневой палец плавающего типа закреплен в бобышках поршня стопорными пружинными кольцами.
Газораспределительный механизм с нижним расположением кулачкового вала 13 и верхним расположением клапанов 10 имеет рокерный или качающийся роликовый толкатель 12, привод штанг 11 и коромысел 9. Топливный насос высокого давления 8 блочного типа, топливоподкачивающий насос — поршневого.
Система смазывания принудительная, под давлением, с мокрым картером 15. Масляный насос 14 двухсекционный, шестеренный. Система охлаждения — водяная радиаторная, оснащена пусковым подогревателем в зимнее время года. Регулятор оборотов всережимный, прямого действия. Система пуска электростартерная.






