Кроме расчета плиты перекрытия на эксплуатационные нагрузки их необходимо рассчитывать на нагрузки, возникающие при изготовлении и транспортировке.

Рисунок 2.2.11 – Подъем плиты перекрытия
Расчетная схема работы плиты перекрытия при подъеме приведена на рисунке 2.2.12.

Рисунок 2.2.12 – Расчетная схема плиты перекрытия при подъеме
Как видно из рисунка 3.12 при подъеме плиты перекрытия в верхней зоне плиты перекрытия появляются растягивающие напряжения и как следствие необходимо подобрать арматуру в верхнею зону плиты.
Плиту перекрытия поднимают за петли установленные на расстоянии приблизительно 0,2×lп (принимаемое значение должно быть кратно 50мм).
При подъеме на плиту действует нагрузка только от собственного веса плиты с учетом динамического коэффициента kд=1,4.
q = 10 × mп × kд / lп, /2.2.21/
где
- масса плиты перекрытия в тоннах;
– длина плиты.
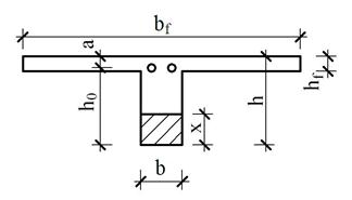
Расчетное сечение при подъеме плиты перекрытия указанно на рисунке 2.2.13.

Рисунок 2.2.13 – Расчетное сечение плиты перекрытия при монтажной нагрузке.
Расчетное сечение представляет собой тавр с растянутой полкой, следовательно расчет данного сечение необходимо проводить как для прямоугольного сечения с шириной b. Первоначальное значение величины а можно принять равным 30мм. Количество стержней которое рекомендуется устанавливать в качестве монтажной - два.
Для определения требуемого значения площади арматуры необходимо выполнить следующие расчеты.
, /2.2.22/
по полученному значению определяем значение относительной высоты сжатой зоны по формуле
или по таблице 3.2. По таблице 3.3 определяем граничное значение относительной высоты сжатой зоны.
Если значение
, то размеров сжатой зоны достаточно можно определить требуемую площадь сечения арматуры, предварительно определив значение коэффициента h по формуле
или по таблице 2.2.2. В случае если
то лучше всего изменить размеры принятого сечения.
Требуемая площадь арматуры:
/2.2.23/
По требуемой площади арматуры подбирается количество и диаметр арматуры. Общая площадь подобранной арматуры должна быть равна или больше требуемого значения.
Далее необходимо проверить минимальный процент армирования и допустимость размещения арматуры.
Для подъема петли предназначены четыре петли. Петли обычно изготавливают из арматуры класса А240. Вид петель приведен на эскизе в таблице 2.2.7.
Диаметр петель можно определить по таблице 2.2.6. При этом нормативное усилие приходящиеся на одну определяется из условия:
. /2.2.24/
значение массы плиты
в формуле 3.26 необходимо принимать в тоннах.
Таблица 2.2.6 – Нормативное усилие веса изделия приходящееся при подъеме на одну петлю из арматуры А240, кН
| Диаметр стержня, мм | ||||||||||||
| Нормативное усилие, кН |
Таблица 2.2.7 – Рекомендуемые размеры петель
| Эскиз | Обозначение | Размеры, мм | |||
| d | 6…12 | 14…18 | 20…22 | 25…32 |
| R | |||||
| r | |||||
| a1 | |||||
| a2 | |||||
| hl | 60+ d | 60+ d | 80+ d | 150+ d |
Таблица 2.2.8 – Анкеровка петель в бетоне lan (согласно эскиза таблицы 3.7)
| Прочность бетона на сжатие в момент первого подъема изделия, МПа | Длина запуска в бетон lan | |
| по а эскиза таблицы 3.7 | по б эскиза таблицы 3.7 | |
| От 7 до 10 | 35d | 25d |
| Свыше 10 до 20 | 30d | 20d |
| Свыше 20 | 25d | 15d |