Колонны среднего ряда воспринимают только вертикальные нагрузки. Вертикальная сила N на колонну действует только со случайным эксцентриситетом ea. Значение ea принимается большим из трех величин: h/30, l0 /600 и 10 мм (где h — высота сечения колонны, l0 - расчетная длина). Поскольку случайный эксцентриситет может быть и справа, и слева от оси, армирование колонны принимается симметричным: Аs = Аs'. В качестве основной арматуры колонны необходимо применять арматуру А300 или А400, в качестве поперечных стержней арматуру В500.
Расчетная длина колонны первого этажа l0 определяется по формуле l0=0,7×Hк. Высоту колонны Hк можно принять равной высоте этажа Hэ.
Для элементов прямоугольного сечения при расчетной длине l0 < 20 h и симметричной арматуре расчет на внецентренное сжатие со случайным эксцентриситетом допускается выполнять из условия:
/2.4.1/
где Nult - предельное значение продольной силы, которую может воспринять элемент, определяемое по формуле:
, /2.4.2/
где As,tot - площадь всей продольной арматуры в сечении элемента,
|
|
|
j - коэффициент определяемый по таблице 5.1 в зависимости от отношений l0/h.
Таблица 2.4.1 – Определение коэффициента j
| ||||
| φ | 0,92 | 0,9 | 0,83 | 0,7 |
Определим значения действующих усилий в колонне первого этажа. Полное усилие в колонне первого этажа определим по формуле:
/2.4.3/
где nэт – количество этажей здания (определено заданием); B, L – размер сетки колонн, м.
Таблица 2.4.2 – Нагрузка на колонну
| Наименование нагрузки | Нормативное значение | gf | Расчетное значение |
| 1 Собственный вес пола (определено в задании) | qn1 | 1,15 | q1 |
2 Собственный вес плиты перекрытия | qn2 | 1,1 | q2 |
3 Собственный вес ригеля , L – расстояние между ригелями в осях | qn3 | 1,1 | q3 |
4 Собственный вес колонны | qn4 | 1,1 | q4 |
| 5 Временная полная (полезная) | qn5 | 1,2 | q5 |
| 6 Собственный вес кровли (условно принимается равным собственному весу пола) | qn6 | 1,15 | q6 |
| 7 Временная снеговая для г.Новосибирска | qn7=1,68 | q7=2,4 |
Расчет стержня колонны
Для проверки прочности стержня колонны первоначально уточним размеры сечения колонны по формуле.
, /2.4.4/
где
- коэффициент армирования сечения, первоначально можно принять равным 0,01; значение коэффициента j - для данной формулы можно принять равным 1.
Для армирования колонн необходимо применять арматуру класса А300 или А400 в зависимости от условий задания.
Размер сечения колонны должен быть не менее чем
. В случае если первоначально принятые размеры сечения колонны недостаточны, необходимо назначить новые размеры сечения, удовлетворяющие принятым требованиям, при этом размеры сечения должны быть кратны 50мм.
Требуемое значение площади арматуры можно определить по формуле:
|
|
|
/2.4.5/
Для армирования колонны рекомендуется применять 4, 6 или 8 стержней.
Далее необходимо проверить конструктивные требования при армировании сечения.
Коэффициент армирования в процентах
должен быть не менее 0,1 % - при
и 0,25 % - при
). При этом минимально допустимое армирование составляет четыре стержня диаметром 12мм.
Существует оптимальный процент армирования сечения колонн равный 1¸2%, при котором наиболее полно используется сечение колонны.
Если все конструктивные требования выполняются необходимо окончательно выполнить проверку прочности сечения. В противном случае необходимо заново подобрать сечение колонны и подобрать арматуры.
Окончательная проверка прочности сечения колонны выполняется по формуле:
/2.4.6/
Так как в колонне действуют только продольные усилия, то есть отсутствует поперечная сила, то поперечная арматура по расчету не требуется. Поперечная арматура в колонне устанавливается конструктивно в соответствии с требованиями: шаг поперечных стержней не более 15×d и не более 500мм. Диаметр поперечных стержней должны быть не менее чем 0,25×ds, где ds - диаметр продольных стержней. Поперечные стержни устанавливаются для обеспечения продольными стержнями устойчивости, то есть предотвратить боковое выпучивание стержней. Расстояние между продольными стержнями должно быть не более 400мм, в противном случае необходимо устанавливать дополнительные промежуточные вертикальные стержни.
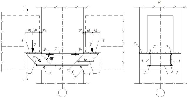
Расчет консоли колонны
Опирание ригеля на колонну осуществляется через короткие скрытые консоли. Общий вид и армирование консоли колонны приведены на рисунке 2.4.1. Так как консоли имеют достаточно малые размеры, то их армирование осуществляется с помощью жесткой арматуры, состоящей из пластин 1, соединенных между собой арматурными стержнями 2, 3, 4, и закладными деталями 5.
На консоли колонны действует сосредоточенное усилие Q от опорной реакции ригеля. Действующее усилие вызывает растяжение в арматурных стержнях 2 и сжатие в пластинах 1.

Рисунок 2.4.1 – Консоль колонны
Усилие действующее в пластине 1 определяется по формуле:
, /2.4.7/
тогда требуемая площадь пластины 1 равняется:
, /2.4.8/
где Ry – расчетное сопротивление стали пластины. Для пластины можно принять сталь С245, тогда Ry=240МПа.
Площадь сечения пластины равняется
, где t – толщина пластины.
Высота
. /2.4.9/
Требуемая площадь сечения арматурных стержней 2 равняется
, /2.4.10/
где Ns – растягивающие усилие в стержне 2, определяемое по формуле
.
Нижние стержни 3 и 4 принимают обычно такого же диаметра, что и стержни 2.
Стык колонн
Колонны сборного каркаса обычно изготавливают на два или один этаж. Стык колонн выполняется на расстоянии 600мм от уровня пола. В курсовом проекте необходимо законструировать стык колонн.
Вид стыка колонны приведен на рисунке 2.4.2.

Рисунок 2.4.2 - Оголовок колонны
Закладная деталь устанавливаемая в верхней части оголовка колонны являющаяся площадью сжатия должна иметь размеры не более bloc£b/3.
Размер ячейки сеток косвенного армирования а должна быть в пределах от 45 до 100мм, при этом она должна быть не более b/4. Шаг сеток косвенного армирования должен быть не более 150мм и не более b/3. Расстояние, на котором устанавливаются сетки, ld³20×ds, где ds – диаметр продольных стержней колонны. Для колонны обычно применяют арматуру класса А400 диаметром 6¸8мм и арматуру В500 диаметром 3¸5мм. Количество сеток должно быть не менее 4.
, L – расстояние между ригелями в осях