В лекции рассматривается особенность организации ВР первого контура и действия при отклонении показателей от норм, а также робота СВО.
6.4. Действия при отклонении показателей ВХР от норм
При отклонении показателей теплоносителя первого контура от нормативных, в условиях работы реактора на мощности нормами предусмотрены предельные отклонения, каким соответствуют уровни действия, что приводятся в табл.6.3.
Первый уровень действия наступает при отклонении значений параметров (хотя бы одного с них) в пределах, которые приведены в табл. 6.3. Он требует немедленного установления причины нарушений ВР и использования мер по устранению отклонений параметров на протяжении не более чем 7 суток. Если отклонения ликвидировать на протяжении этого времени не удается то реактор переводится с регламентной скоростью в состояние “гарячий резерв” и наступает второй уровень действий, который позволяет продолжение действий по устранению причин отклонений от норм на протяжении ещё одних суток.
Если на протяжении этих 24 часов показатели не будут доведены до норм, то реактор переводят в состояние “горячий останов“. При мгновенном ухудшении показателей с достижением границ другого уровня, действия на этом уровне начинаются не позже чем через 16 ч.
Третий уровень действий начинается по отклонению параметров хотя бы по одному показателю в приведенных пределах и предусматривает переведение реактора с регламентной скоростью в состояние “холодная остановка”.
Подъем мощности возможен только после устранения причин отклонения от норм.
Таблица 6.3
Показатели, которые ограничивают эксплуатацию, и их диапазон
| Показатель | Норма | Отклонения от допустимого значения | ||
| первый уровень | второй уровень | третий уровень | ||
| Cl-, мг/л | ≤ 0,1 | - | › 0,1 до 0,2 | › 0,2 |
| F-, мг/л | ≤ 0,1 | - | › 0,1 до 0,2 | › 0,2 |
| O2, мкг/л | ≤ 5 | › 5 до 20 | › 20 к 100 | › 100 |
| H2, мг/л | От 2,2 до 4,5 | Меньше 2,2 до 1,3 Более 4,5 до 7,2 | Меньше 1,3 до 0,5 Более 7,2 до 9,0 | ‹ 0,5 › 9,0 |
| Σ K+Li+Na, моль/л | Зона А | Зона Б и В | Зона Г и Д | Зона Е |
Приведенные в таблице области параметров указанны в [21, рис.5.1], схематически показаны на рис.6.2.
Имеются также эксплуатационные границы, при достижении которых РУ немедленно розгружается и переводится в “горячее“ состояние, это: концентрация хлор-иона выше 0,3 мг/л; концентрация кислорода выше 0,1 мг/л; концентрация водорода меньше чем 0,45 или более чем 9,0 мг/л; концентрация ионов щелочных металлов за границами областей Г и В. При отклонении диагностических показателей, на протяжении в сукупности за кампанию, установлены такие ограничения: одного показателя не более чем 7 суток; по всем отклонениям показателей не более чем 30 суток.
6.5. Системы поддержки ВР первого контура
Такими системами, как уже отмечалось, являются спецводоочистки (СВО–1, СВО-2, СВО–6) и оборудование, которое обеспечивает их роботу, а также системы приготовления и дозирования корректирующих реагентов. Обобщенная схема СВО, обеспечивающих ВР первого контура, наведена в [23, рис.3.3].
6.5.1. СВО –1
Эта спецводоочистка осуществляет байпасную очистку воды первого контура от грубодисперсных примесей (окислов железа, никеля, хрома, цинка, кобальт). Она реализуется в двух вариантах.

Рис. 6.2. Области отклонений соответствующих уровней действия
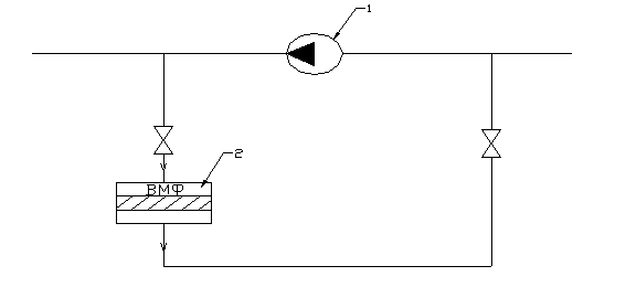
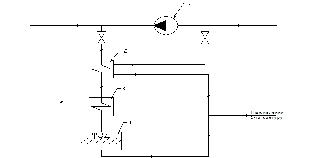
Наиболее распространенным является вариант использования високотемпературного фильтра. В этом случае он включается по схеме рис.6.3, второй вариант (ему отдают преимущество за границей) предусматривает снижение температуры воды первого контура и её обработку на ионитном фильтре смешанного действия (рис.6.4).

Рис.6.3. Схема СВО-1 с високотемпературным фильтром
Высокотемпературный фильтр работает при полном давлении и температуре первого контура. Фильтрующим материалом является крошка или стружка нержавеющей стали либо титановая крошка. В последнее время используют также специальные пористые структуры из титана – губчатый титан. Фильтр не регенерируется (восстанавливается). После его истощения по грязеёмкости фильтровальный слой выгружается из фильтра и захороняется в хранилище ядерных отходов, а фильтр заполняется свежим фыльтровальным материалом.
В другом варианте, который используется преимущественно за границей (рис.6.4), в качества ФСД используется либо обычный фильтр из слоем засыпки смеси катионита и анионита, либо намывной фильтр. Технология использование ФСД мало чем отличается от работы ФСД в составе БОУ. Главная разница состоит в том, что фильтровальный слой работает до полного истощения после чего выгружается и в связи с высокой радиоактивностю - захороняется в хранилище ядерных отходов (ХЯВ) и регенерация не предусматривается.
Более рациональным считается использование конструкции намывного фильтра, рис. 6.5.
Работает фильтр так. Сначала намывают пульпу (смесь) ионитов на патроны. Для этого подают снизу раствор (пульпу) из воды и ионита (концентрацией смеси катионита и анионита, 2 г/л). Раствор подают до достижения на поверхности слоя ионита в 600 г/м2. Не перерывая намывки начинают подавать обрабатываемую воду. Непрерывность процесса необходима для того, чтобы не произошло сползания намытого слоя с патронов, поскольку намытый слой смеси ионитов удерживается на патроне прежде всего за счёт динамического напора потока воды.

Рис.6.4. Вариант СВО-1 с ФСД
1-регенеративный теплообменник, 2 – доохладитель, 3- ФСД
![]() |
Рис.6.5. Намывной фильтр смешанного действия
1-опора, 2 – конусное дно, 3-корпус, 4 - доска фильтр-патронов, 5- крышка, 6 – патрубок для слива воды перед “шоковой обработкой, 7- патрубок для отвода очищенной воды, 2 – подвод и выпуск сжатого воздуха, 9 – фильтр-патрон с слоем намытой смеси ионитов, 10 – патрубок для подвода воды на очистку, 11 – патрубок для удаления пульпы ионита.
Конструкция намывного патрона наведена на рис.6.6.

Рис.6.6. Намывной фильтр - патрон
1 – проволовка для навивки. Навивка ведётся с шагом (щелью) в 0,1 мм, 2 – перфорированая труба (патрон), 3 – отверстия диаметром 4 мм в патроне, размещаются под углом 15о
Заканчивают роботу фильтра по достижению перепада давления на фильтре в 0,5 МПа, что свидетельствует о его истощении, прежде всего по его “грязеемкости”.
Регенерация ионита не проводится. Он удаляется из фильтра, а вместо выгруженого ионита намывается свежый ионит. Процесс удаления ведётся путем “шоковой регенерации”. Для этого сначала в отключенный от работы фильтр через 7 подают сжатый воздух, сливая при этом воду через 5. Постепенно уровень воды в фильтре понижается приблизительно на 100 мм. После этого слив воды заканчивают, подымают давление до 0,5 МПа и резко сбрасывают давление под трубной доской. Сброс давления ведётся быстродействующим электромагнитным клапаном, который обеспечивает мгновенный выпуск воздуха. Для намытой пульпы наступает “шок”, гидравлический удар, который полностью сбрасывает пульпу в нижнюю часть фильтра, откуда ионит удаляется на захоронення в ХЖО.
Преимущества намывного фильтра: размеры фильтра меньше чем эквивалентного ему по производительности фильтра с насыпным слоем ионита (фильтр на производительность 50 м3 /ч имеет диаметр 0,2 м, а эквивалентный ему насыпный фильтр – 1,5 м); скорость фильтрации в намывном фильтре составляет всего 4 м/ч, что значительно меньше чем в насыпном фильтре (10...30 м/ч). Малая скорость фильтрации обеспечивает более качественную очистку фильтрата; количество сточных вод в намывном фильтре намного меньше; имеется возможность сохранения поглощательной способности слоя в случае использования ионитов в борно-калиевой форме.
Для рассчета производительности СВО–1 используют баланс примесей в контуре для всех возможных их видов и выбирают найбольшую расчетную. Обычно это производительность по удалению продуктов коррозии. Составим баланс примесей для объема контура с учетом взаимодействий контура с окружающей среды, как это показано на рис.6.7.
![]() |
Рис.6.7. Баланс примесей первого контура
Изменение концентрации в объеме контура за промежуток времени τ в предположении, что величина организованных перетоков равняется величине добавочной (подпиточной) воды (Dоп = Dпв), в дифференциальной форме запишется следующим образом:
V dC/dτ = Dпв (Cоп - Cпв) + S (Jк - Jв) - Dб (Cб - Cбз),
где V - объем контура;
dC/dτ – изменение концентрации примеси во времени;
Dпв - расход подпиточной воды;
Cоп, Cпв, Cб, Cбз – соответственно концентрации организованных перетоков, подпиточной воды, воды, что отводится на байпасную очистку и возврвщается после неё;
S - площадь поверхности конструктивных элементов первого контура;
Jк, Jв - соответственно скорость коррозии и скорость отложений примесей.
Таким образом изменения концентрации связаны с внесением примесей в контур с подпиточной водой, которая замещает организованные протечки; с процессами коррозии и отложений в контуре (эти изменения пропорциональны площади поверхности контура S и интенсивности коррозионных процессов Jк и процессов отложений Jв), а также с байпасной очисткой части контурной воды на СВО-1.
В условиях стационарности процесса dC/dτ = 0, поэтому из этого уравнение необходимая величина производительности (байпасной очистки СВО –1):
Dб = Dпв (Cоп - Спв)/(Cб - Cбз) + S(Jк - Jв)/(Cб -Сбз).
Здесь перая составляющая отражает величину производительности сязанную с наличием подпиточной воды, другая – величину производительности связанную с выведением продуктов коррозии за исключением их отложений.
Если ввести понятие коэффициента очистки: ηоч= (Cб - Cбз)/Cб и пренебречь отложениями продуктов коррозии, для производительности байпасної очистки СВО –1 найдем:
Dб = Dоп + Gк /Cб ηоч. (6.1)
Например, для ВВЭР –1000, принимая согласно с ранее действующим нормам CFe = 0,2 мг/(л), ηоч = 0,6, при количестве продуктов коррозии, которые перейдут в раствор:
Gк=Sнс jкнс ηнс+Sц jкц ηц+Sвс jквс ηвс =25000 0,1+6600 0,1+200 1=3360мг/ч,
где площадь поверхности нержавеющей стали S нс= 25000м2, площадь циркониевых сплавов Sц = 6600 м2, площадь углеродистых сталей Sвс = 200м2, скорость перехода в воду продуктов коррозии соответственно нержавеющей стали, цирконию и углеродистой стали: jкнс ηнс = 0,1 мг.(м2 ч), jкц ηц = 0,1 мг/(м2 ч), jквс ηвс = 1 мг/(м2 ч). Здесь через ηі обозначено долю продуктов коррозии, которые переходят в воду.
Величина организованных перетоков составляет приблизительно Dоп = 2 м3 /ч.
Тогда Dб = 2 + 3360 / (0,2 0,6 103) = 2 + 28 = 30 м3/ч.
Реально производительность СВО-1 как раз и лежит в интервале 30... 60 м3/ч, при общем количестве воды, которая циркулирует в первом контуре 15000 м3/ч. Одновременно следует указать, что при введенни более жёстких норм на содержание железа (см. табл.6.1), действующие спецводоочистки получили запас производительности.
Ещё раз обратим внимание, что такие рассчеты ведут по каждой примеси и за расчетную производительность принимают ту, которая буде найбольшей.
Поскольку производительность СВО очень мала по сравнению с общим количеством воды, которая циркулирует в первом контуре, то действие СВО по эффективности снижения активности первого контура не очень велика. В основном снижение достигается только за счёт удаления радионуклидов, в которых период полураспада более чем 30 суток, короткоживущие радионуклиды вывестись не успевают.
Однако, при остановленном реакторе байпасная очистка наоборот вызывает интенсивное снижение общей активности, если она работает с расчетной производительностью. За 30 часов активность понижается в 100 раз.
Вопросы для самоконтроля:
1. Какие уровни действий имеют место при отклонениях показателей ВР первого контура?
2. Какие схемы работы СВО-1 возможны и какие функции она выполняет?
3. Как возможно рассчитать производительность СВО-1?








