В лекции рассматриваются схемы СВО-2 и СВО-6 и их робота по обеспечению норм ВХР первого контура.
6.5.2. Робота СВО–2
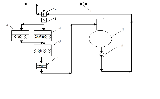
Эта спецводоочистка имеет назначение регулировать содержание примесей в первом контуре, в том числе не только их выведения, а и при необходимости возвращения в контур корректирующих примесей –К+, NH+4 и ВО-33. Все другие примеси, которые находятся в диссоциированном состоянии, она удаляет. Поскольку таких примесей мало, то основное назначение связано с коррегирующим действием, причём оно может быть локальным, а робота СВО – периодической. Схема установки показана на рис.6.8.
Следует отметить, что состав фильтров может отличаться. Например, на зарубежных АЭС используются в составе СВО-2 “терморегулируемые“ анионитные фильтры (патент фирмы Сименс, см. [21]). В основе их работы лежит изменение обменной ёмкости смолы при изменении температуры. При низкой тмпературе ВО3 выводится из теплоносителя, а при повышении температуры -отдается в теплоноситель. Это позволяет автоматизировать процесс коррекции концентрации ВО3.

Рис.6.8. Схема СВО-2
1-ГЦН, 2- регенератор, 3- доохладитель, 4 и 6- катионитовые фильтры соответственно в солевой и Н- формах, 5 -анионитовый фильтр в ВО3 форме, 7 – фильтр ловушка, 2 – деаэратор подпитки первого контура, 9 – насос подпитки
Процессы на катионитовом фильтре происходят так. Все катионы, кроме К+ и NH+4 поглощаются фильтром, а вместо них в воду переходят катионы К+ и NH+4. Если в воде имеются только катионы калия то они проходят через фильтр.
Например, реакция для кальция
Са2+ + К+ R → Са2+ R + К+ .
Регенерируют фильтр азотной кислотой НNO3 и переводят в Н+ форму. После этого истощают КОН. Процесс истощения может быть выполнен в ходе работы СВО, однако при этом все время необходимо дозировать в контур свежий КОН, чтобы не допустить снижение его концентрации. Если необходимо вывести из контура К+, то задействуют параллельный фильтр, который все время находится в Н+ форме. В качества катионита возможно использовать КУ-2-2 чс ядерного класса (или их заменители), т.е. специальную модификацию, к которой ставится строгое требование по чистоте ионита, особенно от возможного наличия хлор-ионов.
На анионитовом фильтре проходят реакции обмена всех анионов, которые имеются в воде, кроме ВО33-, на ион борной кислоты
Ra ВО3 + Cl- → R a Cl + ВО33-.
В качества анионита возможно использовать АВ-17 -2 чс ядерного класса (или их аналог), т.е. специальную модификацию, к которой ставится, как и для катионита, жёсткое требование к чистоте ионита. Для гарантированного отсутствия остатков хлор–иона на практике для загрузки фильтров СВО-2 используют анионит, который уже отработал некоторое время на ХВО и надежно отмыт.
Регенерационные растворы и растворы отмывки СВО-2, которые являются активированными, направляются на переработку на СВО-3, где концентруются и отправляются на захоронение.
6.5.3. СВО- 6
СВО-6 имеет назначение вывести и очисть (регенерировать) борную кислоту из первого контура для её повторного использования. Схема устройств, что обеспечивают роботу СВО-6, наведена в [27, рис.13.17], упрощенный вариант на рис. 6.8.

Рис. 6.8. Схема СВО- 6
1 – регенеративный теплообменник, 2 –доохладитель, 3 –бак боросодержащего раствора, 4 –выпарной аппарат, 5 – доупариватель, 6 – напорный отстойник с дозированием коагулянта KMnO4 и N2H4, 7,9,10,11- ионитные фильтры цепочки очистки борного концентрата (анионитный в боратной форме), 8- охладитель борного концентрата, 12-сборник борного отрегенерированного концентрата,13-конденсатор – дегазатор, 14-насос подпитки, 15- охладитель конденсата, 16,17,18- фильтры цепочки очистки конденсата вторичного пара испарителей, 19-сборник конденсата, 20-бак свежего раствора Н3ВО3, 21-деаэратор подпитки, 22 -дроссель
Последовательность работы СВО-6 такова. Часть вод, что продувается из первого контура, или некоторая часть воды, что находится в деаэраторном баке 21 подпиточной воды первого контура, отбирается, при появлении необходимости выведения борной кислоты из первого контура, в зборный бак -8. Концентрация борной кислоты (точнее солей борной кислоты) в нем в среднем составляет 8 г/л. С этого бака насосами вода направляется на выпарной аппарат-4 для концентрирования раствора солей борной кислоты. Одновременно выпарной аппарат обеспечивает получение чистого пара, конденсат которого очищается для возвращения в контур. Концентрация боросодержащего раствора при упаривании доводится до 40 г/л. Поскольку такую концентрацию в одной ступени получить тяжело, то в схему добавляется доупариватель -5. По раствору он подключен последовательно к випарному аппарату, а по греющему пару и по вторичному пару - параллельно. Вторичный пар доупаривателя сбрасывается в сепаратор выпарного аппарата, непосредственно перед промывкой пара. Фактически выпарной аппарат и доупариватель это двухступенчатая схема испарения, которая рассматривалась ранее для парогенератора, раздел 5.4. Концентрат после доупаривателя поступает в напорный отстойник – осветлитель -6. В него дозируется коагулянт: перманганат калия и гидразин. При этом происходит реакция:
4KMnO4 + 3 N2H4 → 4 MnO2 + 4 KOH + 3N2 + 4 H2O.
Образуется осадок (шлам) MnO2, который обладает сильными сорбционными свойствами по отношению к грубо дисперстным примесям (ГДП), в том числе и радионуклидов: Zn, Sr, Zr, Nb (однако он не удаляет, не сорбирует Cs). Такая обработка раствора значительно снижает его радиоактивность. Осадок, который накапливается в отстойнике, периодически удаляется для захоронения его в ХЖО.
После отстоя раствор направляется на механический фильтр -7, где завершается очистка от ГДП. Далее боросодержащий концентрат охлаждается и проходит последовательно катионитовый фильтр -9, в котором все катионы, имеющиеся в растворе, обмениваются на ион водорода Н+, и анионитный фильтр -10 в боратной форме, где проходит обмен всех анионов (Cl-, SO42-, CO32- и др.) на анион борной кислоты ВО33-. Таким образом, в растворе после катионитового фильтра в основном остаются кислоты, а после анионитового фильтра - только борная кислота. В слое ионита катионитового фильтра накапливаются катионы, в том числе и радионуклиды. Поэтому при регенерации этого фильтра регенерационный и промывной растворы являются радиоактивными, и они направляются на СВО-3 для его обработки, сгущения и последующего захоронения в ХЖО. То же самое относится и к анионитовому фильтру и его регенерату. Поскольку при фильтрации возможно попадания зерен ионита в раствор, то после фильтров ставится фильтр-ловушка -11, где эти зерна задерживаются. Готовый концентрат борной кислоты накапливается в баке -12, откуда насосом перекачивается по мере потребности в деаэратор подпитки или на другие цели.
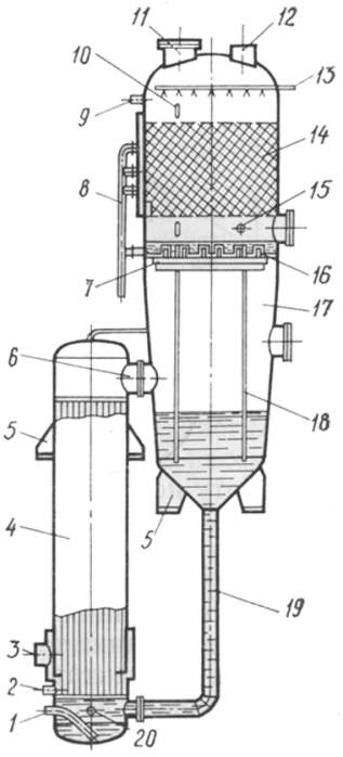
Как видно из схемы, выпарной аппарат и доупариватель играют важную роль в процессе регенерации борной кислоты. В то же время условия работы этих аппаратов достаточно сложные и специфические. Это потребывало использования специальных конструкций этих аппаратов. Рассмотрим конструкцию выпарного аппарата более подробно. На рис 6.9. наведена наиболее распространенная конструкция випарного аппарата (изготовитель - Венгрия) с вынесенной зоной кипения.
Вынесенная зона кипения, под которой в этом аппарате имеется ввиду место, где происходит фазовый переход, организовывается в сепараторе-17. Это обеспечивает снижение интенсивности накипеобразования непосредственно на поверхности нагрева (трубках греющей камеры-4). достигается такой благоприятный режим работы за счёт раздельного размещения греющей камеры и поддержания уровня жидкости выше трубной доски греющей секции, т.е уровень воды поддерживается в сепарационной колонке, а греющая секция оказывается затопленной и, за счёт добавочного гидростатического давления столба воды над ней, давление превышает давление насыщенной жидкости, поэтому кипение почти не происходит. Кроме того, такая конструкция надежно организовывает циркуляцию и создает возможность обеспечения минимального сопротивления движения жидкости в контуре циркуляции. Циркуляция воды, которая самопроизвольно образуется в испарителе, дополнительно уменьшает вероятность закипання воды в трубках греющей секции.

Рис.6.9. Конструкция випарного аппарата
1- патрубок отвода концентрата,2-патрубок отвода конденсата греющего пара, 3- патрубок подачи греющего пара, 4 – греющая камера, 5 – опора, 6-перепускной коллектор, 7-жалюзийный сепаратор, 2 –гидрозатвор, 9- подвод моющих средств, 10 –смотровое окно, 11- лаз, 12-патрубок вихода вторичного пара, 13- распределительное устройство для подачи флегмы на промывку, 14 –слой колец Рашига, 15- подвод реагентов для гашения пены, 16- барботажное промывное устройство, 17- сепаратор, 18-перепускные трубы промывной воды, 19- циркуляционная труба, 20- подвод раствора(питательной воды)
Как известно, кратность циркуляции и конечная сухость пара на выходе из кипятильных трубок взаимосвязаны обратно-пропорциональной зависимостью, поэтому большей кратности циркуляции соответствует меньшая сухость пара, т.е. доля пара, которая образуется в кипятильных трубках. В таких испарителях кратность циркуляции может достичь 40... 50, а это соответствует всего 2,5.. 2 % пара.
Важную функцию выполняет также сепарационная колонка. В ней размещен целый комплекс устройств, которые обеспечивают високую эффективность удаления влаги из пара и за счёт этого качество пара и конденсата, который из него образуется, достаточно високое, не смотря на высокую концентрацию выпариваемого раствора. Прежде всего за счёт большого и высокого пространства в сепараторе эффективно используется осадительная (гравитационная) сепарация, закономерности которой рассматривались ранее в разделе 2. расстояние между отдельными устройствами, где эта сепарация осуществляется, превышает 0,5 м. Далее, каждая зона осадительной сепарации завершается механическим (жалюзийным) сепаратором. Из специальных устройств в сепараторе размещены соответственно по ходу пара: барботажная (промивная) ступень-16, что образуется тарелкой с отверстиями, которые прикрываются специальными крышками. Под действием пара эти крышки имеют возможность отклонятся, поворачиваясь на оси, и пропускать пар. Вместе с тем в закрытом состоянии они не позволяют проваливаться воде. Промывной водой виступает так называемая флегма, т.е. часть конденсата собственного пара испарителя. Место её образования может быть разным, в зависимости от конструкции выпарного аппарата. Имеются испарители, в которых в верхней части сепаратора розмещается небольшой змеевик, через который пропускают охлаждающую воду, например, питательную воду испарителя. В результате на поверхности змеевика конденсируется часть вторичного пара, которая и является флегмой. В других случаях – это часть (до 10 %) конденсата вторичного пара, которая после конденсации в конденсаторе дегазаторе специальным трубопроводом подается в верхню часть сепаратора. Для равномерного распределения этой воды по сечению сепаратора используется распределительное устройство-13.
Завершается очистка пара в насадочном промывном устройстве, которое образовано слоем колец Рашига-14, выполненных из нержавеющей стали. Пленка флегмы, которая образуется на поверхности элементов насадки, хорошо улавливает влагу, которая двигается вместе с паром по извилистым каналам слоя насадки.
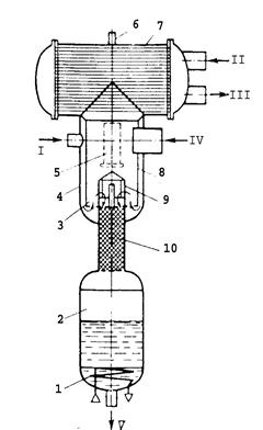
Вторичный пар испарителя поступает в конденсатор-дегазатор (рис.6.10), который выполняет две функции: конденсацию пара и удаление газов, в том числе и радиоактивных благородных газов (РБГ) и иода.
![]() |
Рис.6.10. Конденсатор-дегазатор.
1- змеевик, 2- зборник конденсата, в котором имеет место частичное его вскипание, 3- дырчатый лист барботажной ступени деаэрации, 4- внешний кожух, 5 – опора, 6 – патрубок отвода неконденсирующихся газов, 7 – конденсатор, 8- внутренний цилиндр, 9 – центральная труба с распределительным устройством, 10- слой колец Рашига
В верхней горизонтальной части аппарата размещаются конденсаторные трубки, внутри которых двигается охлаждающая вода. Трубки завальцованы в трубные доски, перегородками организуются несколько ходов (обычно – два). Собственно эта часть аппарата и является конденсатором -7. Непосредственно в эту часть аппарата направляется от 80 до 90 % пара. Другая часть пара (10... 20%) поступает в кольцевое пространство между цилиндрической оболочкой и внутренним цилиндром для отвода конденсата из конденсатора, в нижней части которого розмещена барботажная ступень деаэрации-3. Она выполнена в виде дырчатого листа под который и подается указанная часть пара. Проходя через конденсат, который может иметь температуру меньшую, чем температура насыщения вследствие переохлаждения конденсата при его стекании по трубках, пар снова подогревает конденсат до температуры насыщения и дегазирует его. Уровень конденсата на барботажном листе определяется висотою буртика для его перелива в цилиндр с насадкой. Насадка из колец Рашига-10 образует вторую ступень деаэрации. Эта центральная часть конденсатора –дегазатора называется дегазационной колонной. Звершается дегазационная колонна цилиндрической ёмкостью для сбора конденсата-2. Кроме того, в этой ёмкости в нижней её части встроен змеевиковый нагреватель-1, который обеспечивает ещё раз подогрев конденсата до состояния насыщения, а также образования небольшого количества пара, который становится греющим паром в насадочной ступени деаэрации.
Удаленные газы вместе с частью пара выводятся из верхней части конденсатора сначала в дефлегматор сдувки, в котором конденсируется транспортный пар, а газы направляются на газоочистку. В конденсаторе- дегазаторе удаление газов достаточно эффективно, этому помогает, во-первых, относительно длительный промежуток времени пребывания конденсата на разных ступенях дегазации, во- вторых, конечный нагрев конденсата в сборнике, где дополнительно создаются условия для завершения разложения бикарбонатов и удаление СО2.
Конденсат после конденсатора–дегазатора направляется на доочистку в цепочку ионообменных фильтров, после чего может быть использован снова. Его качество определяется прежде всего уровнем радиоактивности.
6.5.4. Системы приготовления и дозирования реагентов в первый контур
Система не отличается от других систем приготовления и дозирования реагентов и имеет бак для приготовлення раствора, бак–дозатор и насосы. Все растворы в первый контур подаются через деаэратор подпитки первого контура.
Вопросы для самоконтроля:
1. Наведите схему СВО-2 и поясните принцип работы.
2. Наведите схему СВО-6 и поясните принцип работы.
3. Охарактеризуйте функции и конструкции оборудования СВО-2 и СВО-6.







