После включения АГ в нем начинается переходный процесс, в течение которого амплитуда автоколебаний возрастает от 0 до некоторого значения Um. По окончании переходного процесса, длящегося tпер, устройство переходит в режим установившихся автоколебаний (рис. 14.2). Время tпер можно найти, составив и решив нелинейное дифференциальное уравнение, описывающее работу АГ.

Рис. 14.2. Установление автоколебаний в АГ
В тех случаях, когда отсутствует необходимость определения tпер, можно ограничиться исследованием только установившегося режима работы. Для такого анализа удобен метод гармонического баланса.
Ток электронного прибора i(t) в АГ может существенно отличаться от синусоидального вида и представлять собой периодическое колебание, состоящее из косинусоидальных или иной более сложной формы импульсов. Разложив периодическое колебание в ряд Фурье, выделим из него 1-ю гармонику сигнала, для которой запишем: I1=Imα1, где 1т - амплитуда импульса. Введем параметр - крутизну характеристики электронного прибора по 1-й гармонике сигнала:
|
|
|
Sy=Il/Uy=Imal/Uy,
где Uy - амплитуда напряжения на входе прибора, и запишем систему уравнений для комплексных амплитуд 1-й гармоники сигнала:
;
;
, (14.1)
где Um - амплитуда гармонического напряжения на контуре (ранее было принято, что колебательная система фильтрует все гармоники, кроме 1-й);
- эквивалентное сопротивление контура на частоте 1-й гармоники сигнала;
- комплексный коэффициент обратной связи.
Совместное решение (14.1) дает основное уравнение АГ в комплексной форме по 1-й гармонике сигнала:
. (14.2)
Это уравнение распадается на уравнения для произведения модулей и суммы фаз, соответственно называемые уравнениями баланса амплитуд и фаз:
; (14.3),
. (14.4)
Уравнение баланса амплитуд (14.3) указывает на необходимость пополнения энергии в контур за счет цепи обратной связи, которое покрывало бы потери в нем, а уравнение баланса фаз (14.4) - на соблюдение условия фазировки: дополнительные колебания, вводимые в контур, должны совпадать по фазе с уже существующими. Количество дополнительной энергии можно регулировать за счет модуля коэффициента обратной связи К, а фазирование - за счет его фазы. Поскольку электронный прибор поворачивает фазу сигнала на величину, близкую к π, то согласно (14.4) на такую же величину должен происходить поворот фазы сигнала и за счет цепи обратной связи. Данному требованию отвечает трехточечная схема АГ (рис. 14.3).
Рис. 14.3. Трехточечная схема АГ
Первая из схем (рис. 14.3, а) называется емкостной, в ней модуль К=С1/С2, вторая (рис. 14.3, 6) - индуктивной, в ней модуль К=L2/L1.
Обе схемы могут рассматриваться как эквивалентные по отношению и к двухконтурной (рис. 14.3, в) и к иным схемам автогенератора.
|
|
|
С помощью уравнений (14.3) можно определить амплитуду автоколебаний в установившемся режиме, для чего представим систему (14.1) в виде двух уравнений:
;
. (14.5)
Их совместное решение позволяет найти амплитуды тока 11 и напряжения: Um=I1Rm в установившемся режиме. Графическое решение уравнений приведено на рис 14.4. Для существования устойчивого режима автоколебаний необходима одна точка А пересечения графиков. Согласно общей теории устойчивости стационарный режим АГ является устойчивым, если малые отклонения амплитуды относительно установившегося значения возвращают систему в первоначальное состояние.

Рис. 14.4. Графическое решение уравнений.
Пусть колебания синусоидальны и определяются выражением: u(t)=Uyстeα(U)tcosωt. Тогда согласно сформулированному условию устойчивости следует иметь α(U)=0 при U=Uуст, α(U)<0 при U>Uуст, α(U)>0 при U<Uуст, что эквивалентно следующему неравенству:
. (14.6)
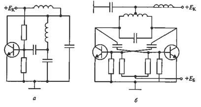
При выполнении (14.6) любое увеличение или уменьшение амплитуды U относительно Uуст возвращает систему в первоначальное состояние, что свидетельствует об устойчивости стационарного режима автоколебаний. Полная электрическая схема однотактного транзисторного АГ с цепью питания и смещения приведена на рис. 14.5, а, двухтактного - на рис. 14.5, б.

Рис. 14.5. Схемы транзисторного АГ






