Многополюсный сумматор должен иметь N входов (обозначим их номера с 1 по п) для подключения N однотипных генераторов, один общий выход для подключения нагрузки (обозначим его как 0) и К входов для подключения балластных нагрузок. Рассмотрим эти нагрузки как составную, обязательную часть сумматора и поэтому определим последний как многополюсник с (n+1) входами (рис. 18.2). Будем считать, что ко всем входам присоединяются фидерные линии с одним и тем же волновым сопротивлением, равным стандартному значению r0=50 Ом.
Сумматор сигналов должен отвечать следующим требованиям:
– мощность сигнала в нагрузке, за вычетом небольших потерь, должна быть равна сумме номинальных мощностей отдельных генераторов, определяемых согласно (5.11);
– все входы сумматора должны быть развязаны между собой или взаимно независимы;
– мощности отраженных сигналов по всем входам должны быть равны нулю;
– данные свойства должны сохраняться в требуемой полосе частот.

Рис. 18.2. Сумматор как многополюсник с (n+1) входами
Второе требование означает, что сигнал от каждого генератора не должен поступать в каналы, к которым подключены другие источники, и, следовательно, влиять на их работу. Изменения в режиме работы любого генератора, включая режимы холостого хода и короткого замыкания, не должны влиять на работу и мощность всех других генераторов. Мощность последних должна по-прежнему оставаться равной номинальному значению и поступать из сумматора в полезную или балластную нагрузки.
Перечисленным требованиям отвечают сумматоры:
– составленные из К ступеней мостовых квадратурных устройств;
– составленные из К ступеней устройств синфазного типа;
– типа «звезда».
Структурная схема сумматора 1-го вида на основе мостовых устройств квадратурного типа по сложению мощностей четырех генераторов приведена на рис. 18.3, а; восьми генераторов - на рис. 18.3, б.

Рис. 18.3. Фазовращатели дискретного типа
Требуемые фазы сигналов на входе сумматора показаны на рис. 18.3; БН - балластная нагрузка. Топология двух типов мостового квадратурного устройства на микрополосковых линиях приведена на рис. 7.2. при рассмотрении схемы СВЧ генератора балансного типа по суммированию мощностей двух транзисторов. Из рассмотрения схемы рис. 18.3 следует, что в данном варианте сумматора число складываемых по мощности генераторов N = 2К, где К -число ступеней мостовых устройств, количество которых при переходе от одной ступени к другой удваивается. Требуемый сдвиг сигналов по фазе на входе сумматоров можно получить с помощью фазовращателей дискретного типа.
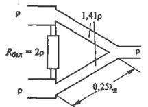
Сумматор 2-го вида строится на основе устройств синфазного типа, в частности шестиполюсника, топология которого приведена на рис. 18.4. Шестиполюсник состоит из двух отрезков линий длиной по 0,25lд и балластного сопротивления величиной 2r. Значения волновых сопротивлений линий показаны на рис. 18.4.

Рис. 18.4. Топология сумматора на основе устройств синфазного типа
Структурная схема сумматора 2-го вида на основе шестиполюсников по сложению мощностей четырех генераторов приведена на рис. 18.5. Здесь ко всем входам сумматора сигналы подводятся с одинаковыми фазами.
Рис. 18.5. Схема сумматора 2-го вида на основе шестиполюсников
Структурная схема сумматора 3-го вида, построенного по схеме «звезда», по сложению мощностей четырех генераторов приведена на рис. 18.6. Здесь ко всем входам сумматора сигналы, как и в предыдущем случае, подводятся с равными фазами.

Рис. 18.6. Схема сумматора 3-го вида, построенного по схеме
«звезда»
При волновом сопротивлении внешних линий передачи r и сопротивлении нагрузки Rн=r следует иметь: сопротивление балластной нагрузки Rбал=r, волновое сопротивление отрезков линий сумматора длиной по 0,25lд
. Следует отметить, что разбаланс амплитуд и фаз суммируемых сигналов в рассмотренных схемах (рис. 18.3, 18.5, 18.6) приводит к ощутимым потерям, поскольку часть мощности от генераторов вместо полезной нагрузки начинает поступать в балластные сопротивления. Поэтому при суммировании сигналов необходимо с определенной точностью стабилизировать фронт амплитуд и фаз сигналов, в том числе с помощью устройств автоматического регулирования. Особенно ощутимы потери при выходе из строя усилителей. Так, например, в случае суммирования двух усилителей при отказе одного из них происходит уменьшение мощности в полезной нагрузке в четыре раза по сравнению с нормальным режимом работы, т.е. с 2Р1 до 0,5Р1, где Р1 - мощность одного транзистора. Другая часть мощности работоспособного усилителя в 0,5Р1 начинает рассеиваться в балластной нагрузке.
При суммарной мощности сигналов до нескольких десятков ватт сумматоры изготавливаются на основе микрополосковых линий. При большем значении мощности используются двухпроводные и коаксиальные линии, а в сантиметровом диапазоне волн - волноводы. Сумматор является устройством взаимного типа. Поэтому при подаче сигнала на общий вход 0 (рис. 18.2) схема становится делителем мощности сигнала на N каналов.






