Блок выполняет следующие функции:
- источник питания;
- интерфейс QB3;
- служебный и удаленный аварийный сигнал;
- интерфейс Q2/RQ2.
В оборудовании 1660SM могут быть размещены две платы CONGI, называемые CONGI A основная (позиция 10) и CONGI B (позиция 12).
Эти платы не рассматриваются в качестве основной и резервной: каждая из них выполняет ряд функций. Для полного набора функций необходимо наличие обоих блоков. Плата CONGI A может использоваться отдельно, но в этом случае может поддерживаться только часть интерфейсов.

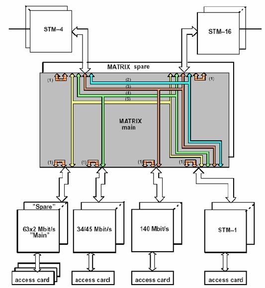
(1) - соединения 2 Мбит/с – 2 Мбит/с, соединения 34 Мбит/с – 34 Мбит/с,
соединения 140 Мбит/с – 140 Мбит/с, 155 Мбит/с – 155 Мбит/с, STM–4 – STM–4, STM–16 – STM–16.
(2) - соединения STM–1 – STM–4/STM–16
(3) - соединения 140 Мбит/с – STM–1/STM–4/STM–16
(4) - соединения 34 или 45 Мбит/с – STM–1/STM–4/STM–16
(5) - соединения 2 Мбит/с – STM–1/STM–4/STM–16
Рисунок 4.23 – Обобщенная структурная схема мультиплексора 1660 SM






