Одним из главных условий безопасности движения локомотивов, вагонов и иного подвижного состава является предупреждение их соприкосновения со стационарными сооружениями, расположенными вблизи железнодорожного пути, или с подвижным составом, находящимся на соседнем пути. Поэтому стационарные сооружения должны располагаться на определённом расстоянии от пути, а подвижной состав – иметь ограниченное поперечное очертание.
Таким образом, получаются два контура: контур, ограничивающий наименьшие допустимые размеры приближения строения и путевых устройств к оси пути – габарит приближения строений: и контур, ограничивающий наибольшие допускаемые размеры поперечного сечения подвижного состава – габарит подвижного состава. Второй расположен внутри первого и между ними имеется пространство (зазоры), за исключением опорных поверхностей колёс, где оба контура совпадают.
ГОСТ 9238-83 устанавливает следующие определения для двух рассматриваемых разновидностей габарита.
Габаритом приближения строений железных дорог называется предельное поперечное (перпендикулярное оси пути) очертание, внутрь которого помимо подвижного состава не должны заходить никакие части сооружений и устройств, а также лежащие около пути материалы, запасные части и оборудование, за исключением частей устройств, предназначенных для непосредственного взаимодействия с подвижным составом (контактных проводов с деталями крепления, хоботов гидравлических колонок при наборе воды и др.) при условии, что положение этих устройств во внутригабаритном пространстве увязано с частями подвижного состава, с которыми они могут соприкасаться, и что они не могут вызвать соприкосновения с другими элементами подвижного состава.
|
|
|
Габаритом подвижного состава железных дорог называется предельное поперечное (перпендикулярное оси пути) очертание, в котором, не выходя наружу, должен помещаться установленный на прямом горизонтальном пути (при наиболее неблагоприятном положении в колее и отсутствии боковых наклонений на рессорах и динамических колебаний) как в порожнем, так и в нагруженном состоянии не только новый подвижной состав, но и подвижной состав, имеющий максимальные нормируемые износы.
Пространство между габаритами приближения строений и подвижного состава (а для двухпутных линий также между габаритами смежных подвижных составов) обеспечивает безопасные смещения подвижного состава и погруженных на нём грузов, которые возникают при движении, а также обусловленные допустимыми отклонениями элементов пути.
Все смещения вагона могут быть сведены к следующим четырём группам:
|
|
|
а) вызываемые возможными отклонениями в состоянии пути – уширение колеи, упругое отжатие рельсов, перекосы и износы шпал и подкладок, упругие осадки шпал и балласта и т.п.;
б) динамические колебания вагона, возникающие при его движении;
в) обусловленные зазорами и износами ходовых частей и прогибы и осадки рессорного подвешивания от статической нагрузки;
г) выносы частей вагона в кривых.
При габаритных расчётах учитывают только смещения, возможные при отклонениях, допускаемых нормами содержания вагона и пути. Поскольку размеры габарита приближения строений установлены для прямых участков пути, а в кривых имеются дополнительные уширения, выносы вагона в кривых учитывают только в размерах, превышающих имеющиеся уширения.
В зависимости от способов учёта указанных смещений вагонов различают две системы габаритов подвижного состава: строительную и эксплуатационную.
Если пространство между габаритами приближения строений и подвижного состава предназначено для первых трёх групп смещений, то устанавливаемый при такой системе учёта смещений габарит подвижного состава называется строительным. Если вышеуказанное пространство предусмотрено для первых двух групп смещений, то получаемый при этом габарит называется эксплуатационным габаритом подвижного состава.
Следовательно, строительный габарит подвижного состава представляет собой поперечное очертание, в котором должен помещаться новый ненагруженный вагон, расположенный на прямом горизонтальном пути, когда его продольная ось совпадает с осью пути.
При проверке габаритности проектируемого вагона, называемой вписыванием вагона в габарит, в данном случае необходимо учитывать лишь смещения четвёртой группы – выносы в кривых. В результате этого вписывание вагона в строительный габарит подвижного состава отличается простотой, что является достоинством данной системы. Существенный её недостаток в том, что пространство между габаритами приближения строений и подвижного состава, установленное по одинаковой для всех вагонов величине смещений третьей группы, может для одних вагонов оказаться излишне большим, а для других – недостаточным.
Недоиспользование межгабаритного пространства обусловливает уменьшение ширины и высоты кузова вагона, что снижает экономическую эффективность грузовых и ухудшает комфортабельность пассажирских вагонов. Такое недоиспользование свойственно большей части вагонов, поскольку при построении строительного габарита подвижного состава смещения третьей группы устанавливают по вагонам с наибольшими разбегами и износами ходовых частей и статическими прогибами (осадками) рессорного подвешивания. Недостаточность межгабаритного пространства, возможная при проектировании вагона с большими нормируемыми износами или большим статическим прогибом (осадкой), чем было учтено при построении этого габарита, означает негабаритность вагона, угрожающую безопасности движения.
При вписывании вагона в эксплуатационный габарит подвижного состава учитывают смещения третьей и четвёртой групп.
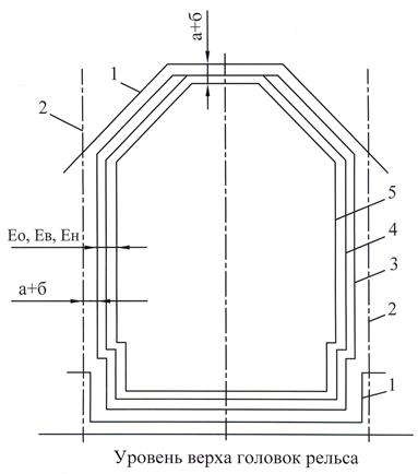
На рис. 4.1 изображена схема построения габаритов подвижного состава.
|
Рис. 4.1. Схема построения габаритов подвижного состава
Исходя из габарита приближения строений 1 и осей междупутий 2 посредством учёта смещений первой и второй групп определяют эксплуатационный габарит подвижного состава 3. По нему путём вписывания, учитывающим смещения третьей и четвёртой групп, находят строительное очертание вагона 4. Проектное очертание вагона 5 отличается от строительного дополнительным учётом технологических отклонений в размерах, допускаемых при постройке вагонов.






