1.Макет выполнения лабораторной работы №7 приведен на рис.7.3.
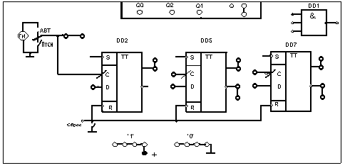
2.Исследовать регистр сдвига на 3-х D-триггерах для преобразования последовательного кода в параллельный, предварительно собрав его схему на накладной панели с помощью проводников.

Рисунок 7.3. - Макет лабораторной работы №7
2.1.Записать в регистр сдвига число А=а3а2а1 (по указанию преподавателя) для чего:
- установить регистр в исходное состояние «000», нажав кнопку «СБР»;
- установить на входе регистра DD2 разряд а3 и, нажав кнопку «ПУСК», произвести запись старшего разряда числа;
- установить на входе регистра а2 и, нажав кнопку «ПУСК», произвести запись второго разряда числа;
- установить на входе регистра а1 и, нажав кнопку «ПУСК», произвести запись первого разряда числа.
2.2 Зафиксировать состояние триггера по индикаторам «Q3, Q2, Q1» после трех тактов записи данного числа. Построить таблицу состояний его работы.
Таблица 7.1-
Возможные состояния сдвигового регистра на D- триггерах.
| № п.п. | Q3 | Q2 | Q1 |
3. Исследовать кольцевой регистр на D- триггерах, предварительно собрав его схему на накладной панели с помощью проводников.
|
|
|
Таблица 7.2-
Возможные состояния кольцевого регистра
| № п.п. | Q3 | Q2 | Q1 |
4. Проверить функционирование кольцевого регистра в следующем порядке:
- нажать кнопку «СБР», установив регистр в состояние «000»;
-
установить младший разряд регистра в состояние Q1=1, подав на его установочный вход уровень S=0 с гнезда «0» соединительным проводником;
- отсоединив проводник, в ручном режиме, нажимая кнопку «ПУСК», зафиксировать работу регистра в соответствии с таблицей состояний.






