Регистр сдвига на D-триггерах реализуется соединением выхода Q предыдущего разряда с входом D последующего. Вход D первого разряда служит для приема в регистр информации в виде последовательного кода. Тактовые импульсы с гнезд «Вх. С.» подаются на все входы С триггеров параллельно. Каждый тактовый импульс устанавливает последующий триггер в состояние, в котором до этого находился предыдущий, осуществляя тем самым сдвиг информации на разряд вправо.
При записи в регистр числа входной параллельный код подается синхронно с тактовыми импульсами. Запись числа в регистр производится, начиная с его старшего разряда, и вводится в первый триггер после первого тактового импульса. При поступлении второго тактового импульса значение, поступающее с входа Q1, переписывается во второй триггер, а в первый триггер поступает следующий разряд и т. д.

Рисунок 7.1. - Регистр сдвига на D-триггерах
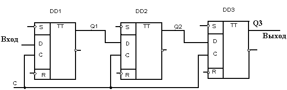
При введении обратной связи в регистр сдвига последний превращается в замкнутое кольцо, в котором под воздействием тактовых импульсов циркулирует введенная в регистр информация. Такие регистры называются кольцевыми. Кодовая единица, введенная в первый триггер (например, с помощью установочных входов), циркулирует в течение всего времени существования тактовых импульсов, подаваемых на входы С всех триггеров регистра. Приходящий тактовый импульс перебрасывает триггер, который был в состоянии 1, в состояние 0. Поскольку выход Q этого триггера связан с входом D следующего триггера, то последний устанавливается в состояние 1 и т. д. Количество состояний такого регистра равно числу триггеров.
|
|
|

Рисунок 7.2. - Кольцевой регистр на D-триггерах






