В памяти с адресной организацией размещение и поиск информации в ЗМ основаны на использовании адреса хранения единицы информации, которую в дальнейшем для краткости будем называть словом. Адресом служит номер ячейки ЗМ, в которой это слово размещается. При записи (считывании) слова в ЗМ инициирующая эту операцию команда должна указывать адрес (номер) ячейки, по которому надо произвести запись (считывание).
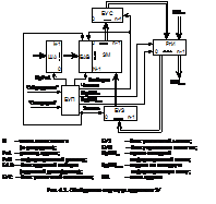
На рис. 4.2 изображена обобщенная структура адресной памяти.
5 19348 5920 19382 4413 19245 4306 18665 4019 18802 3803 18802 3552 18665 3445 18734 1794 18563 1722 17403 1722 19075 1579 19177 1363 18802 1112 18461 933 17403 574 17471 144 2696 0 2184 0" fillcolor="window"> 
Цикл обращения к памяти инициализируется поступающим в БУП сигналом "Обращение". Общая часть цикла обращения включает в себя прием в РгА с шины адреса (ША) адреса обращения и прием в БУП управляющего сигнала "Операция", указывающего вид запрашиваемой операции (считывание или запись).
Считывание. БАВ дешифрирует адрес и посылает сигнал, выделяющий заданную адресом ячейку ЗМ. В общем случае БАВ может также посылать в выделенную ячейку памяти сигналы, настраивающие ЗЭ ячейки на запись или считывание. После этого записанное в ячейку слово считывается усилителями БУС и передается в РгИ. Затем в памяти с разрушающим считыванием происходит регенерация информации путем записи слова из РгИ через БУЗ в ту же ячейку ЗМ. Операция считывания завершается выдачей слова из РгИ на выходную информационную шину ШИвых.
|
|
|
Запись. Помимо указанной выше общей части цикла обращения происходит прием записываемого слова с входной шины ШИвх в РгИ. Сама запись в общем случае состоит из двух операций – очистки ячейки и собственно записи. Для этого БАВ сначала производит выборку и очистку ячейки, заданной адресом в РгА. Очистка ячейки ЗМ (приведение в исходное состояние) может осуществляться по-разному. В частности, в памяти с разрушающим считыванием очистку можно производить сигналом считывания слова в ячейке при блокировке БУС (чтобы в РгИ не поступила информация). Затем в выбранную ячейку записывается новое слово.
Необходимость в операции очистки ячейки перед записью, так же как и в операции регенерации информации при считывании, определяется типом используемых ЗЭ, способами управления, особенностями электронной структуры БИС памяти, поэтому в полупроводниковых памятях эти операции могут отсутствовать.
БУП генерирует необходимые последовательности управляющих сигналов, инициирующих работу отдельных узлов памяти. Следует иметь в виду, что БУП может быть весьма сложным устройством (своеобразным управляющим контроллером, имеющим собственную кэш-память), придающим БИСу памяти в целом специальные потребительские свойства, такие как многопортовость, конвейерная выдача информации и т.п.






