К молекулярно-кинетическим свойствам относятся:
2. Диффузия.
4. Седиментация.
Броуновское движение - это непрерывное беспорядочное движение частиц микроскопических и коллоидных размеров, не затухающее во времени. Это движение тем интенсивнее, чем выше температура и чем меньше масса частиц и вязкость дисперсионной среды.
1) В 1927г. английский ботаник Броун заметил, что частицы цветочной пыльцы, взвешенные в воде, находящиеся в поле зрения микроскопа, непрерывно двигаются по сложным траекториям, ни на мгновение не оставаясь в покое.
Это движение пытались объяснить проявлением особенностей живой материи.
Но, оказалось, что подобное непрерывное движение совершают и неорганические частицы. (суспензии, суспензии неорганических веществ)
Дальнейшее исследование показало, что отдельные частицы движутся совершенно независимо одна от другой; и движение происходит тем энергичнее, чем меньше их размеры.
В результате огромного числа ударов, которые наносят молекулы среды коллоидной частице, последняя меняет свое направление и скорость весьма часто. За одну секунду коллоидная частица может изменить свое направление свыше
раз.
В таких условиях определить истинный путь коллоидной частицы невозможно, но легко определить среднее расстояние, на которое она смещается в единицу времени. Для этого зарисуем следующую схему, где представлена проекция движения частицы на плоскость, при броуновском движении.

Количественной мерой перемещение частицы является величина среднего смещения (или сдвига) частицы
за некоторый промежуток времени t.
Смещением или сдвигом частицы называют расстояние между проекциями начальной т.1 и конечной т.2 точек траектории на ось смещений (ось Х).
Смещения одинаково вероятны как слева на право, так и в противоположном направлении.
Поэтому при вычислении среднего смещения за большой промежуток времени
может быть равно нулю. В связи с этим вычисляют среднюю квадратичную величину всех смещений без учета направления движения:
,
Где n – число смещений (число отрезков, ломанной линии), взятых для расчета
- отдельные проекции на ось Х.
Эйнштейном и Смолуховским было показано, что среднее значение квадрата смещения частицы за время t равно
,
где R – универсальная газовая постоянная;
𝞰 – вязкость среды;
r – радиус взвешенных частиц;
– постоянная Авогадро;
t – время.
Из уравнения Эйнштейна–Смолуховского следует, что величина
обратно пропорциональна радиусу частицы. Это означает, что чем крупнее частица, тем меньше величина ее смещения.
Диффузией – называют самопроизвольный процесс выравнивания концентрации частиц по всему объему раствора или газа под влиянием теплового (или броуновского) движения.
Условия протекания диффузии: 
Направление процесса: 
Предел протекания: 
Процесс диффузии идет самопроизвольно, это явление необратимо, т.е. протекает до полного выравнивания концентраций.
Перенос массы в результате диффузии сходен с закономерностями переноса тепла или электричества. Для диффузии характерно два режима течения:
1. Стационарный режим течения.
2. Нестационарный режим течения.
Воспользовавшись такой аналогией ФИК (1855г.) сформулировал 1ый закон диффузии:
Стационарная диффузия, когда grad(c)
, т.е.
,
и подчиняется I закону Фика:

Где m – количество продиффундировавшего вещества;
D – коэффициент диффузии, зависящий от свойств диффундирующих частиц и среды;
– градиент концентрации, который является движущей силой диффузии;
– площадь, через которую идет диффузия;
продолжительность диффузии.
Знак «–»перед правой частью равенства поставлен потому, что производная
имеет отрицательное значение, т.к. с увеличением значений Х величина С уменьшается. Часто для описания диффузии используют удельный поток диффузии.
Уравнение (1) можно представить также в виде:
2
Удельный или диффузионнный поток
– количество вещества, проходящего через площадь сечения в 1
за 1 сек. и пропорционален градиенту концентрации (или это количество вещества, переносимое в результате диффузии за единицу времени через сечение, равное единице площади при
=1.)
3
Где
– изменение количества вещества, моль.
– изменение времени,
, сек.
S – площадь поперечного сечения, через которую диффундируют вещество.
–
градиент концентрации, знак «–» выражает уменьшение концентрации с расстоянием
D – коэффициент диффузии.
Если принять S,
и –
=1 тогда коэффициент диффузии – это удельная скорость диффузии характеризующая способность данного вещества к диффузии m= –DS
или dm= –DS 
Он является в этом уравнении коэффициентом пропорциональности, физический смысл которого легко выяснить, перенеся в правую часть уравнения все члены кроме dm.
Нестационарная диффузия, когда grad(c)=
и подчиняется II закону Фика:



Эйнштейн вывел уравнение, связывающее коэффициент диффузии D c абсолютной температурой Т, вязкостью дисперсной среды
и радиусом частиц дисперсной фазы r.
Для вывода этого уравнения, имеющего большое практическое и теоретическое значение, представим трубку с сечением в S c
, заполненного вещества равномерно убывает слева на право.

Выделим мысленно в трубе слой раствора бесконечно малой величины, и ограниченный плоскостями: Х1Х1' и X2X2' объем этого слоя V будет равен Sdx.
Обозначим концентрацию раствора и осмотическое давление слева от этого слоя через С1 и П1, а справа- С2 П2.
Очевидно,
и
; при таких условиях в трубке происходит диффузия растворенного вещества, причем перенос вещества будет идти слева направо, как указ. На рис.
Рассматривая диффузию в целом как направленный поток частиц, можно говорить о некоторой эффективной постоянной скорости частиц, (такой скоростью должны обладать все частицы, чтобы двигаясь прямолинейно, перенести через единицу сечения за единицу времени при данном градиенте концентрации определенного количества вещества) может быть объяснено тем, что движущая сила f, действующая на отдельную частицу, уравновешивается обратно направленной силой трения
, испытываемой этой частицей, т.е. что
f=
4
Сила трения
равна произведению коэффициента трения В между частицей и средой на скорость движения частицы ʋ:
5
Для сферических частиц коэффициент по Стоксу В=6 
𝞰 – динамическая вязкость среды
Для вычисления движущей силы, действующей на одну частицу, определим сначала движущую силу F, приходящуюся на единицу объема слоя:
F= 
Тогда, если молярную концентрацию растворенного вещества обозначим через С, то движущую силу f, приходящуюся на одну частицу, можно представить:
6
Где R– универсальная газовая постоянная
– число Авогадро.
Вставляя найденные выражения для
в уравнение 4 получаем:
=
7
Это уравнение можно переписать следующим образом:
=
8
Но величина
есть не что иное, как количество вещества m, продиффундировавшее в единицу времени через единицу площади. Поэтому
m =
9
Согласно уравнению Фика для тех же условий:
10
Приравнивая правые части уравнений 9 и 10 находим:
D=
(11) уравнение Эйнштейна
В=
для сферических частиц, тогда
D=
или D=
12
Пользуясь уравнением Эйнштейна можно определить массу 1 моля вещества, если известны значения D,T, 𝞰. Из уравнения 12 следует:
=
13
Определив по этому уравнению радиус частиц можно вычислить массу 1 моля вещества- М:
М=
, где
плотность дисперсной фазы, которая обычно известна.
Итак, мы рассмотрели с вами уравнение Эйнштейна, связывающее коэффициент диффузии D с температурой, вязкостью дисперсной среды 𝞰 и радиусом дисперсной фазы r.
D= 
Причина диффузии дисперсной фазы в коллоидных системах является броуновское движение частиц. Если существует связь между броуновским движением и диффузией, то должна существовать связь между средним квадратичным значением проекции смещения частицы
и коэффициентом диффузии D.
Эта связь была установлена Эйнштейном (1905) и Смолуховским (1906), независимо друг от друга
уравнение Эйнштейна – Смолуховского или
.

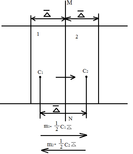
Для установления зависимости
, представим себе трубку с поперечным сечением в S
, наполненную коллоидным раствором, концентрация которого равномерно уменьшается слева на право; в этом же направлении будет идти и диффузия коллоидных частиц. Выделим мысленно в трубке два слоя раствора 1 и 2, со средними концентрациями растворенного вещества
; Пусть
среднее квадратичное значение проекции смещение частицы на ось, параллльную направлению диффузии, за время t.
И понятно, что за счет броуновского движения, перенос любой частицы вероятен и вправо и влево. Масса вещества, перенесенного за время t, через воображаемую плоскость MN
вправо: 
влево: 
Очевидно, количество вещества продиффундировавшее через плоскость MN слева на право; выразится уравнением:
( 1)
Но из рисунка следует, что:
(2) или
3
Подставив уравнение 3 в уравнение 1, получим:
(4)
Объединив уравнение 4 и уравнение Фика: 
Имеем:
(5) или
(6)
Из этого следует важный вывод, что величина
, а следовательно и само смещение пропорциональны не t, а
. Пользуясь данным уравнением по экспериментально определенному броуновскому движению, находят коэффициенты диффузии. Для истинных размеров коэффициенты диффузии D=
и для высокодисперсных систем D=
.
Диффузия проявляется в различных отраслях техники, в процессах жизнедеятельности. Она служит основой ряда распространенных технологий и операций:
- дублении кожи;
- выделки меха;
- крашение ткани;
- химико - техническая обработка металлов;
- очистка газов с помощью диффузионных насосов и др.
В пищевой промышленности диффузия имеет место при извлечении продукта из сырья. Например: коллоидный раствор, который образуется после извлечения сахарозы из клеток сахарной свеклы или другого растительного сырья, называют диффузионным соком.