Высевающий аппарат
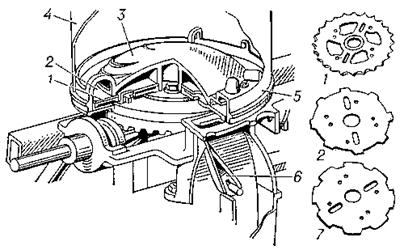
рабочий орган сеялок для высева семян с.-х. культур. Наиболее распространены В. а. катушечные,дисковые, ячеисто-дисковые и мотыльковые. Катушечный В. а. (рис. 1) состоит из расположенной в корпусерифлёной катушки, насаженной на вращающийся вал, розетки, невращающейся муфты. Вращающаясякатушка сбрасывает семена в семяпровод, по которому они поступают в сошник и падают в сделаннуюпоследним бороздку. В зависимости от направления вращения катушки различают В. а. с нижним и верхнимвысевом. Катушка В. а. с нижним высевом выбрасывает семена из нижней части коробки. В. а. с верхнимвысевом отличается тем, что верхние желобки катушки выносят семена из верхней части коробки. Обычно В.а. с нижним высевом применяют для высева семян пшеницы, ржи, овса, ячменя. Для высева крупных и легкоповреждаемых семян применяют В. а. с верхним высевом. Дисковый В. а. (рис. 2) используют в квадратно-гнездовых и пунктирных сеялках. Он состоит из цилиндрической банки, в откидном дне которойсмонтированы высевающий диск, отражатель и выталкиватель. Для высева 1 или 2 калиброванных семян вгнездо на высевающий диск укладывают накладки. Отражатели счищают лишние семена, неправильнорасположившиеся в ячейках вращающегося диска, а выталкиватель выталкивает семена, которые взависимости от положения клапана-делителя падают в левый или правый копильник сошника и из него вбороздку. Ячеисто-дисковый В. а. (рис. 3) предназначен для точного высева по одному зерну семянсахарной свёклы, кукурузы, хлопчатника и других культур. В. а. имеет семенную банку, ячеистый диск,кронштейн-днище, ролики-выталкиватели, козырёк-отражатель. Ячейки вертикально расположенноговращающегося диска заполняются семенами, отражатель счищает их с верхней части диска, лишние семенавыпадают из верхних ячеек. Выталкиватели выталкивают семена из ячеек диска в семяпровод. МотыльковыйВ. а. применяют для высева малосыпучих семян трав, овощных и лесных культур, для высева удобрений. В.а. состоит из валика с насаженными на нём мотыльками-звёздочками с лопастями, обычно расположеннымипод углом к плоскости вращения. Мотыльки, вращаясь, ворошат и выталкивают семена через отверстия,имеющиеся в стенке семенного ящика, в семяпроводы. Для разрушения сводов малосыпучих семян,образующихся в ящике, над мотыльками размещают ворошилки. Сеялки прежних выпусков снабжалищёточными, канатиковыми, внутренне-ребёрчатыми и другими В. а.
|
|
|

Рис. 1. Катушечный высевающий аппарат: 1 — катушка; 2 — корпус (коробка); 3 — валик клапанов дляопоражнивания коробки от семян; 4 — приводной валик катушки высевающих аппаратов; 5 —регулировочная шайба; 6 — муфта; 7 — донышко; 8 — розетка.
|
|
|

Рис. 2. Дисковый высевающий аппарат: 1 — высевающий диск; 2 и 7 — накладки; 3 — дно; 4 —семенная банка; 5 — крышка; 6 — клапан-делитель.

Рис. 3. Ячеисто-дисковый высевающий аппарат: 1 — опорный диск; 2 — высевающий диск; 3 —кронштейн-днище; 4 — ведущий диск; 5 — семенная банка; 6 и 7 — ролики-выталкиватели.

Рис. 1. Катушечный высевающий аппарат: 1 — катушка; 2 — корпус (коробка); 3 — валик клапанов дляопоражнивания коробки от семян; 4 — приводной валик катушки высевающих аппаратов; 5 —регулировочная шайба; 6 — муфта; 7 — донышко; 8 — розетка.

Рис. 2. Дисковый высевающий аппарат: 1 — высевающий диск; 2 и 7 — накладки; 3 — дно; 4 —семенная банка; 5 — крышка; 6 — клапан-делитель.

Рис. 3. Ячеисто-дисковый высевающий аппарат: 1 — опорный диск; 2 — высевающий диск; 3 —кронштейн-днище; 4 — ведущий диск; 5 — семенная банка; 6 и 7 — ролики-выталкиватели.






