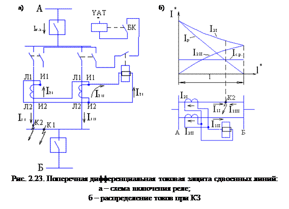
Защита основана на сравнении токов одноименных фаз параллельных ЛЭП. Принцип ее действия рассмотрим на примере защиты сдвоенной линии, такие линии используются в распределительных сетях напряжением 2÷10 кВ. Реле тока включается на разность токов двух одноименных фаз сдвоенной линии по схеме с циркуляционными токами. Ток в реле
. (2.44)
Поэтому как и в продольной дифференциальной защите, при нормальной работе и внешних КЗ (за пределом сдвоенной линии точка К1) по обмотке реле проходит только ток небаланса.
В защите используются обычное токовое реле, ток срабатывания которого:
, (2.45)
где Кзап.= 1,3.
Ток
, определяется исходя из
; т. е.
. (2.46)
величина
, (принимаемая во внимание принятые ранее рекомендации по этим коэффициентам.
В случае КЗ на одной из ЛЭП (например в т. К2 – рис. 2.23) в реле КА появляется ток, и если Iр=I2I – I2II ≥ Iс.р, то происходит срабатывание КА.
При удалении точки КЗ (К2) от места установки 1 ТА, ток в поврежденной линии уменьшается (I2I), а в неповрежденной возрастает (I2II) – рис. 2.23б, при этом ток в реле Iр – уменьшается и в близи шин противоположной подстанции (Б), его величина становится меньше Iс.р.. Защита на этом участке не работает, этот участок (lм.з) называется мертвой зоной дифференциальной токовой защиты. Величина мертвой зоны не должна превышать 10% длины защищаемой линии.
Достоинства: простота, надежность, быстрота, не реагирует на качание.
Недостатки: не защищает сборки сдвоенной линии и шины подстанции; не способна определить на какой из параллельных ЛЭП произошло КЗ, поэтому не может использованная на параллельных ЛЭП с выключателями на каждой из них, когда требуется и имеется возможность отключить только поврежденную линию; наличие мертвой зоны. Это исключает ее применение в качестве единственной защиты сдвоенных линий.






