По вспомогательным проводам непрерывно циркулируют вторичные токи I2 трансформатора тока. Значение этих токов и величина сопротивления проводов определяет мощность отдаваемую трансформатора тока, равную
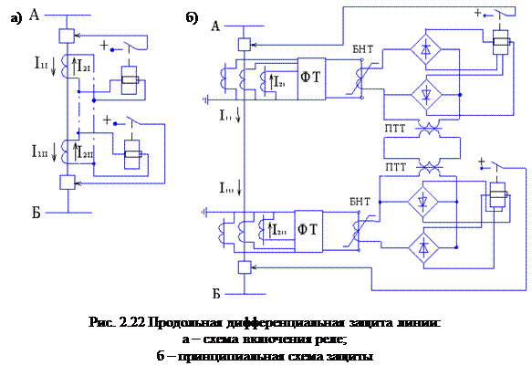
, при номинальном вторичном токе I2ном.=5А, и допустимой нагрузки для трансформатора тока, сопротивление соединительных проводов R должно быть не более 1÷2 ом. В этом случаи дифференциальная защита может быть использована на ЛЭП длиной всего несколько сотен метров. При больших длинах снижение нагрузки на трансформатора тока достигается использованием промежуточных трансформаторов тока (ПТТ) – (рис. 2.22). В схемах применяют реле тока дифференциального типа – 1ТД, 2ТД. В качестве вспомогательных проводов желательно использовать существующие кабели телемеханики. Для осуществления защиты действующей при всех видах КЗ, необходимо использовать шести дифференциальных реле и не менее четырех вспомогательных проводов. Для уменьшения числа вспомогательных проводов и реле в схеме используют комбинированные фильтры, на выходе которых получают токи пропорциональные I1+К2I2 или I1+К0I0. Использование таких фильтров позволяет сократить число реле вспомогательных проводов до двух, и тем самым снизить вероятность нарушения связи между трансформаторами тока.
2. Особенности защиты обусловленные включением в ее схему двух дифференциальных реле.
Вторичный ток I2I, распределяется на две параллельные ветви: первая ветвь – обмотка реле 1КА, вторая ветвь – обмотка реле 2КА плюс вспомогательные провода. Таким образом сопротивление второй ветви будет больше следовательно часть тока проходящего через вторую ветвь (и через обмотку второго реле) будет меньше, чем через обмотку реле 1КА. Аналогично и для тока I2II. Таким образом даже при отсутствии погрешностей трансформаторов тока, в обмотках реле, при нормальной работе и внешних КЗ, будут протекать токи небаланса I′н.б., с ростом сопротивления вспомогательных проводов, ток I′н.б. растет, что требует соответствующего загрубления защиты. При КЗ в зоне защиты ток в каждом реле составляет только часть полного тока повреждения, так как вторая его часть проходит по обмотке второго реле. Для повышения надежности и чувствительности защиты используют реле с торможением.
Оценка продольной дифференциальной защиты.
Достоинство: не требует отстройки по току и времени от защит смежных участков; не реагирует на качания; обеспечивает селективное и мгновенное отключение сети любой конфигурации.
Недостатки: по своему принципу действия не реагирует на внешние КЗ, поэтому не может осуществляться резервирование на смежных участках, следовательно установка дифференциальной защиты в качестве единственной недопустима.
С увеличением длины защищаемой зоны, защита приобретает дополнительные отрицательные свойства: резко возрастает стоимость защиты, связанная с вспомогательными проводами; появляется вероятность повреждения вспомогательных проводов и как следствие неправильная работа защиты, поэтому необходимо специальное устройство, контролирующее исправность вспомогательных проводов; с появлением дополнительного тока небаланса I′н.б., возникает необходимость использовать дифференциальное реле с торможением, для повышения чувствительности, что приводит к усложнению защит.
Таким образом продольно дифференциальная защита применяются для защит ЛЭП небольшой длины (110-220 кВ, длиной до 15÷20км), где они обеспечивают требованиям чувствительности и достаточной надежности. Промышленностью выпускается защита типа ДЗЛ.






