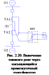
Для ограничения максимального тока небаланса – I нб.maх. расч, существующего во время переходного процесса, и обусловлено апериодической составляющей первичного тока, токовое реле включают через БНТ, как показано на рис. 2.20. Данная схема работает следующим образом: при появлении апериодической составляющей в первичном токе при внешнем КЗ, по вторичным обмоткам трансформаторов ТА1 и ТА2 будут протекать значительные токи намагничивания
и
, что приводит к значительному току в первичной обмотке БНТ. это сопровождается тем, что магнитопровод БНТ сильно насыщается, следовательно коэффициент трансформации БНТ автоматически увеличивается, в результате не наблюдается роста тока в его вторичной обмотке, а, следовательно, и в обмотке реле тока. Таким образом, защита не реагирует на максимальный ток небаланса. При синусоидальном токе в линии Л1, БНТ, не оказывает существенного влияния на работу реле. Таким образом, использование БНТ дает возможность при определении тока небаланса не учитывать влияние апериодической составляющей, а ток срабатывания реле отстраивать только от установившегося тока небаланса Iн.б. расч, величина, которого определяется из выражения (), при Капер.=1.
Применение дифференциальных реле с торможением.
Следует отметить, что токи небаланса могут достигать значительной величины не только в переходном, но и в установившемся режимах (при отсутствии апериодической составляющей тока), в зависимости от величины внешнего тока КЗ Iкз.вн.max (кривая 3 на рис.2.20). Кривая 1, - есть
. Ток Iкз.вн. в зависимости от вида и места КЗ может иметь значение значительно меньше
, в итоге защита получается без надобности сильно загрублена. Поэтому целесообразно, чтобы Iс.р. изменялся по закону 2 (рис.2.21). Характеристику вида (2) имеют дифференциальные реле с торможением, нашедшие применение в дифференциальной защите.






