Наиболее полно современным требованиям при организации и проведении ТО УРЗА в России отвечают комплексы испытательных приборов и устройств, выпускаемые НПП «Динамика» (г. Чебоксары). Высокая степень автоматизации проведения проверок УРЗА с использованием, например, универсального программно-технического измерительного комплекса (ИПТК) РЕТОМ, составной частью которого является устройство РЕТОМ-51, повышает надежность работы этих устройств. Коротко рассмотрим основные возможности и особенности этого комплекса [19].
Использование операционной системы Windows в ИПТК РЕТОМ-51 позволяет: создавать протоколы в свободной форме, например в редакторе Microsoft Word; иметь возможность углубленного анализа результатов проверки, например в Microsoft Excel; прогнозировать возможные неисправности с использованием экспертных систем; вести диалог проверочной системы с проверяемым объектом (только для МП систем) без участия человека как до проведения проверки, так и во время неё.
Программно-технический измерительный комплекс РЕТОМ-51 может выполнять не только стандартные регулировки и измерения, но и производить проверку характеристик и параметров настройки электромеханических, полупроводниковых, микропроцессорных реле, панелей (шкафов) РЗА в режимах реальных повреждений в энергосистеме.
|
|
|
Комплекс РЕТОМ-51 включает в себя: устройство РЕТОМ-51; программное обеспечение; необходимые аксессуары; устройство для печати протокола – принтер; управляющее устройство на базе компьютера; блок однофазного преобразователя тока РЕТ-10; блок трехфазного преобразователя напряжения РЕТ-ТН.
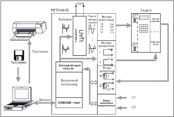
Структурная схема ИПТК РЕТОМ-51 приведена на рис.5.1.

Рис. 5.1. Структурная схема ИПТК РЕТОМ-51
Пользователь с помощью персонального компьютера (PC) задает необходимые режимы работы. Компьютер рассчитывает эти режимы и передает всю необходимую информацию в устройство РЕТОМ-51, на внутренний контроллер (ВК). По полученной информации ВК рассчитывает цифровые выборки токов и напряжений и передает их в интерфейсный модуль (ИМ), затем на силовые цифро-аналоговые преобразователи (силовые ЦАП), а сформированный ими сигнал – на соответствующие усилители. Силовые ЦАП масштабируют аналоговые сигналы токов и напряжений до заданных величин и обеспечивают необходимый уровень мощности. Указанные сигналы передаются на входы проверяемой защиты.
Выходы проверяемого устройства защиты (контактные или потенциальные) подключаются к дискретным входам устройства РЕТОМ-51 через ИМ. Полученные сигналы передаются в ВК, где проводится первичная обработка и синхронизация с реальным временем. Полученная информация передается в PC для окончательного анализа и оформления протокола испытаний, который может быть выведен на дисплей или печатающее устройство.
|
|
|
Внутренний контроллер управляет также реле, которые установлены в приборе РЕТОМ-51 (выходы контактные), и обрабатывает информацию, полученную от АЦП (входы аналоговые). Упрощенная схема подключения УРЗА к комплексу РЕТОМ приведена на рис.5.2.

Рис. 5.2. Схема подключения устройств РЗА к комплексу
РЕТОМ-51
Стандартное программное обеспечение позволяет выполнять простые стандартные операции: ручное управление источниками тока и напряжения, использовать режим цифрового осциллографа-мультиметра; производить проверки простых реле: тока, напряжения, частоты, сопротивления и др.
Имеется программа «Математическая модель энергосистемы», реализованная на РС, которая в сочетании с испытательным устройством РЕТОМ, обеспечивающим физическое воспроизведение результатов математических расчетов, дает пользователю возможность проверки УРЗА при режимах, близких к реальным режимам повреждений. Дружественный диалоговый интерфейс позволяет задавать параметры энергосистемы, токи и напряжения нагрузочного режима, место установки УРЗА, вид и место повреждения. Также могут задаваться с различными параметрами ненормальные режимы работы энергосистемы – качания, асинхронный ход, обрыв фазы без КЗ, скачкообразное включение нагрузки. Результаты испытаний обрабатываются и наглядно отображаются на экране дисплея. При этом на вход проверяемой защиты подводятся токи и напряжения, рассчитанные с учетом переходных процессов в заданной энергосистеме. На основе этих испытаний пользователь может принять решение о параметрах, характеристиках и уставках релейной защиты, соответствующих его условиям.
Программа «Воспроизведение аварийных процессов, записанных цифровыми осциллографами» необходима для подробного анализа поведения УРЗА во время аварии. РЕТОМ-51 позволяет многократно воспроизводить эту аварию, если она зафиксирована электронным регистратором аварий (цифровым осциллографом) в COMTRADE -формате.
Программа «Генератор несинусоидальных сигналов» предназначена для проверок характеристик различных защит при подаче на их вход токов и напряжений произвольной формы. Программа «Многофункциональный секундомер-регистратор» предназначена для проверки времен функционирования различных реле и позволяет, задавая различные воздействия (переменный и постоянный ток и напряжение, различные векторные диаграммы токов и напряжений, соответствующие видам КЗ), измерить времена срабатывания, возврата и т.д.
Специальные программы. Это пакеты автоматических проверочных программ для наиболее сложных или широко используемых, прежде всего отечественных, реле и комплектных УРЗА на любой элементной базе.В сочетании с испытательным комплексом РЕТОМ эти проверочные программы с автоматической выдачей протокола испытаний существенно повышают объективность проверки, значительно снижают трудозатраты и в 3-4 раза сокращают продолжительность работ. Во всех программах имеется возможность создания архива проверок, используется ориентированный на пользователя интерфейс (меню, кнопки, горячие клавиши). Рассмотрим наиболее важные специальные программы.
Специальный язык разработки проверочных программ РЕТОМ-мастер. Язык программирования РЕТОМ-мастер представляет возможность квалифицированным пользователям самостоятельно составлять испытательные программы с учетом их специфических требований, используя любой пакет, поддерживающий технологию СОМ, например, из приложений, написанных на языке VBA, входящих в установку пакета Microsoft Office (Exel, Word), а также Microsoft Visual Basic, Microsoft Visual C++ и т.д.
|
|
|
Проверка панелей типа ЭПЗ-1636. Программа позволяет при работе с испытательным прибором РЕТОМ-51 в полном объеме автоматически проверить все функции защиты в соответствии с работами [10, 12, 13]. Проверка основных характеристик измерительных органов панели при помощи программы занимает от 4 до 8 часов.
Подобным же образом разработаны программы для других УРЗА: «Проверка шкафа защит типа ШДЭ-2801», «Проверка ВЧ-направленной защиты линий ПДЭ 2802», «Программа для автоматической проверки панели защит ДФЗ-201», «Проверка микропроцессорного терминала БМРЗ-КЛ» и для ряда других устройств.






