Этот способ нашел мировое применение ориентации слитков. Метод заключается в следующем: если предварительно отшлифованный торец слитка протравить в селективном травителе, то на нем образуются фигуры травления в виде ямок и выступов. Последние имеют четкую огранку, соответствующую строению кристаллической решетки. Падающий на торец слитка узкий пучок света отражается от грани ямок и попадает на полупрозрачный экран, на котором наблюдаются отраженные фигуры. В зависимости на сколько сильно отклоняется кристаллографическая плоскость от плоскости торца слитка, фигура, образованная отраженным пучком света, будет отстоять ближе или дальше от центра экрана.

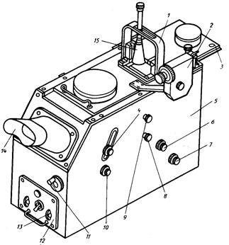
Установка для световой ориентации монокристаллов:
1- держатель, 2 - угломерная головка, 3 - подвижная плита, 4,11,13 — ручки поворота, подъема экрана и регулирования интенсивности освещения шкалы, 5 - корпус, 6, 9 - ручки регулирования светового луча, 7, 8 – ручки регулирования диафрагмы объектива, поворота верхнего зеркала; 10 - ручка цанговогозажима, и поворота зеркала наблюдения, 12- панель электрического блока, 14 – кожух, 15 – ориентируемый образец

Оптическая система установки световой ориентации монокристаллов:
1 - источник света, 2 - конденсор, 3 - сменная диафрагма, 4, 6, 8, 10, 11 - зеркала, 5 - объектив, 7 - образец (монокристалл), 9 - матовый экран
Свет с точечной проекции на плоскость, перпендикулярно оптической оси, падает на конденсор (система из двух линз), с конденсора свет падает на регулируемую диафрагму, далее в длиннофокусный объектив, для наводом на резкость. Свет отразившись от слитка попадает на матовый экран. Изображение просматривается на просвет с помощью зеркала в смотровое окно установки.
Зеркала 1, 4 укреплены на перемещаемой платформе, изображена она в крайнем правом положении. В этом положении расстояние между слитком и экраном меньше и одно деление шкалы равное одному мм, соответствует отклонению кристаллографической оси монокристаллического слитка на 15, а в левом на 3.
Подготовка установки:
Приводят световое пятно в центр экрана - в место пересечения вертикалей и горизонталей плоскостей. Слиток травят для получения структурного изображения.
Слиток выставляют на столик, световая фигура, отраженная от торца слитка, попадает на матовый экран, перемещают ее на вертикальную ось макс, чтобы она занимала симметричное положение относительно вертикальной оси. Установка световой фигуры на горизонтальную ось осуществляется поворотом ручки угломерной головки.
По шкале угломерной головки определяют угол отражения кристаллографической плоскости монокристалла от плоскости торца слитка, на лимбе в минутах.
Точность выше у рентгеновского метода на 5 - 10 градусов.






