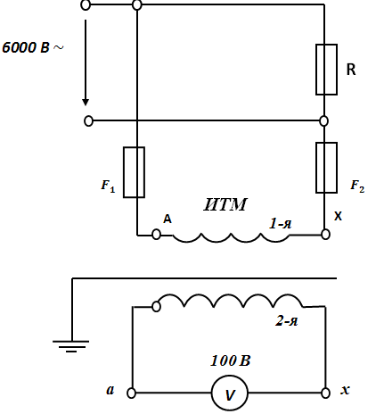
Назначение: предназначен для расширения пределов измерения напряжения, а так же для безопасности амперметра в высоковольтных установках.
Устройства ИТМ: состоит из магнитопровода, на котором расположено два магнитных провода. Первый - высокоомный, обозначается A, X и подключается к сети высокого напряжения (параллельно). Эта обмотка рассчитана на любое напряжение. Вторичная обмотка обозначается a, x и рассчитана на напряжение в 100В; 100/3; 100/
ко второй обмотке можно подключить только вольтметр обмотки напряжения счётчиков и ваттметр, тоесть приборов с внутренним сопротивлением. Режим работы в ИТМ близок к холостому ходу, режим короткого замыкания вторичной обмотки. Для защиты от короткого замыкания первичную обмотку включают предохранители.
Ко вторичной обмотке можно подключить такое количество приборов, чтобы их мощность (P) не превышала мощность трансформатора. Действительный коэффициент трансформатора определяется путем, так как действительные и номинальные коэффициенты не совпадают погрешности: 






