Микрофарадметр: 
Прибор представляет логометр, ЭДС класса 1. Диапазон измерения: 1,2,5,10. Напряжение питания: 36 В, 100 В, 127 В, 220В. Мост переменного тока измеряет L, C, R, поэтому равновесие моста осуществляется при помощи двух ручек: баланс амплитуд, баланс фаз.
Индикатором равновесия служит электронный нуль, индикатор с МЭС, схема работает на частоте 1000 Гц. Баланс амплитуд определяется величиной L, C. Баланс фаз определяет качество L,C, тоесть для ёмкости
-
диэлектрические потери, Q- добротность.
Питание моста осуществляется встроенными электрическими генераторами.
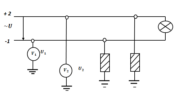
Схема включения вольтметра для контроля R изоляции установки находящейся под напряжением:
Тогда сопротивление первого провода изоляции R, вольтметра, U: 






