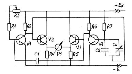
Для непрерывного измерения уровня жидкости в резервуаре применяют электронный измеритель уровня жидкости, схема которого приведена на рисунке 4.6. Измерительным преобразователем является конденсатор Сх, конструкция которого приведена на рисунке 4.4 а.

Рисунок 4.6 – Схема измерителя уровня
Электронный измеритель уровня работает следующим образом. Симметричный мультивибратор на транзисторах V1 и V4 генерирует прямоугольные импульсы напряжений. Эмиттерный повторители, выполненные на транзисторах V2 и V3, усиливают по току эти импульсы и согласуют высокое выходное сопротивление мультивибраторов с низкоомной нагрузкой микроамперметром Р1, подключенного по балансовой схеме к эмиттерам транзисторов V2 и V3. Емкостный датчик (Сх) подключен параллельно конденсатору обратной связи С2. При изменении емкости датчика, изменяется скважность импульсов, генерируемых мультивибратором, и соответственно средний ток протекающий через микроамперметр.






