Принцип работы емкостных датчиков основан на свойстве конденсатора изменять емкость с изменением геометрических размеров или относительной диэлектрической проницаемости.
Емкостные датчики применяются для измерения влажности почвы, зерна, толщины различных материалов, уровней жидкости и сыпучих материалов, размеров деталей, давлений, ускорений, вибраций и т. д.
Емкость плоского датчика определяется по формуле:
(4.1)
где e – относительная диэлектрическая проницаемость (для воздуха e = 1);
S – действующая площадь пластин (обкладок), составляющих конденсатор, см2;
d – толщина диэлектрика (или зазора).
Из формулы (4.1) видно, что емкость может изменяться в зависимости от трех величин: e, S, d. Следовательно, в зависимости от того, какой параметр подвергается воздействию измеряемой величины, можно выполнить соответствующий емкостный датчик. На рисунке 4.1 а изображен емкостный датчик, в котором измеряемая величина вызывает изменение зазора d между пластинами, из которых 1 – подвижная, а 2 – неподвижная. Такой датчик применяется для измерений небольших перемещений. Если обозначить начальную емкость (до измерения) через С 0, а в момент измерения через C 1, то абсолютное изменение емкости:
|
|
|
(4.2)
и относительное изменение
, (4.3)
где D d – изменение зазора между пластинами.

Рисунок 4.1 – Емкостные датчики
В формуле (4.2) знак (+) соответствует уменьшению емкости, а (–) увеличению.
Чувствительность датчика:
. (4.4)
На рисунке 4.1 б показана зависимость относительного изменения емкости D С / С от относительного изменения зазора D d/d. В случае уменьшения зазора (d – D d) кривая А круто поднимается вверх и при D d/d ®1 стремится к бесконечности. При увеличении зазора d + D d кривая Б при D d/d ® ¥ плавно приближается к предельному значению D С / С = 1. При этом чувствительность датчика уменьшается. Обе кривые будут иметь линейный характер в случае, когда зазор изменяется не более чем на 5 %, т. е. D d = ±0,05 d.
На рисунке 4.1 в приведена схема дифференциального конденсатора. Применение его позволяет увеличить чувствительность схем емкостных ИП. Конденсатор содержит подвижную пластину 1, расположенную между двумя неподвижными пластинами 2 и 3. Подвижная пластина закреплена с двух сторон на упругих подвесках 4 с малой жесткостью и может перемещаться вверх и вниз под действием измеряемого усилия. Во избежание утечки зарядов пластины 2 и 3 тщательно изолированы от корпуса прокладками 5. При перемещении подвижной пластины вверх увеличивается емкость C 1 между пластинами 1 и 2 и уменьшается С 2 между пластинами 1 и 3. Емкостные ИП с таким дифференциальным конденсатором служат для измерения линейных перемещений до 1 мм с точностью 0,1–0,01 мкм.
|
|
|
При изменении емкости конденсатора изменяется его емкостное сопротивление:
(4.5)
Для преобразования изменения сопротивления в электрический сигнал конденсатор включают в мостовую схему рисунка 4.2, работающие на переменном токе, или в резонансные схемы, основанные на резонансе токов или напряжений.

Рисунок 4.2 – Мостовая схема включения датчиков
Мостовая схема емкостного ИП содержит два конденсатора постоянной емкости (С 4и С 3) и трехэлектродный воздушный конденсатор со средней подвижной пластиной, перемещение которой вызывает изменение емкостей C 1 и C 2).
Если мост уравновешен, т. е. XС 1 ХС 3 = ХС 2 ХС 4, то U вых = 0. При перемещении подвижной пластины дифференциального конденсатора нарушается равновесие моста и появляется U вых в измерительной диагонали моста, т. е. U вых = f (x).
На рисунке 4.3 а показан датчик для измерения линейных перемещений, в котором входная величина х преобразуется за счет изменения площади пластин. Здесь b, h, d – соответственно ширина, высота обкладки и расстояние между обкладками.
Используя обозначения, принятые на рисунке 4.1 а находим абсолютное изменение значения емкости:
. (4.5)
Обычно для увеличения чувствительности датчика применяют многопластинчатые конденсаторы, в этом случае емкость
, (4.6)
где n – общее число пластин.
Абсолютное изменение емкости:
. (4.7)
На рисунке 4.3 б изображен датчик роторного типа для преобразования угловых перемещений в изменение емкости. Пример такого датчика может быть обычный конденсатор переменной емкости, применяемый в радиотехнике. В системах автоматики и телемеханики такой датчик применяется для передачи показаний указывающих приборов. В датчике 3 ротор может свободно поворачиваться относительно статора 1, при этом расстояние между пластинами не изменяется. Рабочая площадь (заштрихована) зависит от угла поворота α пластины 2.

Рисунок 4.3 – Датчики для измерения линейных и угловых перемещений
Для увеличения емкости датчика применяют систему, состоящую из подвижных и неподвижных пластин. При этом емкость датчика:
, (4.8)
где С 0 – начальная емкость датчика;
Ψ – изменение площади S на единицу угла поворота.
На рисунке 4.3 в изображен цилиндрический датчик с переменной площадью для измерения перемещений более 1 мм. В этом случае емкость датчика
, (4.9)
где L – длина перекрываемой части обкладок конденсатора;
r н, r вн – радиусы цилиндров внешней и внутренней обкладок соответственно.
При смещении внутреннего цилиндра на величину D L абсолютное изменение емкости:
. (4.10)
Анализ работы емкостных датчиков (за исключением датчика на рисунке 4.1 а) показывает, что между изменением емкости D С и изменением площади D S (или перемещения Dα, D L, D h) существует линейная связь.

Рисунок 4.4 – Датчики с переменной диэлектрической проницаемостью
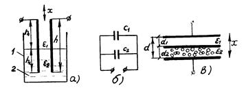
Емкостные датчики с переменной диэлектрической проницаемостью могут быть двух типов: с перемещением диэлектрика перпендикулярно или параллельно плоскости пластин. На рисунке 4.4 а изображен датчик для измерения уровня жидкости (первый тип).
При различных величинах диэлектрической проницаемости воздуха e1 = eв и перемещающегося диэлектрика ε2 (жидкость) образуется два конденсатора C 1 и C 2, соединенные параллельно.
Общая емкость:
, (4.11)
где C 1 – емкость в верхней части бака высотой h 1 заполненная воздухом;
C 2 – емкость в нижней части бака, заполненная жидкостью, уровень h 2 которой изменяется;
h = h 1 + h 2 – полная высота электрода (обкладки).
На рисунке 4.4 в показан тип датчиков, в котором диэлектрическая проницаемость изменяется на высоте d параллельно плоскости пластин.
Достоинства емкостных датчиков: высокая чувствительность, малый вес и размеры, малая инерционность, простота конструкции, отсутствие подвижных контактов.
|
|
|
Недостатки: не пригодны для работы от напряжения сети промышленной частоты и требуют источника питания повышенной частоты 400 Гц и более (из-за наличия высокого внутреннего сопротивления Х с), сложны в наладке, чувствительны к посторонним электрическим полям и паразитным емкостям, к изменению влажности и температуры среды.