Схема автоматизации (функциональная схема) является техническим документом, отражающим объем автоматизации, функции контроля и управления технологическим процессом и оснащения его средствами измерения, автоматизации и вычислительной техники.
Любая схема автоматизации включает реализацию следующих элементов управления:
1) получение информации о состоянии объекта путем измерения выходной переменной и определения (задания) требований, предъявляемых к ее значениям;
2) обработка информации о состоянии выходной переменной и сравнение полученного результата с заданием;
3) принятие решений об изменении состояния объекта и выработка законов управления;
4) отработка исполнительными органами воздействия на объект в соответствии с выработанными законами управления.
В общем случае функциональная схема представляет собой чертеж, на котором условными обозначениями изображены технологическое оборудование, трубопроводы, контрольно-измерительные приборы и средства автоматизации с указанием связей между ними. Вспомогательные устройства (источники питания, реле, автоматы, выключатели, предохранители и т. п.) на схемах не показывают.
|
|
|
Функциональные схемы автоматизации связаны с технологией производства и технологическим оборудованием. Поэтому их следует показывать на схеме размещения технологического оборудования.
Технологическое оборудование на функциональных схемах автоматизации изображается упрощенно без соблюдения масштаба, но в то же время с учетом действительной конфигурации.
Приборы, средства автоматизации и элементы вычислительной техники на функциональных схемах изображают в соответствии с ГОСТ 21.404–85 «Автоматизация технологических процессов. Условные обозначение приборов и средств автоматизации в схемах».
Система условных обозначений, принятая в этом стандарте (таблица 14.1), аналогична системам условных обозначений, применяемым в большинстве стран мира.
Таблица 14.1 – Условные графические обозначения приборов
и средств автоматизации на схемах
| Наименование | Обозначение |
| Первичный измерительный преобразователь; прибор (измерительный, регулирующий, контролирующий, сигнализирующий), · установленный по месту: – базовое обозначение; – допускаемое обозначение; · установленный на щите управления: – базовое обозначение; – допускаемое обозначение | |
| |
| Исполнительныймеханизм: – общее обозначение; – открывающий регулирующий орган при прекращении подачи энергии или управляющего сигнала; – закрывающий регулирующий орган при прекращении подачи энергии или управляющего сигнала; – закрывающий регулирующий орган, который при прекращении подачи энергии или управляющего сигнала останавливает регулирующий орган в неизменном положении; – с дополнительным ручным приводом (обозначение может применяться с любым из дополнительных знаков, характеризующих положение регулирующего органа после прекращения подачи энергии) | |
| Линии связи: – общее обозначение; – пересечение линий связи без соединений одна с другой; – пересечение линий связи с соединением между собой | |
Примечания.
|
|
|
1. Отборное устройство для всех постоянно включенных приборов обозначают тонкой сплошной линией, соединяющей технологический трубопровод или аппарат с первичным измерительным преобразователем или прибором.
2. Если необходимо указать точное место расположения отборного устройства или точки измерения (внутри контура технологического аппарата), то в конце тонкой линии изображают окружность диаметром 2 мм.
3. Запорную арматуру, и регулирующую (например, задвижки, заслонки, шиберы, направляющие аппараты и т. п.) допускается изображать в соответствии с действующими стандартами.
4. Линию связи к символу прибора допускается подводить в любой точке окружности (сверху, снизу, сбоку).
5. Если необходимо указать направление передачи сигнала, то на линии связи можно наносить стрелки.
Согласно ГОСТ 21.404–85 первичные измерительные преобразователи (датчики) и приборы, в том числе измерительные, регулирующие, контролирующие и сигнализирующие, графически обозначают окружностью, а исполнительные механизмы – окружностью меньшего диаметра.
По виду измеряемой величины и функциональному назначению приборы различают при помощи прописных букв латинского алфавита, вписываемых внутри условного графического обозначения. Причем одни и те же буквы могут быть применены для обозначения как измеряемой величины, так и функционального признака прибора (таблица 14.2). Например, букву S используют для обозначения скорости и частоты, но в то же время она может указывать такие функциональные признаки прибора, как включение, отключение, переключение.
Таблица 14.2 – Буквенные обозначения на схемах автоматизации (ГОСТ 21.404–85)
| Обозначение | Измеряемая величина | Функции выполняемые прибором | |||
| основное значение первой буквы | дополнительное, уточняющее значение первой буквы | отображение информации | формирование выходного сигнала | дополнительное значение | |
| А | – | – | сигнализация | – | – |
| С | – | – | – | регулирование, управление | – |
| D | плотность | разность, перепад | – | – | – |
| E | любая электрическая величина | ||||
| F | расход | соотношение, доля, дробь | – | – | – |
| G | размер, положение, перемещение | – | – | – | – |
| H | ручное воздействие | – | – | – | верхний предел |
| I | показание | ||||
J | автоматическое переключение, обегание | ||||
| K | время, временная программа | – | – | – | – |
| L | уровень | – | – | – | нижний предел |
| M | влажность | ||||
| P | давление, вакуум | – | – | – | – |
| Q | качество, состав, концентрацию и т. д. | интегрирование, суммирование по времени | |||
| R | радиоактивность | – | регистрация | – | – |
| S | скорость, частота | – | – | включение, отключение, переключение | – |
| T | температура | – | дистанционная передача информации | – | – |
| V | вязкость | – | – | – | – |
| W | масса | – | – | – | – |
| B, N, O, X, Y, Z | нерекомендуемая резервная буква |
На функциональных схемах автоматизации буквенные обозначения приборов должны располагаться в верхней части условного графического изображения этих приборов, а позиционное обозначение, состоящее из арабских цифр и строчных букв русского алфавита, – в нижней части. Цифра указывает номер функциональной группы приборов, а буква – номер прибора в данной группе. Причем буквенное обозначение присваивается каждому элементу функциональной группы в порядке, который определяется последовательностью прохождения сигнала – от устройств получения информации к устройствам воздействия на объект управления (рисунок 14.1 a).
|
|
|
Буквенные обозначения располагают в следующем порядке (слева направо):
обозначение основной измеряемой величины (см. таблица 14.2) [буквы А, В, С, I, J, N, О, Y и Z являются резервными и могут быть использованы в случаях, не предусмотренных стандартом];
обозначение, уточняющее (если это необходимо) основную измеряемую величину, буквами D, F, J и Q (три из них разрешается записывать строчными буквами d, f, q);
обозначение функционального признака прибора буквами А, I, R, С, S, H, L; если прибор, изображаемый на функциональных схемах автоматизации, характеризуется несколькими функциональными признаками, то буквы, обозначающие их, проставляют в верхней части условного графического изображения в такой последовательности: IRCSА (показание–регистрация–регулирование или управление–включение, отключение, переключение–сигнализация); следует помнить, что в обозначении указывают лишь те функциональные признаки прибора, которые используют в данной системе.
Пример изображения прибора, обеспечивающего измерение - показание, регистрацию и автоматическое регулирование перепада давления, показан на рисунке 14.1 б.
На функциональных схемах автоматизации сложные приборы, выполняющие ряд функций, изображают в виде нескольких окружностей, примыкающих одна к другой (рисунок 14.1 к).
Очень часто функциональные признаки приборов и средств автоматизации могут быть указаны буквами: Е, Т, К, Y. В этом случае обозначение изображаемого прибора должно состоять только из двух букв. Первая из них означает измеряемую величину, а вторая – функциональную принадлежность прибора (таблица 14.3).
Таблица 14.3 – Дополнительные буквенные обозначения функциональных признаков приборов
| Обозначение | Функциональный признак |
| Е | Чувствительный элемент |
| Т | Дистанционная передача |
| К | Станция управления |
| Y | Преобразование, вычислительные функции |
Например, ТЕ означает первичный преобразователь температуры, РT – бесшкальный прибор давления с дистанционной передачей показаний (рисунок 14.1 в) и т. д.
|
|
|
Приборы и средства автоматизации, преобразующие сигналы или же производящие над этими сигналами различные вычислительные функции, обозначают буквой Y, стоящей на втором месте. Для расшифровки вида преобразования или вычислительной функции применяют дополнительное буквенное обозначение и математические символы, которые наносят справа от графического изображения прибора (таблица 14.4).
Например, на рисунке 14.1 г показаны: преобразователи температуры, которые преобразуют аналоговый сигнал в дискретный, пневматический в электрический; вычислительное устройство, обеспечивающее умножение сигнала на постоянный коэффициент К.
Рисунок 14.1 – Примеры изображения приборов и средств автоматики
на функциональных схемах:
а – позиционное обозначение; б – принцип построения условного буквенного обозначения; в и г – использование для указания функциональных схем признаков приборов дополнительного буквенного обозначения; д – прибор (расположен по месту) для измерения уровня с сигнализацией верхнего и нижнего значений; е – приборы для измерения силы тока и напряжения (амперметр и вольтметр); ж – комплект приборов для регистрации расхода, давления и температуры; з – кнопка дистанционного управления и переключатель электрических цепей; и – приборы для измерения расхода показывающий, интегрирующий, установленный на щите управления (показывающий дифманометр с интегратором); к – совмещенный способ выполнения функциональных схем; л – развернутый способ выполнения функциональных схем
При выполнении функциональных схем автоматизации необходимо помнить особенности некоторых буквенных обозначений, которые заключаются в следующем:
букву А применяют для указания функции «сигнализация» независимо от того, вынесена ли сигнальная аппаратура на какой-либо щит или для сигнализации используют лампы, встроенные в сам прибор;
Таблица 14.4 – Дополнительные обозначения, применимые для построения преобразователей сигналов и вычислительных устройств
| Наименование | Обозначение |
| Род сигнала: электрический пневматический гидравлический Виды сигналов: аналоговый дискретный | E P G А D |
| Операции, выполняемые вычислительным устройством: | |
| суммирование умножение сигнала на постоянный коэффициент K перемножение двух и более сигналов деление сигналов один на другой возведение значения сигнала f в степень n извлечение из значения сигнала f корня в степени n логарифмирование дифференцирование интегрирование изменение знака сигнала ограничение верхнего значения сигнала ограничение нижнего значения сигнала | ∑ К Х : f n lg dx/dt ∫ X (–1) max min |
сигнализацию предельных значений измеряемых величин следует конкретизировать добавлением букв Н и L (соответственно верхний и нижний уровень), которые наносят справа от условного графического изображения прибора (рисунок 14.1 д);
букву S используют для обозначения контактного устройства прибора, применяемого только для включения, отключения, блокировки и т. д.; если контактное устройство прибора применяют для включения и одновременно для сигнализации, то в обозначении нужно использовать обе буквы S и А; буквой S не следует обозначать функцию регулирования;
для конкретизации измеряемой величины справа от условного графического изображения указывают наименование или символ измеряемой величины (рисунок 14.1 е);
букву U можно использовать для обозначения вторичного прибора, измеряющего несколько разнородных величин; подробная расшифровка измеряемой величины должна быть приведена около прибора или на поле чертежа; следует помнить, что первичные преобразователи этого комплекта необходимо изображать в соответствии с измеряемой величиной (рисунок 14.1 ж);
букву Н применяют в обозначении (причем стоит на первом месте) устройств, выполненных в виде отдельных блоков и предназначенных для ручных операций вне зависимости от того, в состав какого измерительного комплекта они входят; например, Н обозначаются кнопки дистанционного управления, HS – переключатели электрических цепей (рисунок 14.1 з);
резервные буквы можно использовать для обозначения величины, не предусмотренной ГОСТ 21.404–85; при этом многократно применяемые величины следует обозначать одной и той же буквой; для одноразового или редкого применения можно использовать букву X; буквенные резервные обозначения на чертеже должны быть расшифрованы; надо помнить, что недопустимо применять в одной и той же документации одну и ту же резервную букву для обозначения разных величин.
Функциональные схемы автоматизации можно выполнять как упрощенным способом, так и развернутым. В первом случае на схемах не показывают первичные измерительные преобразователи и всю вспомогательную аппаратуру. Приборы и средства автоматизации, осуществляющие сложные функции и выполненные в виде отдельных блоков, изображают одним условным графическим обозначением (рисунок 14.1 л). Развернутый способ применяют в том случае, когда необходимо конкретизировать функцию каждого прибора и средства автоматизации, входящих в единый измерительный регулирующий или управляющий комплект.
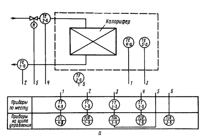
Если функциональные схемы автоматизации сложные, то линии связи допускается разрывать. При этом оба конца линий в местах разрыва нумеруют одной и той же арабской цифрой. Для нижнего ряда (со стороны щитовых приборов) номера должны следовать в возрастающем порядке слева направо; для верхнего ряда подобное условие не является обязательным. Функциональные схемы автоматизации можно выполнять как с условным изображением щитов или пультов управления (рисунок 14.2 а), так и без них. В первом случае схемы несколько усложнены, но зато очень наглядны, во втором – наоборот, упрощается изготовление схем, но наглядность ухудшается.
Рисунок 14.2 — Пример выполнения функциональной схемы автоматизации
температурного режима
Очень важно на функциональных схемах разделить контуры технологического оборудования, линии связи, графические обозначения приборов, средств автоматизации и щитов управления. Для этой цели используют линии разной толщины. Линиями толщиной 0,6–1,5 мм выполняют контуры технологического оборудования, а также прямоугольники, изображающие щиты и пульты; 0,5–0,6 мм – приборы и средства автоматизации; 0,2–0,3 мм – линии связи.
J
lg dx/dt ∫ X (–1) max min