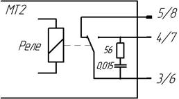
Электромеханическое реле:

Электронное реле (SSR):

Открытый коллектор:

Изолированный открытый коллектор:

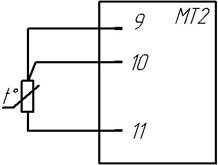
Подключение входной цепи

Рисунок 13.7
При подключении термопреобразователя (рисунок 13.7) сопротивления по двухпроводной схеме клеммы 9 и 10 необходимо соединять накоротко перемычкой (при этом не обеспечивается автоматическая компенсация сопротивления линии связи).






