«Определение координат центра тяжести сечения»
| № варианта | № рисунка | Номер профиля | Сечение полосы, мм | |||
| равнополочного уголка | неравнополочного уголка | двутавра | швеллера | |||
| Рис. 1 | - | - | 300 10 | |||
| Рис. 2 | - | - | ||||
| Рис. 3 | - | 16/10 | - | |||
| Рис. 4 | - | - | ||||
| Рис. 5 | - | - | 200 10 | |||
| Рис. 6 | - | - | 24,30 | - | ||
| Рис. 7 | - | - | 22,30 | - | ||
| Рис. 8 | - | - | - | |||
| Рис. 9 | - | 14/9 | - | |||
| Рис. 10 | - | 18/11 | 20,22 | - | - | |
| Рис. 1 | - | - | 300 10 | |||
| Рис. 2 | - | - | ||||
| Рис. 3 | - | 14/9 | - | |||
| Рис. 4 | 12,5 | - | - | |||
| Рис. 5 | - | - | 160 10 | |||
| Рис. 6 | - | - | 27,36 | - | ||
| Рис. 7 | - | - | 24,33 | - | ||
| Рис. 8 | - | - | - | |||
| Рис. 9 | - | 18/11 | - | |||
| Рис. 10 | - | 16/10 | 22,24 | - | - | |
| Рис. 1 | - | - | 280 10 | |||
| Рис. 2 | - | - | ||||
| Рис. 3 | - | 18/11 | - | |||
| Рис. 4 | - | - | ||||
| Рис. 5 | - | - | 200 10 | |||
| Рис. 6 | - | - | 22,30 | - | ||
| Рис. 7 | - | - | 27,33 | - | ||
| Рис. 8 | - | - | - | |||
| Рис. 9 | - | 16/10 | - | |||
| Рис. 10 | - | 14/9 | 20,24 | - | - |
5. 2. Краткие указания и пример решения задачи
|
|
|
Перед тем, как приступить к решению задачи, следует изучить тему «Центр тяжести». Требуется твердо усвоить понятие статического момента, знать положение центров тяжести простейших геометрических фигур и уметь определять координаты центров тяжести сложных сечений, представляющих собой совокупность простейших геометрических фигур, а также сечений, составленных из стандартных профилей проката (в последнем случае необходимо уметь пользоваться таблицами ГОСТов). Для решения задачи можно воспользоваться следующим планом:
- разбить сечение на простые фигуры. Такими фигурами являются стандартные профили проката, размеры которых приведены в приложении 1;
- указать центры тяжести каждого профиля (фигуры) и обозначить их С1, С2, …, Сn;
- выбрать систему координатных осей X,Y;
- используя формулы для определения координат центра тяжести сечения, определить координаты точки С;
- указать положение центра тяжести на рисунке (точку С) и показать расстояние от центра тяжести до координатных осей;
- для проверки правильности решения можно изменить положение координатных осей (или одной оси) и найти координаты центра тяжести относительно новых осей. Положение центра тяжести не зависит от того, как выбрана система координатных осей.
Пример:
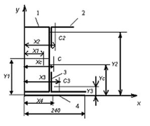
Рис. 4.1. Схема составного сечения | Определить координаты центра тяжести сечения (рис. 4.1.) составленного из: 1 – швеллера №30; 2 – равнополочного уголка 100 100 12; 3 - неравнополочного уголка 140 90 10; 4 – стального листа сечением 240 10 мм. ___________________________ |
Решение:
1. Выписываем из таблиц сортамента (приложение 1) стандартных профилей проката необходимые для решения задачи данные:
|
|
|
Для швеллера № 30 (рис. 4. 2.) – h = 300 мм = 30см; b = 100 мм = 10 см; z0 = 2,52 см; площадь сечения А = 40,5 см2.
Для равнополочного уголка 100
100
12 (рис. 4.3.) – b = 100 мм; z0 = 2,91 см; А= 22,8 см2.
Для неравнополочного уголка 140
90
10 (рис. 4.4.) – В =140 мм; b =90 мм; x0 = 2,12 см; y0 = 4,58 см; А= 22,2 см2.
Для стального листа А = 24 см2.
Рис. 4.2. Швеллер | Рис. 4.3. Равнополочный уголок | Рис. 4.4. Неравнополочный уголок |
2. Выбираем систему вспомогательных координатных осей и находим относительно её координаты центра тяжести каждого элемента:
Координаты центра тяжести С1 сечения швеллера:
см;
см.
Координаты центра тяжести С2 сечения равнополочного уголка:
см;
см.
Координаты центра тяжести С3 сечения неравнополочного уголка:
см;
см.
Координаты центра тяжести С4 сечения стального листа:
см;
см.
Координаты центров тяжести всех элементов положительны, так как всё сечение относительно выбранных координатных осей находится в первой четверти (в первом квадранте).
3. Определяем координаты центра тяжести С всего сечения:

см;

см;
По найденным координатам xc и yc наносим на рисунок точку С.
1. Что называется центром тяжести тела?
2. Напишите формулы для определения координат центров тяжести однородного тела и тонкой однородной пластинки.
3. Как определяется положение центров тяжести простых геометрических фигур?
4. Как определяется положение центра тяжести плоской фигуры сложной формы?
5. Как определяется центр тяжести сечений, составленных из стандартных профилей проката?
Приложение 1
Рис. 4.1. Схема составного сечения
Рис. 4.2. Швеллер
Рис. 4.3. Равнополочный уголок
Рис. 4.4. Неравнополочный уголок 





