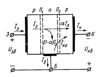
В схеме с общей базой входные (эмиттерные) характеристики представляют собой зависимость
I э= f (U э) при U к = const.
Характеристика при U к = 0 аналогична прямой ветви диодной вольтамперной характеристики. При подаче (- U к) она смещается влево (у p-n-p транзистора). Это свидетельствует о наличии
|
Возникает он в основном из-за сопротивления базы r ’б. Это сопротивление создается слабо легированной областью базы. Оно является общим для входной и выходной цепей. Рост U к приводит к росту I кбо. Коллекторный переход расширяется, I э.рек и ширина базы уменьшаются. Как следствие растет I э, поскольку увеличивается доля напряжения эмиттер-база, приложенного непосредственно к переходу.
Выходные характеристики представляют собой зависимость тока I к= f (U к) при I э = const.. Нулевая характеристика аналогична обратной ветви вольтамперной характеристики диода. С ростом I э характеристика смещается, т.к. увеличивается ток коллектора на величину D I кр = a D I э» D I э.
|
Кроме того, наклон характеристики с ростом I э растет, поскольку с ростомнапряжения U к уменьшаютсяширина базы d б ирекомбинационныйток эмиттера I э.рек и растетдырочная составляющая тока коллектора I кр. Выходные характеристики имеют три области. В 1-й I к сильно зависит от U к (начальный участок). Эта зона размещается слева от оси тока, поскольку при U к = 0, I к ¹ 0, т.к. дырки переходят в коллектор под действием внутренней разности потенциалов j 0.
2-я зона характеризуется слабой зависимостью I к от U к. Ток коллектора несколько растет из-за увеличения объемного заряда коллекторного перехода при росте U кб. При этом снижается толщина базового слоя, растут a и I к. одновременно снижается напряжение на эмиттерном переходе, отчего падает концентрация дырок вблизи него. Рост I к во 2-й зоне при росте U кб. характеризуется дифференциальным сопротивлением коллекторного перехода
при I э=const.
Для маломощных транзисторов r к(б) = (0,5 - 1,0) Мом. Поскольку характеристики во 2-й зоне почти линейны, можно записать I к = f (U кб):
I к = a I э + U кб / r к(б) + I ко (3.8)
наличие I ко является одной из причин зависимости выходных характеристик от температуры. При росте температуры I к растет, растет и коэффициент a.
Третья зона - пробой коллекторного перехода, возможный при недопустимом росте U кб. Электрический пробой при этом очень быстро может перейти в тепловой. U кб макс. указано в справочнике.
В схеме с общим эмиттером входные характеристики - это зависимость I б = j (U бэ) при U к = const. Входным является ток базы. Uб и Uк отсчитываются от эмиттера, т.е. U б = U бэ, U к = U кэ.

| |||
| |||
Нулевая характеристика (U кэ = 0, U б < 0) - это суммарная характеристика эмиттерного и коллекторного переходов, соединенных параллельно и подключенных к источнику питания в прямом направлении. В коллекторной цепи протекает ток, противоположный обычному току коллектора. I к отрицателен, а ток базы равен
I б = Iэ - Iк = Iб + ½ Iк½. (3.9)
При небольшом отрицательном напряжении на коллекторе ток
I к < 0, I б = I э - I к. При этом ток базы резко падает и характеристика идет ниже. Снижение I б при росте U к обусловлено эффектом модуляции базы. Входные характеристики идут из точки с I б < 0.
Выходные характеристики транзистора в схеме с ОЭ - это зависимость I к = j (U к) при I б = const. Напряжение на коллекторном переходе
U кб = U кэ- U бэ. Имеются те же три зоны.
1-я зона - от начала координат до перелома. При U кэ = 0 потоки дырок из коллектора в базу и из эмиттера в коллектор компенсированы, ток коллектора I к» 0. Рост U кэ приводит к снижению напряжения на коллекторном переходе и уменьшению инжекции носителей.
Во 2-й зоне действует обратное напряжение. Точка перехода - при
U = 0,5 - 1,5 В. С учетом I э = I к + I б, получим:
,
где b = I к/ I б = a/ (1 - a) - коэффициент передачи тока базы в схеме ОЭ. При a = (0,9 - 0,99), b = (9 – 99) - получаем усиление по току
I к = b I б + U кэ / r к(э) + I ко(э) (3.10)
где r к(э) = r к(б) / (1 +b) - дифференциальное сопротивление коллекторного перехода в схеме ОЭ, I ко(э) = (1 + b) I ко - обратный ток коллектора в схеме ОЭ. Во второй зоне тоже есть наклон характеристик из-за модуляции базы, но он больше из-за более сильного изменения b (r к(э) мало, составляет 30 - 40 Ком). При нулевом токе базы через транзистор протекает начальный или сквозной ток I ко(э) = (1 + b) I ко. Нулевая характеристика проходит через начало координат и в рабочей области (½ U r ½ > 1В) располагается на уровне, примерно равном b I ко. Обратный ток цепи коллектор - эмиттер зависит от состояния входной цепи. Выходные характеристики в зоне малых U пересекают ось ординат в точке I к < 0 (обратный ток перехода), но начальный участок, где I к<0, практического значения не имеет и в справочниках обычно не приводится.
Наличие повышенного тока I ко нежелательно. При подаче смещения U бэ>0 эмиттерный переход перейдет в непроводящее состояние и I к снизится до I к0. Область ниже характеристики, соответствующей I б = 0, называется областью отсечки.
В этой схеме более сильно влияние температуры, т.к. I ко(э) больше и b более сильно меняется при изменении температуры. Большему току эмиттера соответствует больший ток базы.
|






