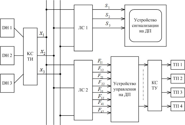
Логическая часть устройства телерегулирования должна содержать логические схемы, обеспечивающие решение логических уравнений. На рис.8 приведена схема телерегулирования напряжения для варианта участка высокоскоростной линии с тремя межподстанционными зонами.

Рис. 8. Структурная схема устройства телерегулирования напряжения
На схеме обозначены две логические схемы ЛС1 и ЛС2, которые требуется разработать.
Схема ЛС1 должна формировать сигналы, отражающие информацию сигнализации на ДП о тех межподстанционных зонах, на которых уровень напряжения снизился ниже минимального допустимого значения. На вход ЛС1 из каналов связи ТИ подаются сигналы от датчиков напряжения DH1…DH3, принимающие логические значения LOG1, когда напряжение линии ниже минимального значения. Это независимые логические переменные x 1, x 2, x 3.
На выходе ЛС1 формируются зависимые логические переменные (логические функции), принимающие логическое значение LOG1 или LOG0:
S 1 =f 1(x 1, x 2, x 3) – о включении на повышение напряжения в одной из трех межподстанционных зон;
|
|
|
S 2 =f 2(x 1, x 2, x 3) – то же на двух зонах;
S 3 =f 3(x 1, x 2, x 3) – то же на трех зонах.
Схема ЛС2 должна формировать сигналы, задающие характер изменения напряжения на шинах тяговых подстанций на повышение уровня напряжения или на возвращение к нормальному уровню. На вход схемы также подаются независимые переменные x 1, x 2, x 3.
На выходе ЛС2 формируются логические функции, принимающие логическое значение LOG1, или LOG0:
F 11 =f 4(x 1, x 2, x 3) – о включении на тяговой подстанции ТП1 первого выпрямительного агрегата на повышение (или понижение) уровня напряжения;
F 12 =f 5(x 1, x 2, x 3) – то же на ТП1 второго агрегата;
F 21 =f 6(x 1, x 2, x 3) – то же на ТП2 первого агрегата;
F 22 =f 7(x 1, x 2, x 3) – то же на ТП2 второго агрегата;
F 31 =f 8 (x 1, x 2, x 3) – то же на ТП3 первого агрегата;
F 32 =f 9 (x 1, x 2, x 3) – то же на ТП3 второго агрегата;
F 41 =f 10 (x 1, x 2, x 3) – то же на ТП4 первого агрегата;
F 42 =f 11 (x 1, x 2, x 3) – то же на ТП4 второго агрегата.






