А начнем мы, пожалуй, с самой наипростейшей схемы, в которой нет ничего, кроме одного резистора, одного конденсатора да еще в придачу самой простой неоновой лампы, которая не то что в усилители, но даже в детекторы не годится. И тем не менее...
Посмотрим на рис. 2.15. а. На этой, с позволения сказать, схеме кроме резистора R и конденсатора С ничего нет. Еще, впрочем, есть неоновая лампа, однако ее мы поначалу просто отключим с помощью тумблера, как это и показано на схеме.

Рис. 2.15 Простейший релаксационный генератор на неоновой основе:
а - принципиальная схема; б - график генерируемого напряжения
До включения напряжения источника конденсатор у нас полностью разряжен и напряжение на нем равно нулю. На графике (рис 2 15, б) это соответствует точке 0 в начале координат. Как только мы включим источник, конденсатор сразу же начнет заряжаться через резистор R, а напряжение на нем возрастать. Скорость этого возрастания будет обратно пропорциональна величинам сопротивления резистора и емкости конденсатора, а количественно будет определяться так называемой постоянной времени цепи, равной произведению RС (разумеется, в соответствующей системе единиц).
|
|
|
Но независимо ни от постоянной времени, ни от величины приложенного напряжения характер возрастания напряжения на конденсаторе всегда будет оставаться одним и тем же - оно будет возрастать по экспоненте. На нашем рисунке она выглядит как кривая, идущая от начала координат через точки А и Б и дальше направо за пределы чертежа в бесконечность.
Однако, какое отношение все это имеет к генераторам? Пока что никакого до тех пор, пока мы не включили на нашей схеме тумблер. Но прежде чем мы его включим, давайте кратко освежим в памяти кое-какие сведения о неоновой лампе.
Так вот, она называется неоновой как раз потому, что ее колба внутри наполнена сильно разреженным инертным газом - неоном, который в «нормальном», неионизированном, состоянии электрический ток не проводит, а стало быть, представляет собой бесконечно большое сопротивление. Даже если к лампе приложить некоторое небольшое постоянное напряжение, не приводящее к возникновению процесса ионизации газа, картина не изменится. А изменится она тогда, когда приложенное напряжение вызовет процесс ионизации, в результате чего через лампу потечет электрический ток, после чего ее сопротивление перестанет быть бесконечно большим и примет некоторое реальное значение.
Дальнейшее, даже ничтожное, увеличение напряжений вызовет лавинообразное возрастание тока, сопровождающееся, во-первых, возникновением свечения неона и, во-вторых, очень резким падением внутреннего сопротивления лампы. И если в ее цепь не включить защитное ограничительное сопротивление, произойдет короткое замыкание источника через лампу, после чего источник придется ремонтировать, а лампу - выбросить.
|
|
|
Итак, вернемся к нашей схеме и еще до включения источника замкнем тумблер, т.е, подключим лампу параллельно конденсатору. Поскольку ее сопротивление в исходном состоянии бесконечно, можно считать, что, даже замкнув тумблер, мы к конденсатору ровным счетом ничего не подключили.
Теперь включаем напряжение источника и наблюдаем за ростом напряжения на конденсаторе. В строгом соответствии с требованием теории этот рост будет происходить по экспоненте - от самого начала- координат аж до точки А на нашем графике, А почему не дальше? А потому, что в точке А напряжение на конденсаторе достигнет величины в 60 В, а это как раз и есть напряжение зажигания Uзж нашей неоновой лампы, после чего внутри нее начнется уже описанный процесс, внутреннее сопротивление лампы станет очень маленьким и оно попросту замкнет накоротко конденсатор. Конденсатор, естественно, тут же полностью разрядится через лампу, напряжение на нем сразу же упадет до нуля, а весь этот скоротечный процесс найдет свое отображение на нашем графике в виде отрезка А - В.
Но одновременно с этим упадет до нуля и напряжение на лампе. Она, естественно, погаснет, ее сопротивление снова возрастет до бесконечности, а поскольку напряжение источника от схемы никто не отключал, то конденсатор снова как ни в чем ни бывало начнет заряжаться по экспоненте, но теперь уже не от точки 0 до точки А, а от точки В до точки Г, поскольку время не стоит на месте, а движется от точки 0 вправо по горизонтальной оси нашего графика.
И когда напряжение на конденсаторе снова дорастет до 60 В (т.е. до точки Г на графике), процесс полностью повторится и будет самостоятельно, без нашего участия, повторяться неограниченное число раз, оставляя на нашем графике след в виде кривой внешне очень напоминающей зубья обыкновенной пилы Возможно, именно поэтому переменное напряжете, самостоятельно генерируемое нашей простейшей схемой и назвали пилообразным.
Этот простейший генератор открывает собой целый ряд так называемых релаксационных генераторов, в числе которых очень распространенным и широко применяемым является блокинг-генератор. До появления и широкого внедрения специализированных микросхем он являлся, пожалуй, единственным задающим генератором в схемах кадровой и строчной разверток всех телевизоров и видеомониторов. Такое предпочтение отдавалось блокинг-генераторам из-за их способности легко синхронизироваться, т.е. устанавливать свою собственную частоту генерации, в точности совпадающую с частотой внешних так называемых синхроимпульсов.
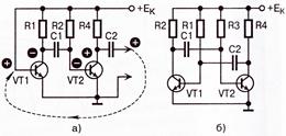
Типовая схема блокинг-генератора на транзисторе приведена на рис. 2.16.

Рис. 2.16. Типовая схема блокинг-генератора на биполярном транзисторе
С другим генератором импульсных (несинусоидальных) сигналов мы познакомимся более подробно, поскольку с этим типом генераторов ремонтникам приходится иметь дело достаточно часто.
Существует немало разновидностей этой схемы, но все они объединяются одним общим названием - мультивибраторы. А тот из них, которым мы сейчас займемся, имеет даже собственное имя - симметричный мультивибратор.
Но начнем с того, что внимательно присмотримся к схеме на рис. 2.17, а. Здесь нет ничего нового: это самый обыкновенный, если не сказать - простейший двухкаскадный усилитель напряжения на транзисторах, работающих по схеме с общим эмиттером. О такой схеме включения нашему читателю должно быть все известно досконально, в том числе и то, что каждый такой каскад изменяет фазу подводимого сигнала ровно на 180°.
|
|
|

Рис. 2.17. Схема симметричного мультивибратора: а - иллюстрация принципа работы;
б - общепринятое начертание схемы мультивибратора
Этот факт для нас сейчас будет особенно важен поэтому возле каждой базы и каждого коллектора на рисунке это изображено значками «+» и «-», которые соответствуют положительной и отрицательной фазам.
Усилитель как усилитель: слева - вход, справа - выход. Одна маленькая, но очень существенная деталь: фазы сигнала на входе и на выходе усилителя совпадают, И если мы теперь соединим между собой вход и выход усилителя, как это изображено на схеме пунктирной линией, то наш усилитель немедленно превратится в генератор с самовозбуждением.
Ну, и какие же сигналы этот генератор будет выдавать? А вот это как раз очень интересно, поэтому попробуем совместными усилиями последить за физикой происходящих в схеме процессов. Всякий процесс всегда начинается с чего-нибудь исходного, поэтому мы имеем право допустить, что в начальный момент оба транзистора находятся в неком среднем состоянии, т.е. на половину открыты.
Теперь по какой-то неизвестной нам внешней причине напряжение на базе первого транзистора стало совсем чуть-чуть более положительным. По какой причине? А кто его знает! Да это и не важно, и сейчас мы в этом убедимся.
Вслед за этим напряжение на первом коллекторе тут же стало более отрицательным, но уже не совсем чуть-чуть, а весьма заметным, поскольку каскад-то у нас усилительный. Точно также немедленно изменится и напряжение на базе второго транзистора, поскольку оно в точности повторяет и по размаху, и по фазе напряжение на коллекторе первого транзистора.
А это вызовет уже очень резкое увеличение положительного напряжения на коллекторе второго транзистора (второй-то каскад как-никак тоже усилительный!), А поскольку выход второго каскада у нас прямо связан со входом первого, то получается, что даже совсем ничтожное увеличение положительного напряжения на базе первого транзистора мгновенно вызовет соответствующую реакцию всей схемы. Какую именно? А очень простую: даже самое ничтожное увеличение «плюса» на первой базе немедленно обернется дополнительным «плюсом» на той же базе, только гораздо большим по величине. Но такое увеличение «плюса» тут же приведет к появлению еще большего «плюса» на коллекторе второго транзистора, которое в свою очередь снова вернется на первую базу...
|
|
|
Короче говоря, мы не успеем даже и моргнуть глазом, как огромный «плюс» на первой базе приведет первый транзистор в состояние... Ну-ка, попробуем самостоятельно догадаться, в какое-такое состояние? Понятное дело - в какое: в состояние полного насыщения, которому, как вы помните, соответствует верхний изгиб коллекторной характеристики. А при таком состоянии никакой транзистор уже не в состоянии ничего усиливать, сколько бы мы ни увеличивали дальше «плюс» на базе.
К этому моменту картина у нас такая: ток через первый транзистор максимальный, значит падение напряжения на резистора нагрузки R2 тоже максимальное, вследствие чего напряжение на первом коллекторе близко к нулю, поэтому конденсатор С1 заряжен таким образом, что напряжение на его левой обкладке более отрицательное, чем на правой, соединенной с базой второго транзистора.
Но поскольку из-за насыщения первого транзистора процесс как бы приостановился, то и напряжение положительной обратной связи со второго транзистора на базу первого перестало поступать.
А что же конденсатор С1? Теперь причина для его подзарядки указанной полярности исчезла и он начал разряжаться. А поскольку разряжаться он может только по цепи наименьшего сопротивления (т.е. в данном случае через переход база-эмиттер второго транзистора), то изменившееся на противоположное направление разрядного тока приведет к перемене полярности на базе второго транзистора, вследствие чего немедленно поменяется и фаза напряжения на выходе второго транзистора, которое вместо положительного теперь будет отрицательным (т.е. уменьшающимся по абсолютной величине).
Но поскольку это же напряжение приложено к базе левого транзистора, то и оно начнет стремительно уменьшаться. Так что мы не успеем второй раз моргнуть глазом, как транзисторы поменяются ролями: первый почти мгновенно окажется надежно закрытым, большем «минусом» на базе, а второй перейдет в состояние насыщения.
Ну и что дальше? А дальше процесс будет самостоятельно продолжаться без нашего участия, А как же с первопричиной? Надеемся, теперь стало понятно, что не имеет никакого значения, на какую величину и в каком направлении изменится напряжение на любом электроде любого из двух транзисторов, поскольку одного этого факта окажется вполне достаточно, чтобы «процесс пошел».
Ну, и какой же сигнал будет генерировать наш мультивибратор? Это тоже очень интересный вопрос, но для нас теперь уже очень легкий. Возьмем и нарисуем график зависимости коллекторного напряжения от времени для обоих транзисторов, как это сделано на рис. 2.18. Поскольку мы в самом начале договорились, что оба транзистора в исходном состоянии находятся в некотором «среднем» положении, будем считать, что и токи через них текут средние, и падения напряжения на коллекторных нагрузках средние, а значит и напряжения на коллекторах тоже средние между максимальным напряжением источника питания и нулем. Эти наши условия на графиках «а» и «б» отражены коротенькой горизонтальной черточкой в самом начале обеих кривых.

Рис 2.18. Форма генерируемого напряжения: а - на коллекторе первого транзистора; б - на коллекторе второго транзистора; в - при скважности, не равной 1
Но как только «процесс пошел», напряжение на коллекторе первого транзистора практически мгновенно (процесс-то, как-никак, носит лавинообразный характер) станет равным нулю (или более строго - почти равным нулю), а напряжение на втором коллекторе почти равным напряжению источника питания.
А что будет дальше? А дальше какое-то время никаких видимых изменений происходить не будет. Законный вопрос - почему не будет? А потому, что один из двух наших конденсаторов зарядился «на всю катушку» и так надежно закрыл соответствующий транзистор, что он не откроется до тех пор, пока напряжение на этом самом конденсаторе не уменьшится до такой величины, при котором напряжение на базе транзистора повысится до порога, при котором через транзистор потечет хотя бы ничтожный ток. А как только это произойдет, мгновенно произойдет лавинообразный процесс перезарядки обоих конденсаторов до максимальной величины, но уже противоположной полярности.
И опять наступит пауза, пока теперь уже другой конденсатор не разрядится настолько, чтобы уже через другой транзистор начал протекать малюсенький коллекторный ток. Ну и какое же время будет длиться каждая такая пауза? Длительность паузы будет определяться исключительно постоянной времени зарядно-разрядной цепи, равной произведению RС (разумеется, в соответствующей системе единиц).
Значит, чем больше сопротивление резистора и емкость конденсатора, тем больше постоянная времени и, соответственно, длительность паузы или другими словами - ниже частота собственных колебаний мультивибратора.
А это в свою очередь позволяет, изменяя величины R и С в широких пределах изменять собственную частоту генерации мультивибратора. И действительно, никакого труда не составляет сделать эту частоту равной долям герца или сотням килогерц.
И, наконец, последнее. Чуть раньше было сказано, что рассмотренный нами мультивибратор является симметричным. Это означает, что время зарядки и время разрядки входящих в схему конденсаторов одинаковы, а потому верхняя («положительная») и нижняя («отрицательная») половинки импульса симметричны.
Эта форма будет симметричной, если будут равны между собой сопротивления обоих резисторов и емкости обоих конденсаторов, а оба транзистора - одного и того же типа и притом с одинаковым коэффициентом усиления.
А если, к примеру, сопротивление одного из резисторов взять поменьше, а одну из емкостей чуть побольше? Тогда у двух RС-цепей окажутся разные постоянные времени и длительности двух соседних пауз окажутся разными. Это неизбежно приведет к изменению формы генерируемого напряжения, которая станет такой, как показано на рис. 2.18, в. И если длительность одной паузы обозначить через Т1, а другой - через Т2, то их отношение будет характеризовать один из важнейших параметров генерируемого импульсного напряжения - его скважность, т.е. отношение периода Т к длительности импульсах. А если эта скважность будет равна двум, т.е. период в два раза больше длительности, то про этот частный случай принято говорить, что схема генерирует меандр.
В заключение следует добавить, что существует много разных схем мультивибраторов (например, «ждущие» мультивибраторы), однако объем этого издания не позволяет рассмотреть все их разновидности.






