Так сложилось исторически, что одна из составных частей полной схемы вещательного АМ - ЧМ приемника сразу же с момента появления оформилась в полностью законченный и конструктивно обособленный блок, входящий в схему и конструкцию приемника в виде отдельного комплектующего изделия. Речь идет о блоке УКВ-ЧМ, в состав которого во всех случаях входят входные цепи УКВ диапазона, широкополосный УВЧ, преобразователь частоты с раздельными гетеродином и смесителем, выходной контур ПЧ, настроенный, как правило, на частоту 10,7 МГц, а также механизм перестройки (верньерный механизм) во всем диапазоне принимаемых частот.
Блок в законченном виде помещен в сплошной экран и имеет стандартизованные электрические параметры, что позволяет производить его как самостоятельное изделие и применять а совершенно разных БРТА (тюнерах, приемниках, магнитолах).


Рис.2.28 Внешний вид и электрическая схема двухдиапазонной магнитной антенны ДВ и СВ
Впрочем, наряду с такими «унифицированными» блоками ряд фирм комплектуют свою аппаратуру блоками собственной разработки, особенно в тех случаях, когда унифицированный блоки почему-либо не вписываются в общую компоновку нового изделий.
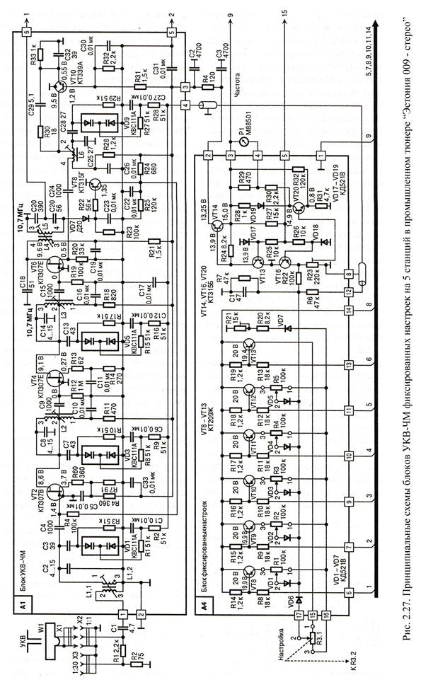
Электрические схемы УКВ-ЧМ блоков в ряде случаев могут существенно отличаться друг от друга как по составу комплектующих (разные диоды, транзисторы, микросхемы), так и по способу изменения настройки (варикапные матрицы, индуктивные вариометры или обычные сдвоенные переменные конденсаторы с твердым диэлектриком и диапазоном изменения емкости порядка 5...20 пф). Нередко в комплект блока УКВ-ЧМ входит плата с элементами фиксированной настройки на 4-6 станций.
На рис. 2.29 приведена типовая схема блока УКВ-ЧМ радиолы «Мелодия-104-сте-рео» с варикапной настройкой и системой АПЧГ.

Рис 2.29. Принципиальная схема блоха УКВ-ЧМ радиолы «Мелодия- 104-стерео»






