Высокое качество изображения может быть обеспечено только при определённом размещении элементов системы КТВ (головной станции, магистральных и домовых усилителей, ответвителей и т. п.), которые, в свою очередь, зависят от электрических показателей и особенностей построения этих элементов. При распределении в системе сигналов эфирного вещания необходимо выбирать тип, место и высоту установки приёмных антенн, их ориентацию и схему соединения в целях получения наилучшего качества изображения при достаточном уровне сигналов на выходах абонентских розеток. Для каждого ТВ-канала и УКВ ЧМ-вещания применяется, как правило, отдельная антенная система, в качестве которой используются унифицированные канальные или диапазонные антенны, параметры которых указаны в таблице 3.5. Применяются антенны типа «волновой канал», а в диапазоне ДМВ — также логопериодические. Антенны, как правило, размещаются на плоских кровлях зданий, имеющих прямую видимость с передающими антеннами ТВ-передатчиков (ретрансляторов) и, по возможности, расположенных в геометрическом центре распределительной сети КТВ.
Если на выходе кабеля снижения, соединяющего антенну с соответствующим входом головной станции, уровень ТВ-радиосигнала меньше, чем требуемый для нормальной работы ГС, но качество изображения по контрольному ТВ-приёмнику приемлемое, предусматривается установка антенных усилителей (АУ). АУ всегда являются канальными и размещаются либо на антенной опоре, либо на чердаке здания в непосредственной близости от кабельного ввода с антенны на чердак. Для нескольких АУ используют общий сборочный корпус, напряжение питания — 12 В подаётся к АУ по отдельному кабелю от ГС. Типовые параметры АУ несерийного производства приведены в таблице 3.6, где в скобках указаны параметры АУ, входящих в состав антенных станций комплекта аппаратуры КТВ серии 300.
ГС представляет собой наиболее сложное устройство в системе КТВ. Размещается она, как правило, на нижних этажах зданий в отдельных или служебных помещениях. Допускается установка ГС в специально выгораживаемых помещениях или в металлических шкафах, размещаемых на чердаках и технических этажах.
Упрощённо ГС представляет собой набор канальных усилителей (рис. 3.23) и канальных конверторов (преобразователей частоты), подключаемых через канальные аттенюаторы и полосовые фильтры к кабелям снижения, идущим от канальных антенн. Со стороны выходных зажимов канальные усилители и конверторы объединяются через канальные полосовые фильтры и пассивную схему сложения и подключаются к магистральному кабелю.
Таблица 3.5. Типовые параметры приемных антенн
| Тип антенны | Коэффициент усиления, дБ | Помехозащищенность, дБ | КБВ |
| АТКГ в 1-м, 2-м диапазонах в 3-м диапазоне в 4-м и 5-м диапазонах СКТВ а) одноканальные в 1, 2 и 3 диапазонах б) для УКВ ЧМ в) диапазонные в 4-м, 5-м диапазонах | 4…5 8,0 9 – 11, 0 7,0; 8,5; 10,0 8,0 8,5 | -9…-12 -8…-14 -14…-16 -20; -22; -24 -20 -18 | 0,5 0,6 0,6…0,7 0,05…0,7 0,05 0,6 |
Таблица 3.6Типовые параметры антенных усилителей
| Параметр | Величина |
| Коэффициент усиления на средней частоте ТВ-канала и диапазона УКВ ЧМ, дБ, не менее | 30 (23) |
| Неравномерность АЧХ передачи в полосе частот ТВ-канала или диапазона УКВ ЧМ, дБ, не более | 1 (1) |
| Коэффициент шума, дБ, не более | 5 (5) |
| Коэффициент стоячей волны со стороны входов и выходов, не более | 1,7 (1,33) |
| Максимальный уровень несущей частоты изображения на выходе, дБ/мкВ, не менее | 100 (114) |
| Отношение сигнала к канальной помехе 3-го порядка при максимальном уровне, дБ, не менее | 54 (54) |
| Регулировка усиления, дБ | — (20) |
| Избирательность на частотах, отстоящих на 8 МГц от границ полосы усиливаемых частот, дБ, не менее а) в диапазоне МВ б) в диапазоне ДМВ | 20(30) |
| Ток потребления от источника (— 12 В), мА, не более | 120 (100) |
| Габариты на 1 канал, мм | 293x192x116 (150x100x60) |
В ГС серии 300 между схемой сложения и магистральным кабелем включают групповой усилитель, что позволяет уменьшить усиление канальных конверторов и усилителей. В состав ГС может входить также один или несколько ТВ-модуляторов, содержащих, собственно блок модуляции, преобразователь частоты и канальный полосовой фильтр. На вход модулятора поступает ТВ-видеосигнал и сигнал звукового сопровождения, на выходе блока образуется суммарный сигнал, состоящий из амплитудно-модулированного сигнала изображения на промежуточной частоте
МГц и частотно-модулированного сигнала звука на промежуточной частоте
31,5 МГц. Затем сигнал ПЧ одной или двумя ступенями преобразования частоты переносится в полосу частот выбранного в системе КТВ ТВ-радиоканала.

Рис. 3.23. Упрощённая структурная схема головной станции СКТВ: 1 — полосовой фильтр; 2 — канальный аттенюатор; 3 — канальный полосовой фильтр; 4 — канальный усилитель; 5 — канальный конвертор; 6 — пассивная схема сложения; 7 — магистральный кабель; 8 — блок модуляции.

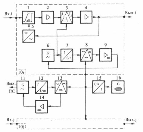
Рис. 3.24. Структурная схема генераторного и преобразовательного оборудования головной станции: 1 — электронный аттенюатор; 2, 4 — усилители радиочастоты; 3 — смеситель частоты; 5 — блок АРУ; 6 — канальный генератор; 7 — делитель частоты; 8 — фазовый детектор; 9 — усилитель сигнала ошибки; 10 — конвертор; 11 — генератор пилот-сигнала; 12 — делитель частоты; 13 — фазовый детектор; 14 — усилитель постоянного тока; 15 —делитель частоты; 16 — кварцевый генератор.
![]() |
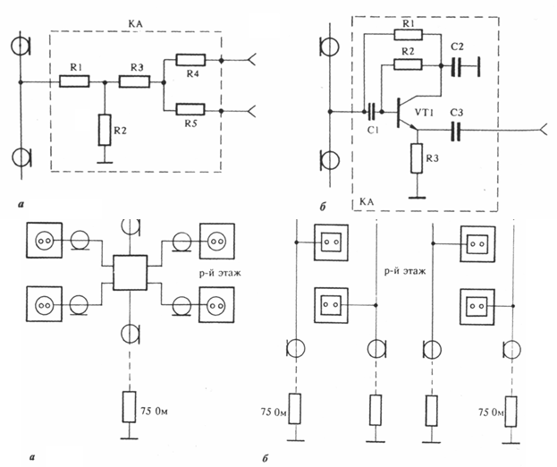
Рис. 3.25. Варианты распределения ТВ-сигналов в подъезде: а) типовые решения с горизонтальной разводкой на этаже: 1 — распределительный кабель; 2 — абонентская коробка; 3 -абонентский кабель; б) с параллельной вертикальной разводкой.
Рис. 3.26. Схемная реализация абонентской коробки: а) пассивной; б) активной; КА — коробка абонентская.
В состав конвертора (риc. 3.24) входит электронный аттенюатор, усилители радиочастоты, смеситель частоты, блок автоматической регулировки уровня (АРУ) и канальный генератор, частота которого устанавливается и стабилизируется с помощью блока фазовой автоподстройки частоты (ФАПЧ), состоящего из цифрового делителя частоты на
, фазового детектора и усилителя сигнала ошибки. В качестве опорной частоты для блока ФАПЧ используется частота 125 кГц, получаемая после деления на
частоты 1 МГц кварцевого генератора. Эта же частота используется и для стабилизации частоты генераторов пилот-сигнала с помощью блока ФАПЧ, состоящего из делителя частоты на
, фазового детектора и усилителя постоянного тока (УПТ). В ГС применяются один или два генератора пилот-сигнала с частотами 110 и 235 МГц (в ГС серии 300 используются частоты 42 и 298 МГц). Выходные напряжения генераторов пилот-сигналов, стабилизированные по уровню с помощью блоков АРУ (на специальных конструкций коаксиальных кабелей, имеющих сплошной внешний проводник из медной ленты. В частности, для магистральных и субмагистральных линий используют кабели РК-75-17-1Зс и РК-75-11-11с, для домовой сети в качестве основной линии (поз. 19 и 10 на рис. 3.22) — кабели РК-75-11-11с и РК-75-7-19, а в качестве абонентского кабеля (поз. 12 на рис 3,22) – кабели типа РК-75-4-113, РА-75-3,7-31 и РК-75-4-115А. Основные параметры указанных кабелей приведены в таблице 3.7.
Таблица 3.7. Основные параметры коаксиальных кабелей для КТВ
| Параметр | Тип кабеля РК-75-… | |||
| -17-13С | -11-11С | -4-113 | -3,7-3,1 | |
| Диаметр внутреннего проводника, мм | 2,73 | 1,88 | 0,8 | 0,9 |
| Среднее значение диаметра изоляции, мм | 17,3 | 11,5 | 4,6 | 3,7 |
| Среднее значение наружного диаметра оболочки, мм | 23,3 | 15,4 | 5,8 | |
| Масса, кг/км | 30,8 | |||
| Строительная длина, м, не менее | ||||
| Допустимый радиус изгиба, мм, не более | ||||
Погонное затухание на частоте 200 МГц при , дБ/км | 34,1 | 47,2 | ||
| Экранное затухание, дБ | ||||
| Сопротивление связи, Мом/м | ||||
| Коэффициент стоячей волны в полосе 30…270 МГц, не более | 1,35 | 1,35 | — | — |
| Коэффициент замедления волны | 1,5 | 1,5 | 1,5 | 1,22 |

, дБ/км 





