Радиоприемные тракты бытовой аудиоаппаратуры строятся обычно по супергетеродинному принципу. Приемники прямого усиления, хотя и являются более простыми, имеют невысокие технические показатели: в них не достигается хорошая избирательность и чувствительность, а кроме того, их основные параметры сильно меняются в пределах рабочего диапазона частот. В связи с этим они не применяются в бытовой аудиоаппаратуре.
Обобщенная структурная схема супергетеродинного радиоприемника с дополнительными узлами и системами представлена на рис. 4.3. Рассмотрим подробнее назначение и характеристики входящих в него устройств.

Рис. 4.3. Обобщенная структурная схема радиоприемного тракта
Конструкция антенны радиоприемного устройства зависит от диапазона рабочих частот. В диапазонах ДВ и СВ (а иногда и KB) часто применяют внутренние магнитные антенны, представляющие собой катушки, размещенные на ферритовом стержне. Они весьма компактны и обладают пространственной избирательностью. Кроме того, на данных частотах используют внешние рамочные антенны, подключаемые через специальный разъем. Такие конструкции также обладают избирательной диаграммой направленности, максимумы которой перпендикулярны плоскости рамки. По своим параметрам рамочные антенны превосходят ферритовые, особенно на более высоких частотах рабочего диапазона. В диапазонах KB и УКВ хорошие результаты дает применение штыревых телескопических антенн, конструкция которых проста и удобна, а диаграмма направленности имеет тороидальную форму и равномерна в плоскости, перпендикулярной оси штыря.
Входное устройство (ВУ) выполняет две основные функции:
- осуществляет предварительную селекцию сигналов;
- согласовывает параметры антенны с входом первого активного элемента усилителя радиочастоты (УРЧ).
Обычно в качестве В У используют простые одноконтурную или двухконтурную избирательные системы. Применение более сложных схем затрудняет процесс перестройки в рабочем диапазоне частот. Связи с антенной и активным элементом осуществляются с помощью емкостей и катушек индуктивности. Полосу пропускания входного устройства делают достаточно широкой (шире полосы спектра полезного сигнала), а коэффициент передачи — как можно более высоким.
Усилитель радиочастоты (или усилитель высокой частоты) обычно является первым активным каскадом радиоприемного устройства (без УРЧ строятся лишь самые простые приемники). Чаще всего УРЧ строится по резонансной схеме с одноконтурными или двухконтурными фильтрами в нагрузке, настроенными на несущую частоту сигнала, хотя иногда встречаются и апериодические схемы. В последнем случае нагрузкой активного элемента служит резистор. Основные задачи УРЧ: предварительная селекция и усиление сигнала до уровня, достаточного для работы последующих блоков схемы.
В технической литературе УРЧ вместе с входным устройством называют преселектором. Он обеспечивает избирательность радиоприемника по зеркальному каналу, каналу промежуточной частоты и другим дополнительным каналам приема. В диапазонах KB и УКВ полоса пропускания преселектора существенно шире спектра полезного сигнала, поэтому считается, что преселектор практически не оказывает влияния на избирательность по соседнему каналу. В диапазонах ДВ и СВ это не так: его полоса пропускания сопоставима с шириной спектра сигнала, поэтому преселектор может вносить вклад в обеспечение избирательности по соседнему каналу.
Важную роль играет правильный выбор коэффициента усиления преселектора. С одной стороны, при его увеличении улучшаются шумовые свойства радиоприемника, определяемые в основном как раз первыми каскадами схемы, а также возрастает чувствительность. Но, с другой стороны, при высоком уровне сигналов возможен переход активных элементов на нелинейные участки рабочих характеристик и, как следствие, возникновение интермодуляции и перекрестной модуляции. Кроме того, высшие гармоники сигнала на входе преобразователя частоты, следующего за преселектором, способствуют возникновению дополнительных паразитных каналов приема.
Преобразователь частоты является наиболее важным блоком супергетеродинного радиоприемника, отличающим его от приемника прямого усиления. Он состоит из смесителя и гетеродина, и в его задачу входит перенос спектра полезного сигнала с высокой несущей частоты на более низкую, называемую промежуточной, без искажения. Заметим, что встречаются также схемы (инфрадины), в которых промежуточная частота выбирается более высокой, чем несущая.
Смеситель представляет собой либо нелинейное устройство, либо линейное устройство с переменными параметрами, а гетеродин — это местный генератор гармонического сигнала, с помощью которого и производится управление параметрами смесителя. В результате взаимодействия напряжений с частотами сигнала fc и гетеродина fr на выходе преобразователя образуется ряд новых частот, величины которых определяются по формуле:
fпp=|nfc±mfr|,
где m и n - любые целые числа - номера гармоник частот сигнала и гетеродина, участвующих в преобразовании.
На практике количество указанных гармоник стараются уменьшить, поэтому нельзя допускать чрезмерного усиления сигнала в преселекторе, а также следует обеспечить высокую спектральную чистоту сигнала гетеродина.
Наибольший коэффициент передачи преобразователя частоты обеспечивается при работе на первых гармониках указанных сигналов, поэтому в качестве ПЧ для вещательных приемников практически всегда выбирают частоту:
fпp=|fc-fr|.
Если fc > fr, говорят о нижней настройке гетеродина, в противном случае - о верхней.
Из приведенной формулы следует, что преобразователь частоты формирует колебания с частотой fпp, когда на входе присутствует любой из двух сигналов с частотами fc= fr+ fпp или fc= fr- fпp. Одна из них выбирается в качестве основного канала приема. Если при этом на другую частоту (она называется зеркальным каналом приема) попадает помеха, она тоже преобразуется в fпp. Этот термин констатирует факт симметрии (зеркальности) данной частоты основной частоте относительно частоты гетеродина. Зеркальный канал отстоит по частоте от основного канала приема на 2 fпp.
В радиовещании значения промежуточных частот стандартизованы. Для тракта приема AM сигналов российских моделей приемников fпp должна быть 465±2 кГц, а для тракта приема ЧМ сигналов - 10,7±0,1 МГц. В зарубежных моделях при приеме AM сигналов используются другие значения ПЧ, в частности, величина 450 кГц (встречается и 455 кГц). Значения промежуточных частот практически никак не влияют на потребительские параметры радиоприемного устройства, а их знание важно только при проведении ремонтных и регулировочных работ. Промежуточная частота, используемая в приемниках диапазона FM, равна 10,7 МГц.
Очень важно, что при перестройке радиоприемника по диапазону ПЧ остается постоянной, что достигается одновременным изменением частоты настройки преселектора и частоты гетеродина. Постоянство величины fпp позволяет использовать в последующих блоках структурной схемы сложные неперестраиваемые избирательные системы с высокими селективными свойствами, отличающиеся высокой стабильностью.
Стабильность сигнала ПЧ напрямую связана со стабильностью колебания гетеродина, на параметры которого влияют изменения напряжения питания, температуры и влажности окружающей среды. Для уменьшения этих воздействий используют специальные радиокомпоненты, материалы, способы монтажа, а также схемы стабилизации напряжения и частоты.
Одним из способов повышения стабильности промежуточной частоты и уменьшения нестабильности частоты гетеродина является применение систем автоматической подстройки частоты (АПЧ). Структурная схема такой системы показана на рис. 4.4.
Она представляет собой кольцевую структуру с обратной связью, ее входным сигналом служит колебание промежуточной частоты. Оно воздействует на элемент блока различителя, в качестве которого используется частотный или фазовый детектор. В первом случае система называется частотной АПЧ (ЧАПЧ), во втором — фазовой АПЧ (ФАПЧ). Точность слежения ФАПЧ выше, она позволяет свести уходы промежуточной частоты до нуля, тогда как ЧАПЧ - лишь уменьшить в КАПЧ раз (КАПЧ — коэффициент автоподстройки, определяемый параметрами схемы). Применяемые в тюнерах системы АПЧ имеют параметр КАПЧ, достигающий нескольких десятков.
Различитель в системе ЧАПЧ формирует напряжение, пропорциональное разности частоты его настройки и промежуточной частоты. В системе ФАПЧ с помощью фазового детектора формируется напряжение, пропорциональное разности фаз ПЧ и частоты опорного генератора. После прохождения фильтра низких частот (или специального пропорционально-интегрирующего фильтра) формируется напряжение для управителя, регулирующего параметры контура гетеродина с целью уменьшения расстройки величины fпp относительно номинального значения. В качестве такого управителя обычно выступает варикап. Часто указанные фильтры выполняются активными, то есть обладающими усилением.

Рис. 4.4. Структурная схема системы автоматической подстройки частоты
В последнее время в связи с широким использованием цифровых методов обработки сигналов систему ФАПЧ приемника обычно совмещают со схемой цифрового синтезатора частоты. Принцип построения такого синтезатора показан на рис. 4.5.
В его основе лежит сравнение в частотно-фазовом детекторе (ЧФД) частот гетеродина fr и опорного кварцевого генератора (ОГ) for, в результате чего формируется напряжение рассогласования Up, подаваемое на элементы управления частотой гетеродина. Частота опорного генератора обычно выбирается достаточно высокой для обеспечения требуемой стабильности и шага сетки частот синтезатора. Частотно-фазовый детектор работает на более низкой частоте, поэтому в схеме установлен делитель с фиксированным коэффициентом деления.
Так как в ЧФД производится сравнение сигналов с близкими частотами, то при перестройке тракта необходимо изменение коэффициента деления частоты гетеродина. Эту задачу решает делитель с переменным коэффициентом деления (ДПКД), а требуемая величина коэффициента заносится в него по цифровой шине управления от системного контроллера аудиокомплекса. Указанную обработку производят цифровым способом, поэтому необходимы предварительное преобразование гармонического сигнала гетеродина в последовательность импульсов той же частоты, а также обратное преобразование выходного импульсного сигнала ЧФД в аналоговый. Последнюю функцию выполняет фильтр нижних частот (ФНЧ).

Рис. 4.5. Обобщенная структурная схема цифрового синтезатора частоты
К основным характеристикам системы АПЧ следует отнести полосу захвата и полосу удержания. Полоса захвата определяется максимальной начальной расстройкой, при которой обеспечивается подстраивающее действие системы АПЧ. Широкая полоса захвата системы АПЧ - в целом положительное свойство, однако следует иметь в виду, что при чрезмерно большой ее величине возможен захват сильным сигналом мощной радиостанции, соседней по частоте, т.е. скачкообразный переход настройки тюнера на эту станцию. Полоса удержания определяется при увеличении начальной расстройки от малых значений к большим и равна максимальной расстройке, при которой еще сохраняется подстраивающее действие системы АПЧ. Полоса удержания не должна быть уже возможного диапазона нестабильности частот принимаемого сигнала или сигнала гетеродина.
Система АПЧ не всегда используется в диапазонах длинных и средних волн, так как из-за невысоких рабочих частот невелики абсолютные значения нестабильностей промежуточной частоты. В диапазоне коротких волн они достигают заметных величин, однако из-за сильных замираний принимаемого сигнала действие АПЧ может привести к спонтанной перестройке на другую рабочую частоту. В диапазоне ультракоротких волн для обеспечения качественного приема радиосигналов использование АПЧ желательно и даже необходимо.
Усилитель промежуточной частоты (УПЧ) выполняет в супергетеродинном приемнике основное усиление полезного сигнала, обеспечивает требуемую избирательность по соседнему каналу и необходимую ширину полосы пропускания тракта. Выходное напряжение УПЧ должно быть достаточным для нормального функционирования следующего за ним детектора. Избирательные системы УПЧ настроены на промежуточную частоту и обладают высокой добротностью (сотни единиц), а в полосе пропускания суммарная неравномерность их амплитудно-частотных характеристик не должна превышать 3-6 дБ. Обеспечить такие высокие параметры довольно непросто. Для этого обычно используют один из двух вариантов построения УПЧ:
- избирательность рассредоточена по тракту;
- полная избирательность обеспечивается фильтром сосредоточенной селекции (ФСС).
В первом случае избирательные LC-фильтры устанавливаются в каждом усилительном каскаде УПЧ, причем используют даже не одиночные, а двухконтурные полосовые фильтры (ДПФ), обладающие лучшими селективными свойствами. Настройка таких систем при большом их количестве достаточно сложна.
При использовании ФСС вся избирательность обеспечивается одним каскадом УПЧ, а остальные его каскады выполняются апериодическими или слабоизбирательными и служат только для обеспечения требуемого коэффициента усиления тракта. Обычно ФСС включается в качестве нагрузки смесителя или первого каскада УПЧ.
Фильтры сосредоточенной селекции представляют собой единую конструкцию, состоящую, как правило, из цепочки связанных резонаторов. В их качестве используются LC-контуры, пьезоэлектрические, а также механические резонаторы. Кроме того, в качестве ФСС могут использоваться фильтры на поверхностных акустических волнах (ПАВ), а также цифровые. Они работают по другим принципам.
В УПЧ радиовещательных приемников обычно от трех до шести резонаторов в виде LC-контуров. В последнее время в качестве ФСС чаще всего используют пьезокерамические фильтры, обладающие небольшими габаритами, малой массой и хорошей стабильностью амплитудно-частотных характеристик, что позволяет существенно упростить конструкцию тракта и наладку радиоприемника. Пьезокерамические фильтры изготавливают с определенной полосой пропускания и средней частотой настройки. Кроме того, они могут иметь различную избирательность, поэтому не всегда взаимозаменяемы. В трактах обработки радиовещательных AM сигналов такие фильтры имеют частоту настройки 465 кГц (Россия) или 450 кГц (зарубежные модели), а в трактах ЧМ она равна 10,7 МГц. При повышенных требованиях к избирательности в УПЧ могут устанавливаться не один, а несколько таких фильтров последовательно. Для нормальной работы пьезокерамического ФСС обязательно согласование его входа и выхода с окружающими каскадами. Согласование на входе обычно осуществляется с помощью одиночного колебательного контура, который, кроме того, корректирует результирующую АЧХ всего тракта вне полосы пропускания ФСС.
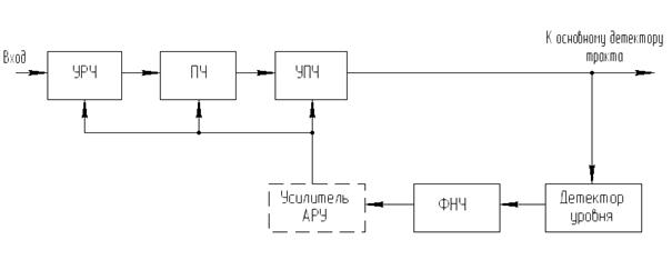
Как уже было сказано выше, УПЧ должен обеспечить на входе детектора определенный уровень сигнала (например, для диодного амплитудного детектора 0,5-1 В). При изменениях уровня входного сигнала из-за замираний, вызванных условиями распространения радиоволн, смены взаимной ориентации антенн передатчика и приемника или расстояния между ними, аналогичные изменения уровня сигнала будут иметь место и на выходе УПЧ, если не принять специальных мер. Колебания уровня входного сигнала влияют на качество приема, поскольку вызывают перегрузку каскадов и, как следствие, появление нелинейных искажений. Чтобы избежать этого, в радиоприемных устройствах применяются системы автоматической регулировки усиления (АРУ). При их использовании существенно расширяется динамический диапазон приемника. Напомним, что под динамическим диапазоном принято понимать отношение максимально возможного сигнала на входе приемника, при котором еще обеспечивается качественное воспроизведение, к чувствительности. Принцип АРУ заключается в автоматическом изменении коэффициентов усиления (или передачи) отдельных каскадов приемника при изменении уровня входного сигнала. Качество функционирования АРУ оценивается отношением величин изменений входного и выходного сигналов. Например, если в качестве меры эффективности системы АРУ приведены значения 40 дБ/6 дБ, это означает, что при отклонении входного сигнала на 40 дБ (в 100 раз) выходной сигнал меняется на 6 дБ (в 2 раза).
В радиовещательных приемниках, как правило, используется АРУ обратного регулирования (рис. 4.6). Детектором уровня (амплитудный детектор с достаточно большой постоянной времени) оценивается средний уровень выходного сигнала УПЧ. После прохождения фильтра нижних частот (ФНЧ) возникает напряжение, пропорциональное усредненной на достаточно большом временном интервале огибающей сигнала ПЧ. Именно оно и будет управляющим для регулировки коэффициентов усиления предыдущих каскадов (УРЧ, ПЧ, УПЧ), причем регулирование усиления ПЧ возможно, но по ряду причин нежелательно. Для повышения эффективности регулирования указанное напряжение иногда дополнительно усиливается (усиленная АРУ). В некоторых моделях радиоприемников для устранения ненужного ослабления системой АРУ слабых сигналов вводят некоторый порог. Только при его превышении регулирующим напряжением данная система начинает работать. Традиционно этот порог называют задержкой, а такую систему АРУ - задержанной.

Рис. 4.6. Структурная схема АРУ обратного регулирования
В тракте УПЧ приемников ЧМ-сигналов для защиты от перегрузок и для обеспечения постоянной амплитуды колебания на входе частотного детектора помимо системы АРУ применяют ограничители амплитуды.
Если в радиоприемнике есть функция автоматической настройки, в его структуру включается схема слежения за настройкой. Она оценивает уровень принимаемого сигнала на выходе последних каскадов УПЧ. В тот момент, когда этот уровень становится достаточным для нормальной работы последующих каскадов, формируется импульсное напряжение, подтверждающее факт настройки на радиостанцию, которое передается в схему управления приемником.
По тому же принципу работает и система бесшумной настройки радиоприемника. В ее задачу входит запрещение прохождения сигнала в низкочастотные цепи в процессе настройки, когда прослушиваются только шумы эфира.
Детектор (демодулятор) сигналов предназначен для выделения низкочастотного аудиосигнала из колебания промежуточной частоты. В зависимости от используемого вида модуляции применяется и соответствующий детектор. Так, в диапазонах длинных, средних и коротких волн, где радиовещание ведется методом AM, используется амплитудный детектор, а в диапазоне ультракоротких волн — частотный.
Амплитудный детектор формирует на выходе сигнал, пропорциональный огибающей входного колебания, и строится либо на нелинейных полупроводниковых приборах (диодах, транзисторах), либо по схеме синхронного детектора. В первом случае схема детектора значительно проще, ее работа основана на использовании нелинейности вольтамперных характеристик элементов. Во втором случае дополнительно нужна схема формирования опорного сигнала на основе ФАПЧ. Следует отметить, что качество приема сигналов с использованием синхронного детектора значительно выше.
Изменение во времени выходного напряжения частотного детектора должно точно повторять закон изменения частоты входного сигнала и не зависеть от колебаний его амплитуды. В радиовещательных приемниках часто используют так называемый дробный детектор, хорошо подавляющий паразитную амплитудную модуляцию принимаемого сигнала. Также находит применение более прогрессивная, но и более сложная схема, основанная на использовании системы ФАПЧ.
И амплитудный, и частотный детекторы должны иметь возможно больший коэффициент передачи и обеспечивать достаточную фильтрацию напряжения промежуточной частоты.
В моделях высокого класса для приема стереофонических программ в УКВ диапазоне после частотного детектора устанавливается стереодекодер. В его задачу входит выделение низкочастотных колебаний левого и правого стереоканалов из комплексного стереосигнала (КСС).
При приеме сигналов, в которых содержится КСС с полярной модуляцией (система OIRT), сначала с помощью высокодобротных резонансных систем восстанавливается уровень поднесу щей (31,25 кГц). Далее возможны три способа декодирования:
- полярное декодирование;
- суммарно-разностное преобразование с разделением спектров;
- временное разделение стереосигналов.
Полярное детектирование по огибающей производится при помощи двух амплитудных детекторов с разной полярностью включения диодов. При суммарно-разностном преобразовании с разделением спектров выделение аудиоинформации осуществляется в результате резисторного матрицирования суммарного и разностного сигналов каналов. Временное разделение стереосигналов возможно при помощи ключевой схемы, разводящей во времени обработку положительных и отрицательных полуволн поднесущего колебания.
При приеме сигналов с системой кодирования CCIR («пилот-тон») стереодекодер (рис.4.7) содержит следующие узлы:
- кольцо фазовой автоподстройки частоты (ФД1 - ФНЧ1 - ОГ - формирователи 38 кГц и 19 кГц), необходимое для синхронизации сигналов местного опорного генератора (ОГ) с принимаемым пилот-сигналом на частоте 19 кГц;
- фазовый детектор (ФД2) пилот-сигнала;
- синхронный демодулятор стереосигналов, работающий на частоте 38 кГц, со схемой матрицирования суммарного и разностного сигналов каналов.

Рис. 4.7. Структурная схема стереодекодера системы «пилот-тон»
Фильтр верхних частот (ФВЧ) осуществляет предварительное спектральное разделение входных сигналов. Синхронный демодулятор выделяет разностный сигнал каналов и включается по импульсу триггера при наличии на выходе частотного детектора FM тракта колебания с частотой 19 кГц. В результате матрицирования суммарного и разностного сигналов формируются колебания левого и правого каналов. Если пилот-сигнал отсутствует, на выходе стереодекодера будет только суммарный сигнал каналов.
При опознавании КСС в схемах стереодекодеров обычно формируется сигнал подтверждения, применяемый для индикации режима. Критерием оценки служит достаточный уровень восстановленной поднесущей или наличие напряжения на выходе детектора пилот-сигнала.
В состав узлов последетекторной обработки часто входят схемы, служащие для снижения уровня шума при приеме стереопрограмм. Принцип их работы основан на автоматическом изменении полосы пропускания тракта в зависимости от помеховой обстановки. Отношение сигнал/шум в режиме «Стерео» может составлять 70 дБ. При плохом качестве приема данный режим автоматически отключается. Заметим, что включение режима «Моно» может осуществляться и принудительно - вручную.
Полезным дополнением служит регулировка степени разделения стереоканалов, с помощью которой можно устранить проникновение аудиоинформации из одного канала в другой. Обычно степень разделения стереоканалов находится на уровне 35-40 дБ.
Обработка сигналов системы радиоинформации RDS производится с помощью фазового детектирования выходного сигнала частотного детектора FM тракта в специальном декодере, выполняемом обычно в виде отдельной микросхемы или интегрального модуля. Декодеры RDS (рис. 4.8) содержат схему ФАПЧ, работающую на частоте поднесущей 57 кГц, и фазовый детектор с дифференциальным декодером. Для разделения спектров аудиосигнала и сигнала радиоинформации на входе декодера установлен фильтр верхних частот (ФВЧ). Информация, получаемая в результате декодирования, используется микропроцессорной системой управления радиоприемника или аудиокомплекса.

Рис. 4.8. Структурная схема декодера системы RDS
Аудиосигналы после амплитудного (прием AM сигналов) или частотного детектора со стереодекодером (прием ЧМ сигналов) поступают в низкочастотный тракт обработки. Иногда сигнал с выхода амплитудного детектора проходит также через блок стереодекодера, но не обрабатывается в нем, а минует его транзитом, линейно разделяясь на одинаковые левый и правый каналы.
Высокие требования к избирательности и чувствительности радиоприемника иногда приводят к тому, что в тракте обработки используются не одна, а две ступени преобразования частоты. В этом случае схема комплектуется еще одним смесителем, гетеродином и усилителем промежуточной частоты с избирательными цепями. В некоторых зарубежных моделях такое дополнение вводят для приема AM сигналов средневолнового диапазона. Тогда первая промежуточная частота выбирается высокой (10,7 МГц), а вторая - низкой (450 кГц), то есть стандартной для трактов AM радиовещательных приемников.
При совмещении в одном радиоприемнике трактов обработки радиосигналов различных диапазонов с амплитудной и частотной модуляциями используют два основных способа построения схемы. В простых моделях объединение цепей прохождения сигналов осуществляют в тракте промежуточной частоты, и в этом случае одни и те же каскады работают в разных режимах. В моделях высокого класса тракты обработки сигналов AM и ЧМ независимы и объединяются по низкой частоте.
В сложных моделях часть функций описанных блоков может быть передана цифровым микропроцессорным устройствам, выполняющим операции над сигналами по специальным программам обработки.






