Ключевые положения. Транзистор имеет три электрода (эмиттер, базу и коллектор) и содержит два p-n-перехода (эмиттерный и коллекторный)

Транзистор имеет три электрода (эмиттер, базу и коллектор) и содержит два p-n - перехода (эмиттерный и коллекторный), которые взаимодействуют между собой.

Термин «транзистор» переводится на русский язык как «управляемое сопротивление».

В схеме с общим эмиттером эмиттерный переход транзистора является входной цепью усилителя, а коллекторный – выходной. Если источник входного сигнала затрачивает меньшую мощность, чем полученная мощность в нагрузке усилителя, то входной сигнал усиливается.

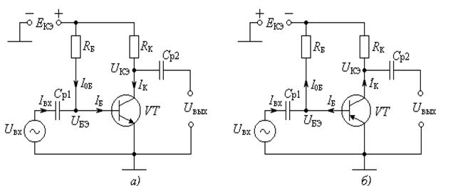
Принципиальные схемы усилителей с общим эмиттером на транзисторах п-р-п-типа и р-п-р-типа показаны на рис. 3.1. Как видно из рис. 3.1, схемы отличаются типом транзисторов, а также полярностью напряжения питания Е К. Усилитель на п-р-п- транзисторе питается положительным напряжением (+ Е К) относительно корпуса, а на р-п-р -транзисторе – отрицательным (– Е К).

U бэ
І б
І 0б
І к
U кэ
R к
R б
EK
І б
І к
І 0б
R б
U бэ
U кэ
R к
EK

Рисунок 3.1 – Принципиальные схемы усилителей с общим эмиттером:

а) на транзисторе n-p-n; б) на транзисторе p-n-p

На схемах рис. 3.1 обозначены:

U вх – входное усиливаемое напряжение;

U вых – выходное усиленное напряжение;

VTбиполярный транзистор;

Е К – напряжение питания;

U бэ – напряжение между базой и эмиттером;

U кэ – напряжение между коллектором и эмиттером;

I – ток смещения в цепи базы;

І б – ток базы;

І к – ток коллектора;

І вх – входной ток;

R б – резистор в цепи базы;

R к – сопротивление нагрузки;

С р1 и С р2 – разделительные конденсаторы.

Усилитель с общим эмиттером (ОЭ), принципиальная схема которого показана на рис. 3.1, а, является делителем напряжения питания Е К, в верхнем плече которого включено сопротивление нагрузки R к, а в нижнем – транзистор VT. Аналогичное утверждение справедливо для схемы усилителя на рис. 3.1, б.

В этом случае коэффициент передачи делителя напряжения питания K п будет равен

,

где RVT – эквивалентное сопротивление коллектор–эмиттер транзистора.

Тогда напряжение между коллектором и эмиттером транзистора будет равно

U кэ = E K . (3.2)

Из формулы (3.2) получаем следующее:

– напряжение U кэ между коллектором и эмиттером является частью напряжения питания Е К;

– напряжение U кэ между коллектором и эмиттером тем больше, чем больше напряжение питания Е К;

– напряжение U кэ никогда не может быть больше напряжения питания:

U кэ < Е К. (3.3)

Поясняя принцип действия усилителя, не следует представлять себе, что входное напряжение U вх как-то поступает к выходу, увеличиваясь в тракте. Это не так.

Входное усиливаемое напряжение U вх управляет изменением сопротивления транзистора RVT по своему закону и, как следует из формулы (3.1), тем самым управляет коэффициентом передачи напряженияпитания K п. Таким образом, в основу принципа действия усилителя положено то, что часть напряжения питания Е К поступает к выходу через делитель напряжения из R к и сопротивления между коллектором и эмиттером транзистора RVT, а входной усиливаемый сигнал U вх управляет коэффициентом передачи K п этого делителя.

Для рассмотрения работы усилителя найдём уравнение линии нагрузки.

Напряжение питания Е К по закону Кирхгофа делится на падение напряжения на сопротивлении нагрузки І к R к и напряжение коллектор-эмиттер U кэ:

Е К = І к R к + U кэ. (3.4)

Из уравнения (3.4), поделив его на R к, получаем уравнение линии нагрузки

І к = . (3.5)

EК R к
І ¢¢¢б
І ¢¢б
І ¢б
І к
І к R к
D U к
U
Е К
U кэ
Рисунок 3.2 – Линия нагрузки и режим транзистора

Уравнение (3.5) в системе координат (I к, U кэ) первой степени. Поэтому линия нагрузки является прямой линией (нагрузочная прямая), и её можно построить по двум точкам на осях координат (рис. 3.2).

Точка 1: І к = 0; из уравнения (3.5) получаем: U кэ = Е К.

Точка 2: U кэ = 0; из уравнения (3.5) получаем: І к = .

Отрезок прямой 1 – 2 является линией нагрузки.

Пересечение линии нагрузки с заданной характеристикой определяет рабочую точку. Если, например, задана характеристика для тока смещения I = І б", то рабочей будет точка РТ.

Рабочая точка однозначно определяет режим работы транзистора, т.е. совокупность напряжений и токов. Она как бы разделяет напряжение питания Е К на напряжение коллектор-эмиттер в рабочей точке U 0кэ и падение напряжения І R к на сопротивлении нагрузки R к, т.е. Е К = U 0кэ + І R к.

Линия нагрузки полностью описывает режим работы транзистора и его изменение.

Так, с помощью линии нагрузки можно определить влияние изменения любого параметра режима. Если, например, изменить ток базы на І б, то ток коллектора изменится на І к = h 21э× І б и, как следствие, изменится напряжение между коллектором и эмиттером на U кэ. Параметр h 21экоэффициент передачи тока транзистора в схеме с общим эмиттером, значение которого приводится в справочнике.

Усилитель работает следующим образом

Принцип действия усилителя поясняет диаграмма его работы (рис. 3.3).

На схеме рис. 3.3 обозначены:

Uт вх – амплитуда входного усиливаемого напряжения;

Uт вых – амплитуда выходного усиленного напряжения;

Іт вх – амплитуда входного тока;

Іт к – амплитуда тока коллектора.

Как видно из рис. 3.3, в схеме усилителя напряжения и токи транзистора изменяются в следующих пределах относительно постоянных составляющих:

– напряжение база-эмиттер

U бэ = U 0бэ Uт вх; (3.6)

– напряжение коллектор-эмиттер

U кэ= U 0кэ Uт вых; (3.7)

U 0б
U бmin
U бmax
І б
І бmin
І 0б
І б
І бmax
І 0б
І бmin
І бmax
U
U кэmin
U кэmax
І кmin
І кmax
І
U бэ
U кэ
Е К
І к
І к
EК R к

Рисунок 3.3 – Диаграмма работы усилителя в схеме с общим эмиттером

– ток базы

І б = І Іт вх; (3.8)

– ток коллектора

І к = І Іт к. (3.9)

В схеме, приведенной на рис. 3.1, а, токи протекают по следующим цепям.

Ток базы І б течёт по цепи: плюс источника питания (+ Е К), резистор R б, переход база-эмиттер транзистора, нулевой провод, минус источника питания (– Е К).Поскольку протекает ток базы І б, то появляется и ток коллектора І к = h 21э× І б, протекающий по цепи: плюс источника питания (+ Е К), сопротивление нагрузки R к, переход коллектор-эмиттер транзистора, нулевой провод, минус источника питания (– Е К).

Эти цепи образуют замкнутые контуры, для которых согласно второму закону Кирхгофа справедливы следующие уравнения:

1) I б R б + U бэ E К = 0 или I б R б + U бэ = E К;

2) I к R к+ U кэE К = 0 или I к R к+ U кэ= E К.(3.10)

В исходном состоянии до момента t 0, т.е. в отсутствии входного напряжения U вх = 0, усилитель находится в состоянии покоя. В этом состояниипараметры режима определяются рабочей точкой и равны только первым слагаемым в формулах (3.6)…(3.9). В рабочей точке постоянные напряжения и токи равны:

постоянное напряжение база-эмиттер: U бэ = U 0бэ;

постоянное напряжение коллектор-эмиттер: U кэ = U 0кэ;

– постоянный ток базы: І б = І ;

– постоянный ток коллектора: І к = І .

При подаче сигнала появляется входное напряжение U вх. Оно вызывает появление переменных составляющих входного тока І вх, тока коллектора І к и выходного напряжения U вых, мгновенные значения которых расположены вокруг рабочей точки (см. рис. 3.3).

Так, в момент t 1 на входе усилителя действует амплитуда Uт вх положительной полуволны, в результате напряжение база-эмиттер увеличивается до максимального значения: U бэ mах = U 0бэ + Uт вх. Поэтому ток базы также будет максимальным: І б mах = І + Іт б. Так как ток коллектора прямо пропорционален току базы (І к = h 21э× І б), то он также будет иметь максимальное значение: І к mах = І + Іт к.

Напряжение коллектор-эмиттер найдем из выражения (3.4):

U кэ = Е КІ к R к, (3.11)

для момента t 1 найдем его минимальное значение, подставив в выражение (3.11) значение І к = І к mах, получим:

U кэ min= Е КІ к mах R к. (3.12)

В момент t 2 на входе усилителя действует амплитуда входного сигнала Uт вх отрицательной полуволны, поэтому напряжение база-эмиттер уменьшается до минимального значения: U бэ min = U 0бэUт вх. Ток базы также будет минимальным: І б min = І Іт б. Тогда ток коллектора также будет минимальным: І к min = І Іт к, так как І к = h 21э× І б.

Напряжение коллектор-эмиттер в момент t 2 определим, подставив в выражение (3.10) значение І к = І к min, получим

U кэ mах = Е КІ к min R к. (3.13)

Как видно из выражений (3.12) и (3.13), максимальный ток коллектора І к mах обусловливает минимальное значение напряжения коллектор-эмиттер U кэ min. Это объясняется тем, что максимальный ток коллектора І к mах создаёт максимальное падение напряжения на сопротивлении нагрузки R к, которое равно: І к mах R к. Аналогично, минимальный ток коллектора І к min обусловливает максимальное значение напряжения коллектор-эмиттер U кэ mах.

Из этого следует, что усилитель с общим эмиттеромповорачивает фазу входного напряжения на 180°.





Подборка статей по вашей теме: